|
云上资料软件
登录
/
注册
免费注册
登录
首页
软件下载
购买
首页
资料软件
(下载)
云上资料软件
(下载)
在线表格
求职招聘
服务平台
那云知道
当前位置:
表格库
>
贵州
>
电力电网
>
国家电网有限公司施工项目部标准化管理手册-变电工程分册(2018年版)
>
B.2 项目管理部分
>
SXMB4 项目管理实施规划/(专项)施工方案报审表的附表
上级...
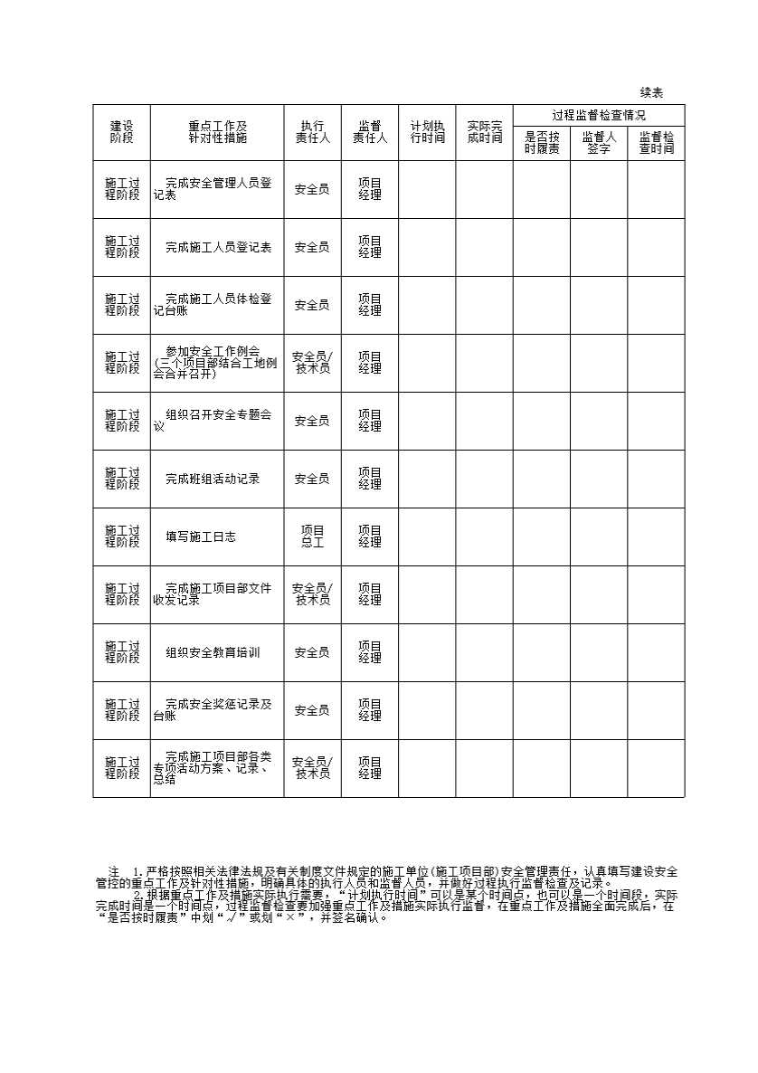
SXMB4 项目管理实施规划/(专项)施工方案报审表的附表
表格
下载表格
点击领取首张表格excel
点击查看大图
点击查看大图
点击查看大图
点击查看大图
下载表格
点击领取首张表格excel
×
下载表格
表格名称:SXMB4 项目管理实施规划/(专项)施工方案报审表的附表
所需N币:
N币
(我有
)N币)
您的N币不足,请先充值。
充值N币
充值N币
下载
取消
×
分享页面
QQ分享
空间分享
微信分享
微博分享