上级...

表2.13 外部变形观测设施引张线安装单元工程施工质量验收评定表

填写规范


表2.13  外部变形观测设施引张线安装单元工程施工质量验收评定表填表要求

  填表时必须遵守“填表基本规定”,并应符合下列要求:
  1.单位工程划分:宜以每一单支仪器或按照建筑物结构、监测仪器分类划分为一个单元工程。
  2.单元工程量填写本单元工程量(套)。
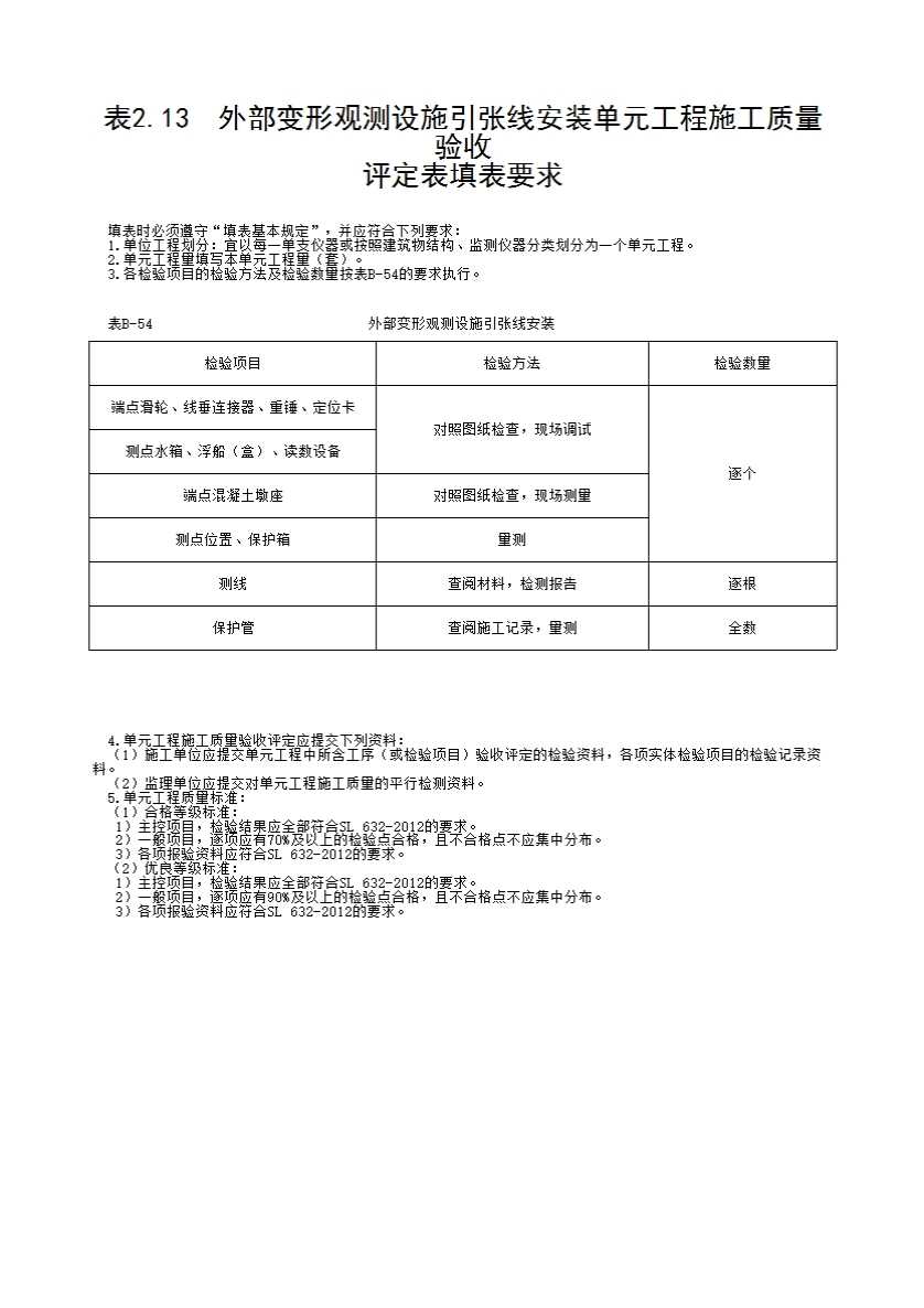
  3.各检验项目的检验方法及检验数量按表B-54的要求执行。

  4.单元工程施工质量验收评定应提交下列资料:
  (1)施工单位应提交单元工程中所含工序(或检验项目)验收评定的检验资料,各项实体检验项目的检验记录资料。
  (2)监理单位应提交对单元工程施工质量的平行检测资料。
  5.单元工程质量标准:
  (1)合格等级标准:
   1)主控项目,检验结果应全部符合SL 632-2012的要求。
   2)一般项目,逐项应有70%及以上的检验点合格,且不合格点不应集中分布。
   3)各项报验资料应符合SL 632-2012的要求。
  (2)优良等级标准:
   1)主控项目,检验结果应全部符合SL 632-2012的要求。
   2)一般项目,逐项应有90%及以上的检验点合格,且不合格点不应集中分布。
   3)各项报验资料应符合SL 632-2012的要求。