上级...

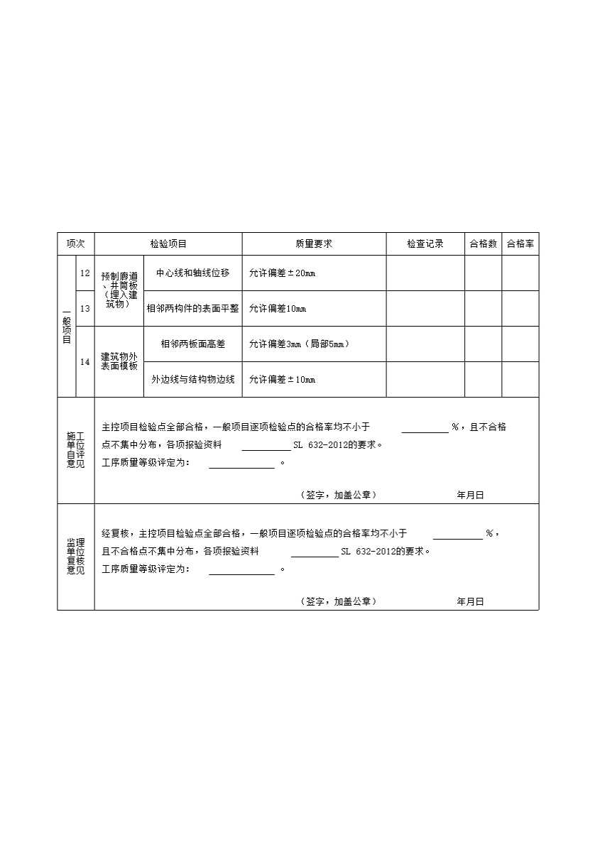
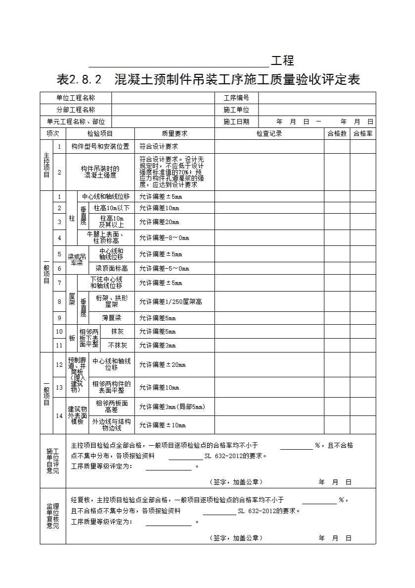
表2.8.2 混凝土预制件吊装工序施工质量验收评定表

填写规范


表2.8.2  混凝土预制件吊装工序施工质量验收评定表填表要求

  填表时必须遵守“填表基本规定”,并应符合下列要求:
  1.单位工程、分部工程、单元工程名称及部位填写应与表2.8相同。
  2.各检验项目的检验方法及检验数量按表B-43的要求执行。

  3.工序施工质量验收评定应提交下列资料:
  (1)施工单位各班(组)初检记录、施工队复检记录、施工单位专职质检员终检记录,工序中各施工质量检验项目的检验资料。
  (2)监理单位对工序中施工质量检验项目的平行检测资料。
  4.工序质量标准:
  (1)合格等级标准:
   1)主控项目,检验结果应全部符合SL 632-2012的要求。
   2)一般项目,逐项应有70%及以上的检验点合格,且不合格点不应集中分布。
   3)各项报验资料应符合SL 632-2012的要求。
  (2)优良等级标准:
   1)主控项目,检验结果应全部符合SL 632-2012的要求。
   2)一般项目,逐项应有90%及以上的检验点合格,且不合格点不应集中分布。
   3)各项报验资料应符合SL 632-2012的要求。