上级...

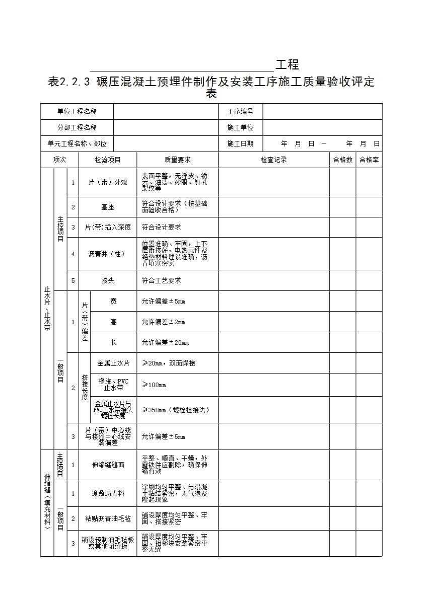
表2.2.3 碾压混凝土预埋件制作及安装工序施工质量验收评定表

填写规范


表2.2.3  碾压混凝土预埋件制作及安装工序施工质量验收评定表填表要求

  填表时必须遵守“填表基本规定”,并应符合下列要求:
  1.水工混凝土中的预埋件包括止水、伸缩缝(填充材料)、排水系统、冷却及灌浆管路、铁件、安全监测设施等。在施工中应进行全过程检查和保护,防止移位、变形、损坏及堵塞。
  2.预埋件的结构型式、位置、尺寸及材料的品种、规格、性能等应符合设计要求和有关标准。所有预埋件都应进行材质证明检查,需要抽检的材料应按有关规范进行。
  3.单位工程、分部工程、单元工程名称及部位填写应与表2.2相同。
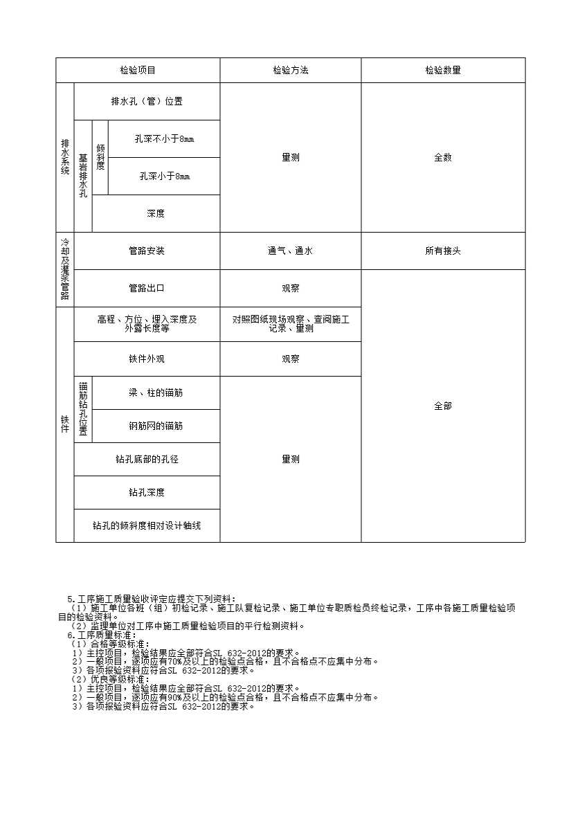
  4.各检验项目的检验方法及检验数量按表B-9的要求执行。

  5.工序施工质量验收评定应提交下列资料:
  (1)施工单位各班(组)初检记录、施工队复检记录、施工单位专职质检员终检记录,工序中各施工质量检验项目的检验资料。
  (2)监理单位对工序中施工质量检验项目的平行检测资料。
  6.工序质量标准:
  (1)合格等级标准:
   1)主控项目,检验结果应全部符合SL 632-2012的要求。
   2)一般项目,逐项应有70%及以上的检验点合格,且不合格点不应集中分布。
   3)各项报验资料应符合SL 632-2012的要求。
  (2)优良等级标准:
   1)主控项目,检验结果应全部符合SL 632-2012的要求。
   2)一般项目,逐项应有90%及以上的检验点合格,且不合格点不应集中分布。
   3)各项报验资料应符合SL 632-2012的要求。