上级...

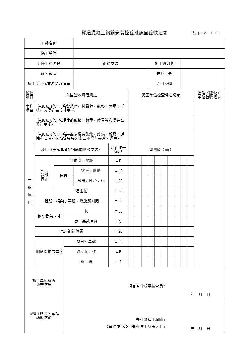
表CJJ 2-11-2-9 梯道混凝土钢筋安装检验批质量验收记录

填写规范


一、主控项目

6.5.4钢筋安装时, 其品种、规格、数量、形状,必须符合设计要求。

检查数量:全数检查。

检验方法:观察、用钢尺量。

二、一般项目

6.5.5预埋件的规格、 数量、位置等必须符合设计要求。

检查数量:全数检查。

检验方法:观察、用钢尺量。

6.5.6钢筋表面不得有裂纹、结疤、折叠、锈蚀和油污,钢筋焊接接头表面不得有夹渣、焊瘤。

检查数量:全数检查。

检验方法:观察。

6.5.9条 钢筋成形和安装允许偏差应符合表6.5.9的规定。

6.5.9 钢筋成形和安装允许偏差

检查项目

允许偏差(mm)

检查频率

检验方法

范围

点数

受力

钢筋

间距

两排以上排距

±5

每个

构筑

物或

每个

构件

3

用钢尺量,两端和中间各一个断面每个断面连续量取钢筋间()距.取其平均值计1点

同排

梁板、拱助

±10

基础、墩台、柱

±20

灌注桩

±20

箍筋、横向水平筋、螺旋筋间距

±10

5

连续量取5个间距,其平均值计1点

钢筋骨架尺寸

±10

3

用钢尺量,兩端和中间各1

宽、高或直径

±5

3

弯起钢筋位置

±20

30%

用钢尺量

钢筋保护层厚度

墩台、基础

±10

10

沿模板周边检查,用钢尺量

梁、柱、桩

±5

板、墙

±3