|
云上资料软件
登录
/
注册
免费注册
登录
首页
软件下载
购买
首页
资料软件
(下载)
云上资料软件
(下载)
在线表格
求职招聘
服务平台
那云知道
当前位置:
表格库
>
广西
>
电力电网
>
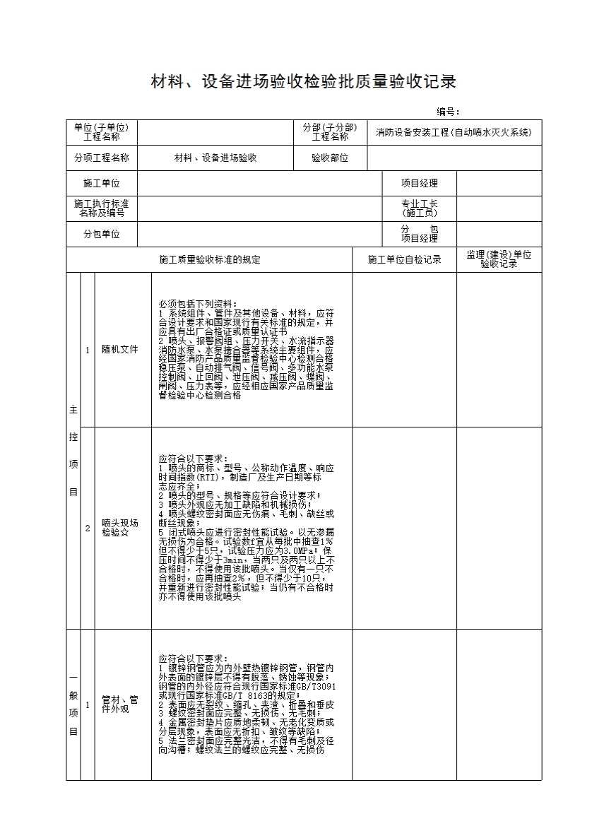
Q、GDW 1183—2012 变电(换流)站土建工程施工质量验收规范
>
消防设备安装工程
>
自动喷水灭火系统
>
材料、设备进场验收检验批质量验收记录
上级...
材料、设备进场验收检验批质量验收记录
表格
填写规范
下载表格
点击领取首张表格excel
点击查看大图
点击查看大图
下载表格
点击领取首张表格excel
填写规范
9. 3. 1 材料、 设备进场验收
a) 检查数量: 全数检查。
b) 质量标准和检验方法: 见表 303。
×
下载表格
表格名称:材料、设备进场验收检验批质量验收记录
所需N币:
N币
(我有
)N币)
您的N币不足,请先充值。
充值N币
充值N币
下载
取消
×
分享页面
QQ分享
空间分享
微信分享
微博分享