|
云上资料软件
登录
/
注册
免费注册
登录
首页
软件下载
购买
首页
资料软件
(下载)
云上资料软件
(下载)
在线表格
求职招聘
服务平台
那云知道
当前位置:
表格库
>
广东
>
市政
>
国标市政
>
城镇道路工程施工与质量验收手册(CJJ1-2008)
>
人行地道结构
>
预制安装钢筋混凝土人行地道结构
>
基础模板
>
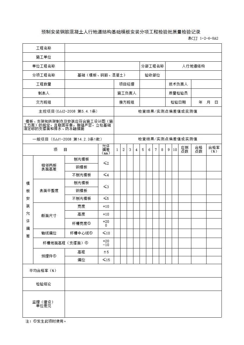
表CJJ 1-2-6-8A2 预制安装钢筋混凝土人行地道结构基础模板安装分项工程检验批质量检验记录
上级...
表CJJ 1-2-6-8A2 预制安装钢筋混凝土人行地道结构基础模板安装分项工程检验批质量检验记录
表格
下载表格
点击领取首张表格excel
点击查看大图
下载表格
点击领取首张表格excel
×
下载表格
表格名称:表CJJ 1-2-6-8A2 预制安装钢筋混凝土人行地道结构基础模板安装分项工程检验批质量检验记录
所需N币:
N币
(我有
)N币)
您的N币不足,请先充值。
充值N币
充值N币
下载
取消
×
分享页面
QQ分享
空间分享
微信分享
微博分享