|
云上资料软件
登录
/
注册
免费注册
登录
首页
软件下载
购买
首页
资料软件
(下载)
云上资料软件
(下载)
在线表格
求职招聘
服务平台
那云知道
当前位置:
表格库
>
广东
>
市政
>
广东省市政基础设施工程竣工验收技术资料统一用表(2019版)城市轨道交通分册
>
第七章 施工过程质量验收文件
>
7.2 土建工程专用表格
>
7.2.5 道路、给排水工程
>
附属构筑物
>
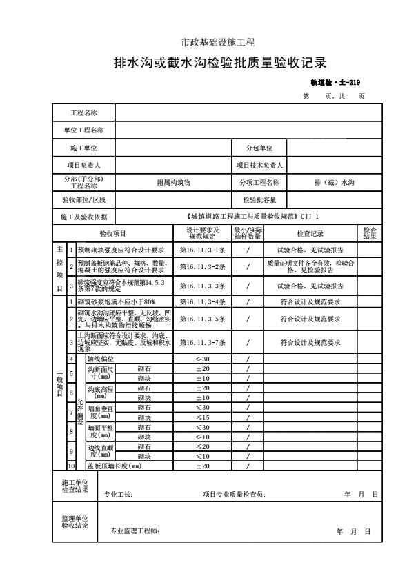
轨道验土-219 排水沟或截水沟检验批质量验收记录
上级...
轨道验土-219 排水沟或截水沟检验批质量验收记录
表格
下载表格
点击领取首张表格excel
点击查看大图
下载表格
点击领取首张表格excel
×
下载表格
表格名称:轨道验土-219 排水沟或截水沟检验批质量验收记录
所需N币:
N币
(我有
)N币)
您的N币不足,请先充值。
充值N币
充值N币
下载
取消
×
分享页面
QQ分享
空间分享
微信分享
微博分享