|
云上资料软件
登录
/
注册
免费注册
登录
首页
软件下载
购买
首页
资料软件
(下载)
云上资料软件
(下载)
在线表格
求职招聘
服务平台
那云知道
当前位置:
表格库
>
广东
>
房建
>
(2016)版广东省建筑工程竣工验收技术资料统一用表
>
第三章 施工管理和技术文件资料用表(C1类表)
>
第一节 施工项目管理文件资料通用表
>
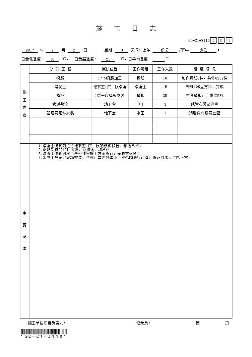
3.1.10、施工日志
上级...
3.1.10、施工日志
表格
示例
下载表格
点击领取首张表格excel
点击查看大图
下载表格
点击领取首张表格excel
示例
示例(18556)
施工日志
展开
购买软件下载表格
点击领取首张表格excel
N币下载该表格
点击查看大图
×
下载表格
表格名称:3.1.10、施工日志
所需N币:
N币
(我有
)N币)
您的N币不足,请先充值。
充值N币
充值N币
下载
取消
×
分享页面
QQ分享
空间分享
微信分享
微博分享