|
云上资料软件
登录
/
注册
免费注册
登录
首页
软件下载
购买
首页
资料软件
(下载)
云上资料软件
(下载)
在线表格
求职招聘
服务平台
那云知道
当前位置:
表格库
>
广东
>
房建
>
广东省房建各地区专用表
>
深圳
>
通用施工用表
>
711-761
>
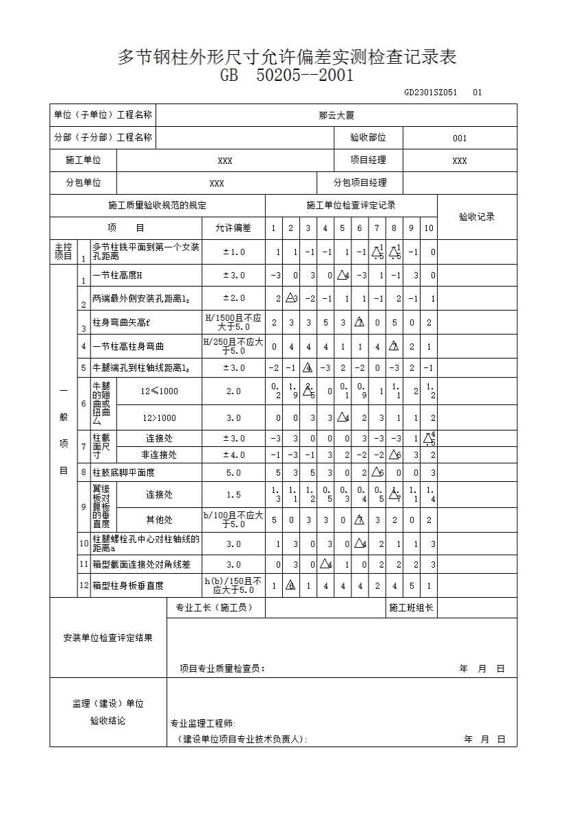
多节钢柱外形尺寸允许偏差实测检查记录表
上级...
多节钢柱外形尺寸允许偏差实测检查记录表
表格
示例
下载表格
点击领取首张表格excel
点击查看大图
下载表格
点击领取首张表格excel
示例
示例(15981)
展开
购买软件下载表格
点击领取首张表格excel
N币下载该表格
点击查看大图
×
下载表格
表格名称:多节钢柱外形尺寸允许偏差实测检查记录表
所需N币:
N币
(我有
)N币)
您的N币不足,请先充值。
充值N币
充值N币
下载
取消
×
分享页面
QQ分享
空间分享
微信分享
微博分享