|
云上资料软件
登录
/
注册
免费注册
登录
首页
软件下载
购买
首页
资料软件
(下载)
云上资料软件
(下载)
在线表格
求职招聘
服务平台
那云知道
当前位置:
表格库
>
广东
>
房建
>
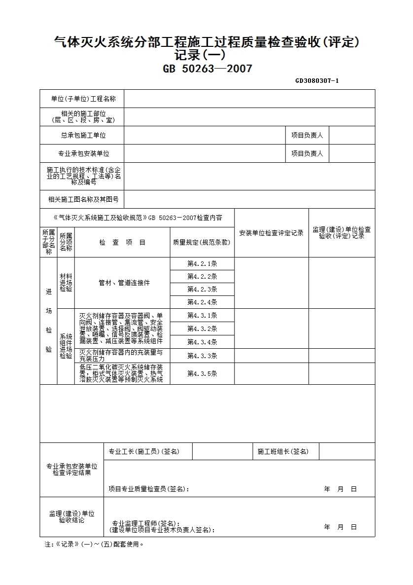
深圳市建筑工程文件归档组卷目录【2013版】
>
施工管理文件
>
建筑工程施工文件
>
消防系统安装工程
>
气体灭火系统分部工程施工过程质量检查(评定)记录
>
气体灭火系统分部工程施工过程质量检查验收(评定)记录(一) GD3080307-1
上级...
气体灭火系统分部工程施工过程质量检查验收(评定)记录(一) GD3080307-1
表格
示例
下载表格
点击领取首张表格excel
点击查看大图
下载表格
点击领取首张表格excel
示例
示例(15185)
展开
购买软件下载表格
点击领取首张表格excel
N币下载该表格
点击查看大图
×
下载表格
表格名称:气体灭火系统分部工程施工过程质量检查验收(评定)记录(一) GD3080307-1
所需N币:
N币
(我有
)N币)
您的N币不足,请先充值。
充值N币
充值N币
下载
取消
×
分享页面
QQ分享
空间分享
微信分享
微博分享