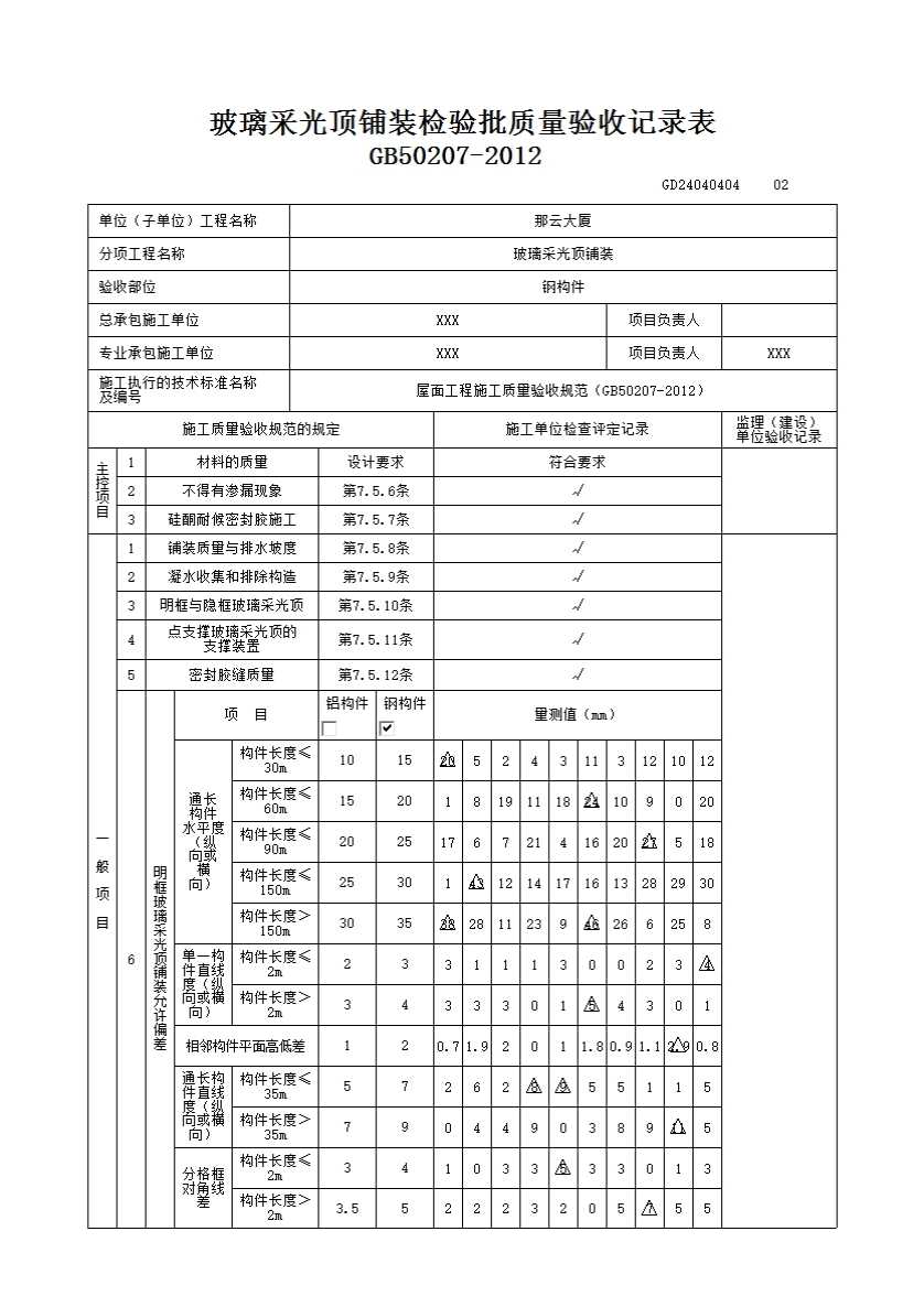
主控项目
7.5.5 采光顶玻璃及其配套材料的质量,应符合设计要求。
检验方法:检查出厂合格证和质量检验报告。
7.5.6 玻璃采光顶不得有渗漏现象。
检验方法:雨后观察或淋水试验。
7.5.7 硅酮耐候密封胶的打注应密实、连续、饱满,粘结应牢固,不得有气泡、开裂、脱落等缺陷。
检验方法:观察检查。
一般项目
7.5.8 玻璃采光顶铺装应平整、顺直;排水坡度应符合设计要求。
检验方法:观察和坡度尺检查。
7.5.9 玻璃采光顶的冷凝水收集和排除构造,应符合设计要求。
检验方法:观察检查。
7.5.10 明框玻璃采光顶的外露金属框或压条应横平竖直,压条安装应牢固;隐框玻璃采光顶的玻璃分格拼缝应横平竖直,均匀一致。
检验方法:观察和手扳检查。
7.5.11 点支承玻璃采光顶的支承装置应安装牢固,配合应严密;支承装置不得与玻璃直接接触。
检验方法:观察检查。
7.5.12 采光顶玻璃的密封胶缝应横平竖直,深浅应一致,宽窄应均匀,应光滑顺直。
检验方法:观察检查。
7.5.13 明框玻璃采光顶铺装的允许偏差和检验方法,应符合表7.5.13的规定。
表7.5.13明框玻璃采光顶铺装的允许偏差和检验方法
|
项目 |
允许偏差(mm) |
检验方法 |
||
|
铝构件 |
钢构件 |
|||
|
通长构件水平度 (纵向或横向) |
构件长度≤30m |
10 |
15 |
水准仪检查 |
|
构件长度≤60m |
15 |
20 |
||
|
构件长度≤90m |
20 |
25 |
||
|
构件长度≤150m |
25 |
30 |
||
|
构件长度> 150m |
30 |
35 |
||
|
单一构件直线度 (纵向或横向) |
构件长度≤2m |
2 |
3 |
拉线和尺量检查 |
|
构件长度> 2m |
3 |
4 |
||
|
相邻构件平面高低差 |
1 |
2 |
直尺和塞尺检查 |
|
|
通长构件直线度 (纵向或横向) |
构件长度≤35m |
5 |
7 |
经纬仪检查 |
|
构件长度> 35m |
7 |
9 |
||
|
分格框对角线差 |
对角线长度≤2m |
3 |
4 |
尺量检查 |
|
对角线长度> 2m |
3.5 |
5 |
||
7. 5.14隐框玻璃采光顶铺装的允许偏差和检验方法,应符合表7.5. 14的规定。
表7.5.14隐框玻璃采光顶铺装的允许偏差和检验方法
|
项目 |
允许偏差(mm) |
检验方法 |
|
|
通长接缝水平度 (纵向或横向) |
接缝长度≤30m |
10 |
水准仪检查 |
|
接缝长度≤60m |
15 |
||
|
接缝长度≤90m |
20 |
||
|
接缝长度≤150m |
25 |
||
|
接缝长度> 150m |
30 |
||
|
相邻板块的平面高低差 |
1 |
直尺和塞尺检查 |
|
|
相邻板块的接缝直线度 |
2.5 |
拉线和尺量检查 |
|
|
通长接缝直线度 (纵向或横向) |
接缝长度≤35m |
5 |
经纬仪检查 |
|
接縫长度> 35m |
7 |
||
|
玻璃间接缝宽度(与设计尺寸比) |
2 |
尺量检查 |
|
7. 5. 15点支承玻璃采光顶铺装的允许偏差和检验方法,应符合表7.5. 15的规定
表7.5.15点支承玻璃 采光顶铺装的允许偏差和检验方法
|
项目 |
允许偏差(mm) |
检验方法 |
|
|
通长接缝水平度 (纵向或横向) |
接缝长度≤30m |
10 |
水准仪检查 |
|
接缝长度≤60m |
15 |
||
|
接缝长度>60m |
20 |
||
|
相邻板块的平面高低差 |
1 |
直尺和塞尺检查 |
|
|
相邻板块的接缝直线度 |
2.5 |
拉线和尺量检查 |
|
|
通长接缝直线度 (纵向或横向) |
接缝长度≤35m |
5 |
经纬仪检查 |
|
接縫长度> 35m |
7 |
||
|
玻璃间接缝宽度(与设计尺寸比) |
2 |
尺量检查 |
|