上级...

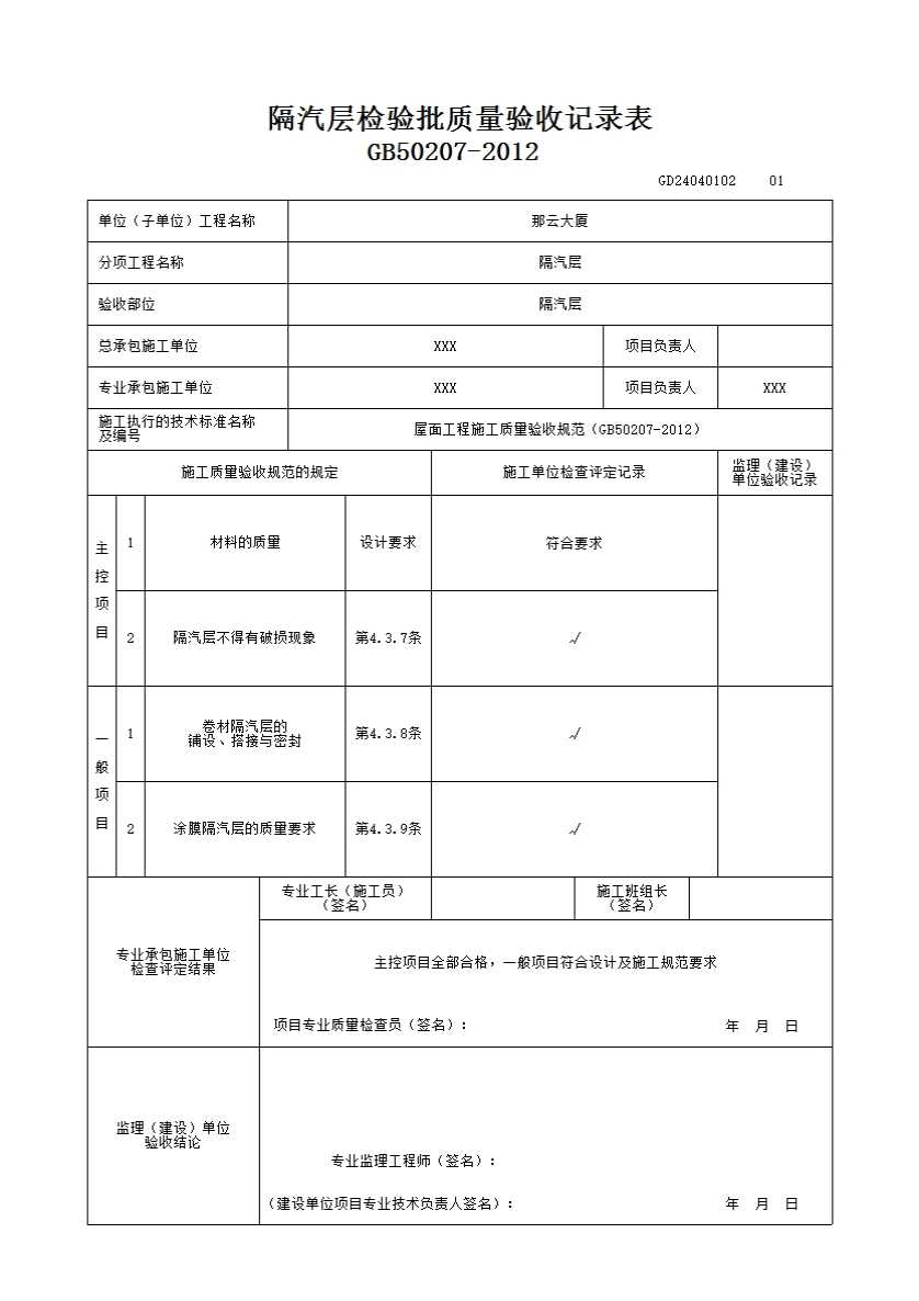
隔汽层检验批质量验收记录表

填写规范


主控项目

4.3.6 隔汽层所用材料的质量,应符合设计要求。
检验方法:检查出厂合格证、质量检验报告和进场检验报告。
4.3.7 隔汽层不得有破损现象。
检验方法:观察检查。

一般项目

4.3.8 卷材隔汽层应铺设平整,卷材搭接缝应粘结牢固,密封应严密,不得有扭曲、皱折和起泡等缺陷。
检验方法:观察检查。
4.3.9 涂膜隔汽层应粘结牢固,表面平整,涂布均匀,不得有堆积、起泡和露底等缺陷。
检验方法:观察检查。

示例