上级...

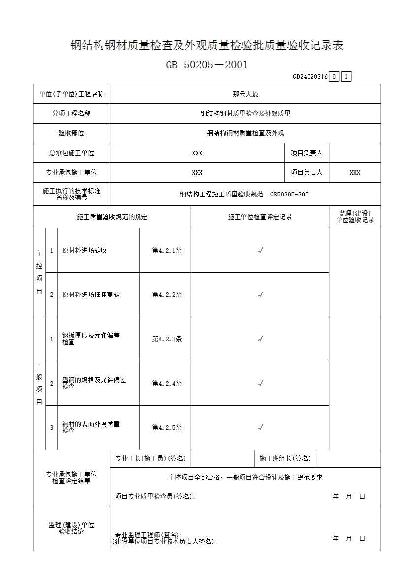
钢结构钢材质量检查及外观质量检验批质量验收记录表GD24020316

填写规范


主控项目

4.2.1 钢材、钢铸件的品种、规格、性能等应符合现行国家产品标准和设计要求。进口钢材产品的质量应符合设计和合向规定标准的要求。

检查数量:全数检查。

检验方法:检查质量合格证明文件、中文标志及检验报告等。

4.2.2对属于下 列情况之一的钢材,应进行抽样复验,其复验结果应符合现行国家产品标准和设计要求。

1国外进口钢材;

2钢材混批;

3板厚等于或大于 40mm,且设计有Z向性能要求的厚板;

4建筑结构安全等级为-级,大跨度钢结构中主要受力构件所采用的钢材;

5设计有复验要求的钢材;

6对质量有疑义的钢材。

检查数量:全数检查。

检验方法:检查复验报告。

一般项目

4.2.3钢板厚度及允许偏差应符合其产品标准的要求。

检查数量;每一品种、规格的钢板抽查5处。

检验方法:用游标卡尺量测。

4.2.4型钢的规格尺寸 及允许偏差符合其产品标准的要求。

检查数量:每一品种、规格的型钢抽查5处。

检验方法:用钢尺和游标卡尺量测。

4.2.5钢材的表面外观质量除应符合国家现行有关标准的规定外,尚应符合下列规定:

1当钢材的表面有锈蚀、麻点或划痕等缺陷时,其深度不得大于该钢材厚度负允许偏差值的1/2;

2钢材表面的锈蚀等级应符合现行国家标准《涂装前钢材表面锈蚀等级和除锈等级>GB8923规定的C级及C级以上;

3钢材端边或断口处不应有分层,夹渣等缺陷。

检查数量:全数检查。

检验方法:观察检查。

示例