上级...

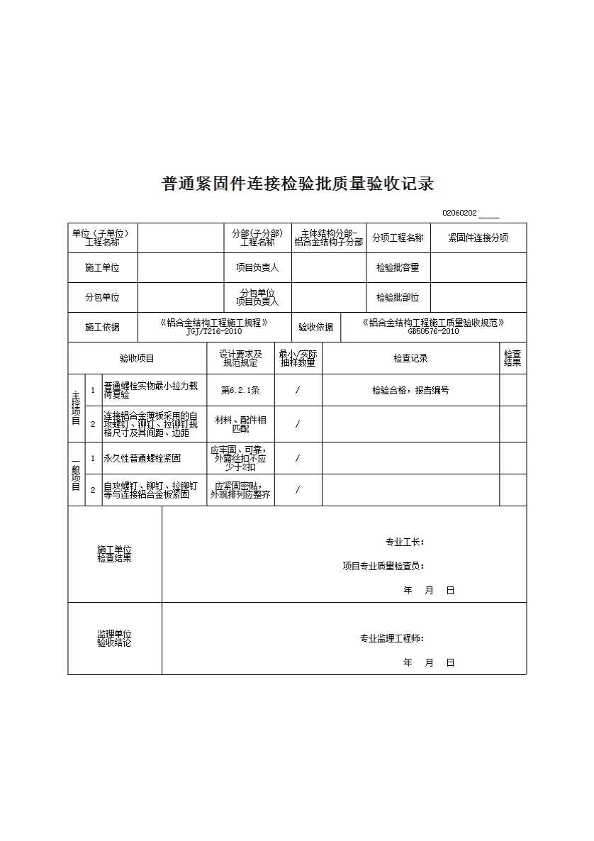
02060202_普通紧固件连接检验批质量验收记录

填写规范


普通紧固件连接检验批质量验收记录

本表适用于铝合金结构制作和安装中的普通螺栓、铆钉、自攻螺钉拉铆钉等连接工程的质量验收。

一、检验批划分

按相应的铝合金结构制作或安装检验批的划分原则划分为一个或若干个检验批。

二、主控项目

6.2.1 普通螺栓作为永久性连接螺栓时,当设计有要求或对其质量有疑义时,应进行螺栓实物最小拉力载荷复验,试验方法应符合本规范附录 B的规定,试验结果应符合现行国家标准《紧固件机械性能》GB/T 3098的有关规定。

检查数量:每一规格螺栓抽查8个。

检验方法:检查螺栓实物复验报告。

6.2.2 连接铝合金薄板采用的自攻螺钉、铆钉、拉铆钉等其规格尺寸应与被连接铝合金板相匹配,其间距、边距等应符合设计要求。

检查数量:按连接节点数抽查3%,且不应少于5个。

检验方法:观察和尺量检查。

三、一般项目

6.2.3 永久性普通螺栓紧固应牢固、可靠,外露丝扣不应少于2扣。

检查数量:按连接节点数抽查3%,且不应少于5个。

检验方法:观察和用小锤敲击检查。

6.2.4 自攻螺钉、铆钉、拉铆钉等与连接铝合金板应紧固密贴,外观排列应整齐。

检查数量:按连接节点数抽查10%,且不应少于3个。

检验方法:观察或用小锤敲击检查。

示例