上级...

01030202_混凝土板桩排桩检验批质量验收记录

填写规范


混凝土板桩排桩检验批质量验收记录 

一、检验批划分

按施工段、变形缝划分;对于工程量较少的分项工程可统一划分为一个验收批。

二、主控项目、一般项目

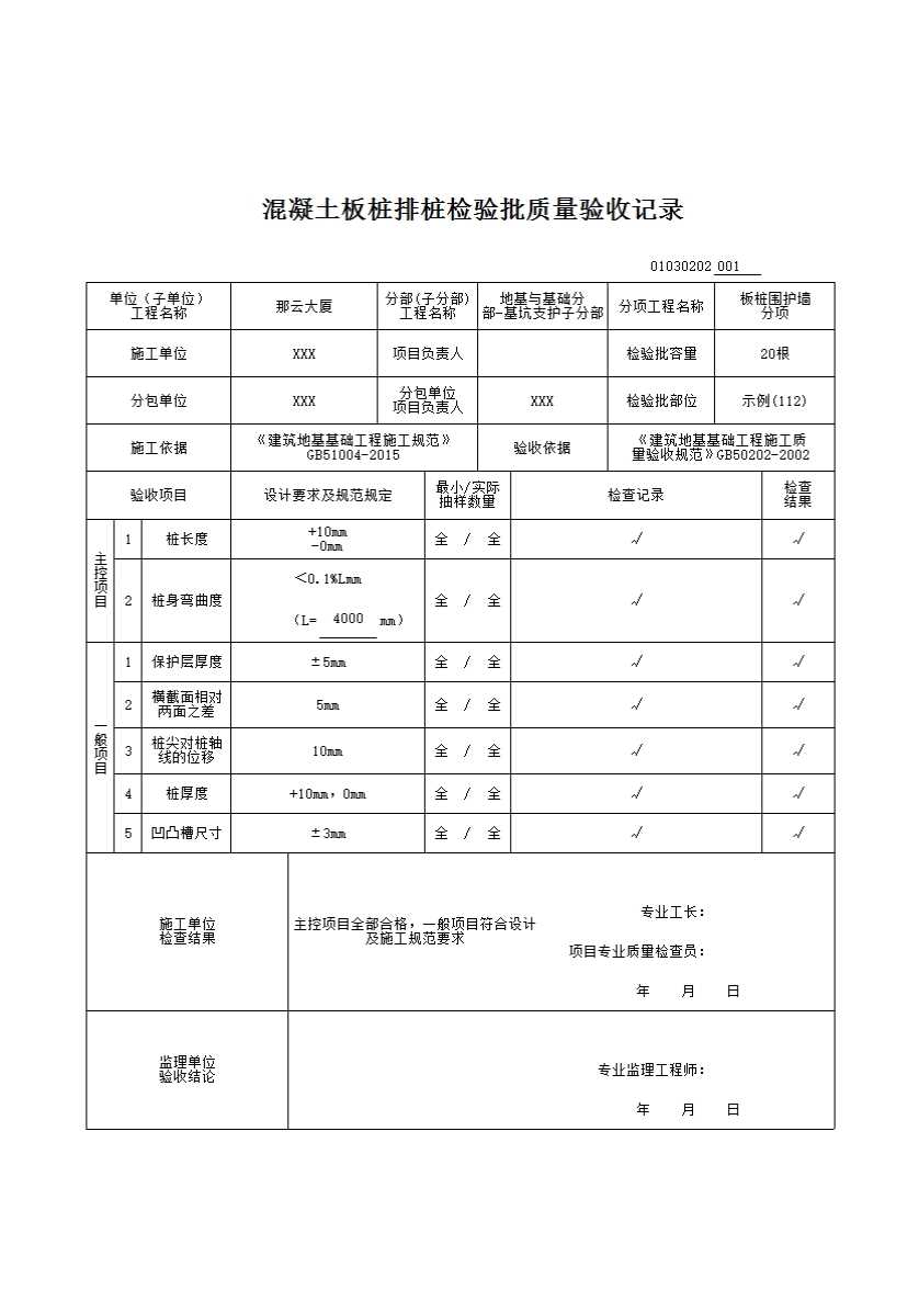
7.2.2 灌注桩、预制桩的检验标准应符合本规范第7章的规定。钢板桩均为工厂成品,新桩可按出厂标准检验,重复使用的钢板桩应符合表7.2.2-1的规定,混凝土板桩应符合表7.2.2-2的规定。

7.2.2-1重复使用的钢板桩检验标准 

 

检查项目 

允许偏差或允许值 

检查方法 

单位 

数值 

1 

桩垂直度 

% 

<1 

用钢尺量 

2 

桩身弯曲度 

  

<2%l 

用钢尺量,l为桩长 

3 

齿槽平直度及光滑度 

无电焊渣或毛刺 

用1m长的桩段做通过试验 

4 

桩长度 

不少于设计长度 

  

7.2.2-2混凝土板桩制作标准 

 

 

检查项目 

允许偏差或允许值 

检查方法 

单位 

数值 

主控项目 

1 

桩长度 

mm 

+10 

0 

用钢尺量 

2 

桩身弯曲度 

  

<0.1%l 

用钢尺量,l为桩长 

一般项目 

1 

保护层厚度 

mm 

±5 

用钢尺量 

2 

模截面相对两面之差 

mm 

5 

用钢尺量 

3 

桩尖对桩轴线的位移 

mm 

10 

用钢尺量 

4 

桩厚度 

mm 

+10 

0 

用钢尺量 

5 

凹凸槽尺寸 

mm 

±3 

用钢尺量 

7.2.3 排桩墙支护的基坑,开挖后应及时支护,每一道支撑施工应确保基坑变形在设计要求的控制范围内。
7.2.4 在含水地层范围内的排桩墙支护基坑,应有确实可靠的止水措施,确保基坑施工及邻近构筑物的安全。

示例