重复使用钢板桩排桩墙支护检验批质量验收记录
一、检验批划分
按施工段、变形缝划分;对于工程量较少的分项工程可统一划分为一个验收批。
二、主控项目、一般项目
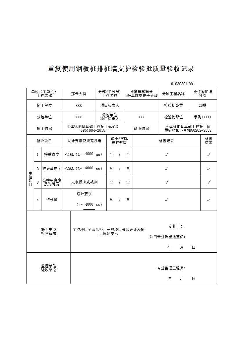
7.2.2 灌注桩、预制桩的检验标准应符合本规范第7章的规定。钢板桩均为工厂成品,新桩可按出厂标准检验,重复使用的钢板桩应符合表7.2.2-1的规定,混凝土板桩应符合表7.2.2-2的规定。
表7.2.2-1重复使用的钢板桩检验标准
|
序 |
检查项目 |
允许偏差或允许值 |
检查方法 |
|
|
单位 |
数值 |
|||
|
1 |
桩垂直度 |
% |
<1 |
用钢尺量 |
|
2 |
桩身弯曲度 |
|
<2%l |
用钢尺量,l为桩长 |
|
3 |
齿槽平直度及光滑度 |
无电焊渣或毛刺 |
用1m长的桩段做通过试验 |
|
|
4 |
桩长度 |
不少于设计长度 |
|
|
表7.2.2-2混凝土板桩制作标准
|
项 |
序 |
检查项目 |
允许偏差或允许值 |
检查方法 |
|
|
单位 |
数值 |
||||
|
主控项目 |
1 |
桩长度 |
mm |
+10 0 |
用钢尺量 |
|
2 |
桩身弯曲度 |
|
<0.1%l |
用钢尺量,l为桩长 |
|
|
一般项目 |
1 |
保护层厚度 |
mm |
±5 |
用钢尺量 |
|
2 |
模截面相对两面之差 |
mm |
5 |
用钢尺量 |
|
|
3 |
桩尖对桩轴线的位移 |
mm |
10 |
用钢尺量 |
|
|
4 |
桩厚度 |
mm |
+10 0 |
用钢尺量 |
|
|
5 |
凹凸槽尺寸 |
mm |
±3 |
用钢尺量 |
|
7.2.3 排桩墙支护的基坑,开挖后应及时支护,每一道支撑施工应确保基坑变形在设计要求的控制范围内。
7.2.4 在含水地层范围内的排桩墙支护基坑,应有确实可靠的止水措施,确保基坑施工及邻近构筑物的安全。