上级...

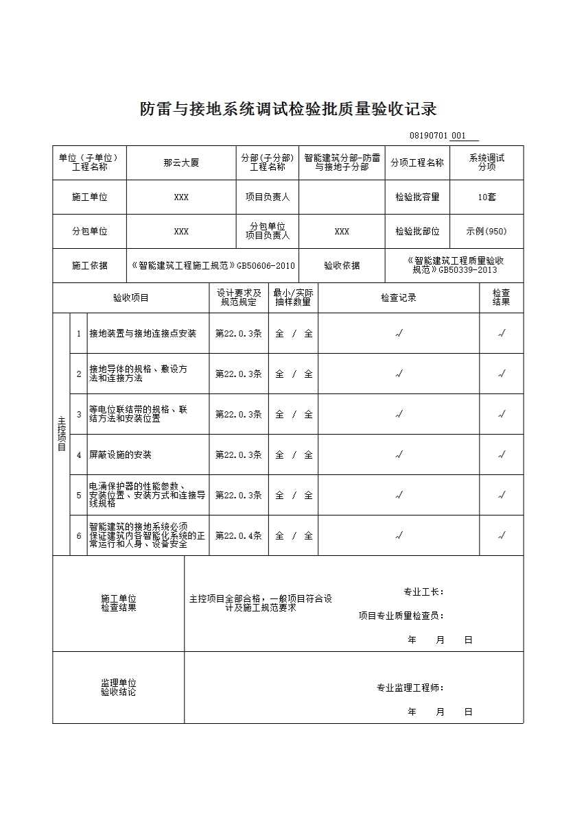
08190701_防雷与接地系统调试检验批质量验收记录

填写规范


 防雷与接地系统调试检验批质量验收记录

一、检验批划分检验批的划分按施工段、单元及系统划分,对与分项工程可统一划分为一个检验批。

二、主控项目

22.0.3 智能建筑的防雷与接地系统检测应检查下列内容,果符合设计要求的应判定为合格:

1 接地装置及接地连接点的安装;

2 接地电阻的阻值;

3 接地导体的规格、连接方法和安装位置;

4 等电位联结带的规格、联接方法和安装位置;

5 屏蔽设施的安装;

6 电涌保护器的性能参数、安装位置、安装方式和连接导线规格。

22.0.4 智能建筑的接地系统必须保证建筑内各智能化系统的正常运行和人身、设备安全。

示例