|
云上资料软件
登录
/
注册
免费注册
登录
首页
软件下载
购买
首页
资料软件
(下载)
云上资料软件
(下载)
在线表格
求职招聘
服务平台
那云知道
当前位置:
表格库
>
广东
>
电力电网
>
《电力建设施工质量验收及评价规程》DLT 5210系列
>
DL T 5210.1-2021 第1部分 土建工程[代替DL T 5210.1-2012]
>
5通用工程
>
5.32通风与空调工程
>
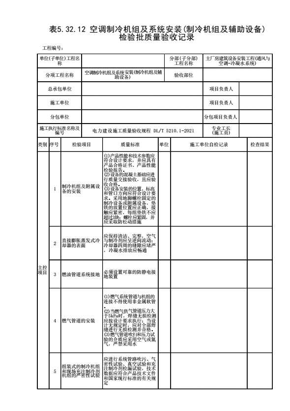
表5.32.12 空调制冷机组及系统安装(制冷机组及辅助设备)检验批质量验收记录
上级...
表5.32.12 空调制冷机组及系统安装(制冷机组及辅助设备)检验批质量验收记录
表格
下载表格
点击领取首张表格excel
点击查看大图
点击查看大图
点击查看大图
点击查看大图
下载表格
点击领取首张表格excel
×
下载表格
表格名称:表5.32.12 空调制冷机组及系统安装(制冷机组及辅助设备)检验批质量验收记录
所需N币:
N币
(我有
)N币)
您的N币不足,请先充值。
充值N币
充值N币
下载
取消
×
分享页面
QQ分享
空间分享
微信分享
微博分享