|
云上资料软件
登录
/
注册
免费注册
登录
首页
软件下载
购买
首页
资料软件
(下载)
云上资料软件
(下载)
在线表格
求职招聘
服务平台
那云知道
当前位置:
表格库
>
广东
>
安全
>
安全施工资料
>
第二卷安全生产保证体系程序文件
>
安2—1—3人货电梯安装、升、降施工方案
>
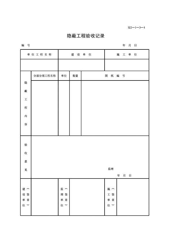
隐蔽工程验收记录 安2—1—3—4
上级...
隐蔽工程验收记录 安2—1—3—4
表格
下载表格
点击领取首张表格excel
点击查看大图
下载表格
点击领取首张表格excel
×
下载表格
表格名称:隐蔽工程验收记录 安2—1—3—4
所需N币:
N币
(我有
)N币)
您的N币不足,请先充值。
充值N币
充值N币
下载
取消
×
分享页面
QQ分享
空间分享
微信分享
微博分享