|
云上资料软件
登录
/
注册
免费注册
登录
首页
软件下载
购买
首页
资料软件
(下载)
云上资料软件
(下载)
在线表格
求职招聘
服务平台
那云知道
当前位置:
表格库
>
广东
>
安全
>
广东省建筑施工安全管理资料统一用表 2021版
>
附录一 参考用表
>
第三章 检测报告
>
第一节 建筑起重机械、安全设施、安全防护用品检测报告
>
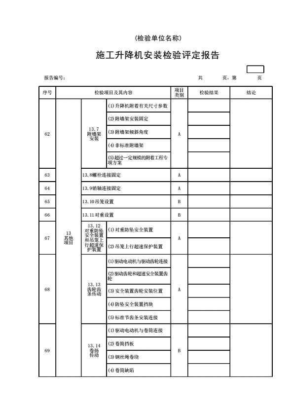
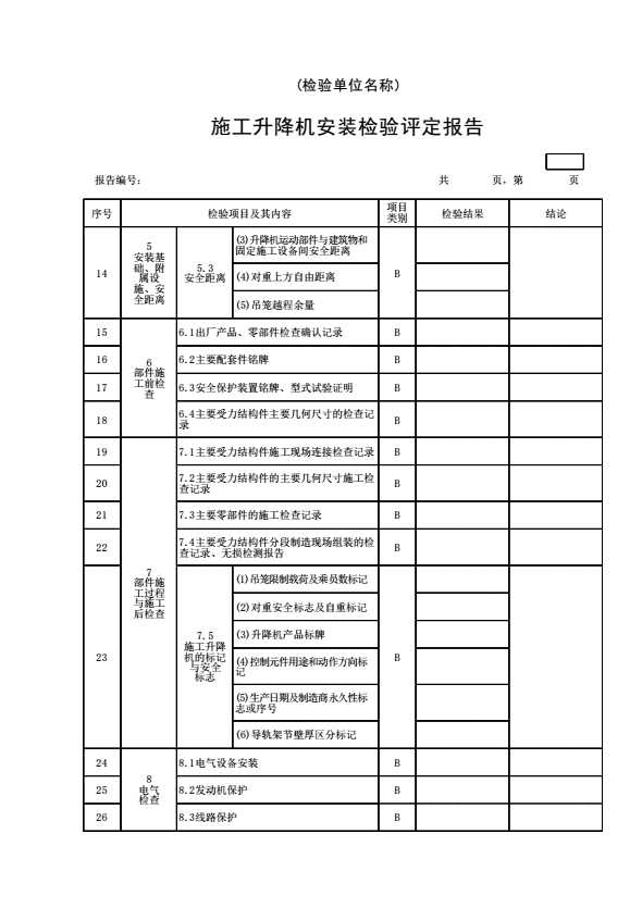
13.施工升降机安装检验评定报告
上级...
13.施工升降机安装检验评定报告
表格
下载表格
点击领取首张表格excel
点击查看大图
点击查看大图
点击查看大图
点击查看大图
点击查看大图
点击查看大图
点击查看大图
点击查看大图
点击查看大图
点击查看大图
点击查看大图
下载表格
点击领取首张表格excel
×
下载表格
表格名称:13.施工升降机安装检验评定报告
所需N币:
N币
(我有
)N币)
您的N币不足,请先充值。
充值N币
充值N币
下载
取消
×
分享页面
QQ分享
空间分享
微信分享
微博分享