|
云上资料软件
登录
/
注册
免费注册
登录
首页
软件下载
购买
首页
资料软件
(下载)
云上资料软件
(下载)
在线表格
求职招聘
服务平台
那云知道
当前位置:
表格库
>
广东
>
安全
>
广东省建筑施工安全管理资料统一用表(2011年版)(2013年05月更新)
>
第二章工程项目安全生产管理
>
第五节安全教育
>
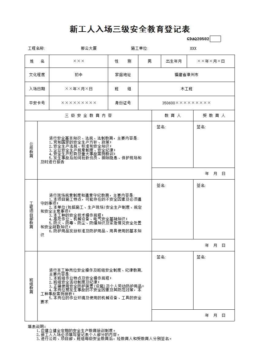
2.新工人入场三级安全教育登记表GDAQ20502
上级...
下级表格
2.新工人入场三级安全教育登记表GDAQ20502
表格
示例
下载表格
点击领取首张表格excel
点击查看大图
下载表格
点击领取首张表格excel
示例
示例(42236)
展开
购买软件下载表格
点击领取首张表格excel
N币下载该表格
点击查看大图
×
下载表格
表格名称:2.新工人入场三级安全教育登记表GDAQ20502
所需N币:
N币
(我有
)N币)
您的N币不足,请先充值。
充值N币
充值N币
下载
取消
×
分享页面
QQ分享
空间分享
微信分享
微博分享