|
云上资料软件
登录
/
注册
免费注册
登录
首页
软件下载
购买
首页
资料软件
(下载)
云上资料软件
(下载)
在线表格
求职招聘
服务平台
那云知道
当前位置:
表格库
>
甘肃
>
市政
>
甘肃省市政基础设施工程资料管理标准 DB62-T3232-2022
>
C类 施工资料
>
C7 施工质量验收资料
>
城镇供热管网工程
>
城镇供热管网工程(SZ-C7.1.6样式)
>
01 土建工程
>
0103 现浇混凝土结构
>
010307 各类单体构筑物
>
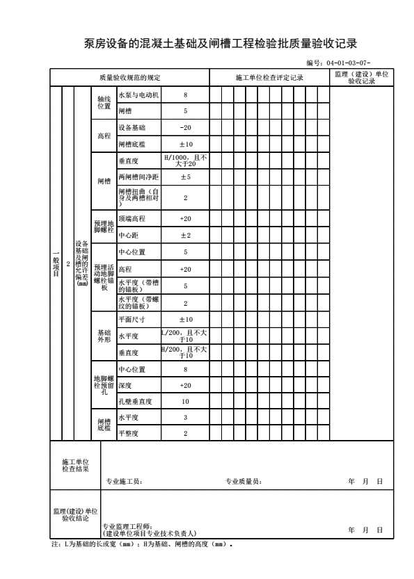
泵房设备的混凝土基础及闸槽工程检验批质量验收记录
上级...
泵房设备的混凝土基础及闸槽工程检验批质量验收记录
表格
下载表格
点击领取首张表格excel
点击查看大图
点击查看大图
下载表格
点击领取首张表格excel
×
下载表格
表格名称:泵房设备的混凝土基础及闸槽工程检验批质量验收记录
所需N币:
N币
(我有
)N币)
您的N币不足,请先充值。
充值N币
充值N币
下载
取消
×
分享页面
QQ分享
空间分享
微信分享
微博分享