锚杆静压桩检验批质量验收记录
一、检验批划分
按施工段、变形缝划分;对于工程量较少的分项工程可统一划分为一个验收批。
二、主控项目、一般项目
5.2.1 静力压桩包括锚杆静压桩及其他各种非冲击力沉桩。
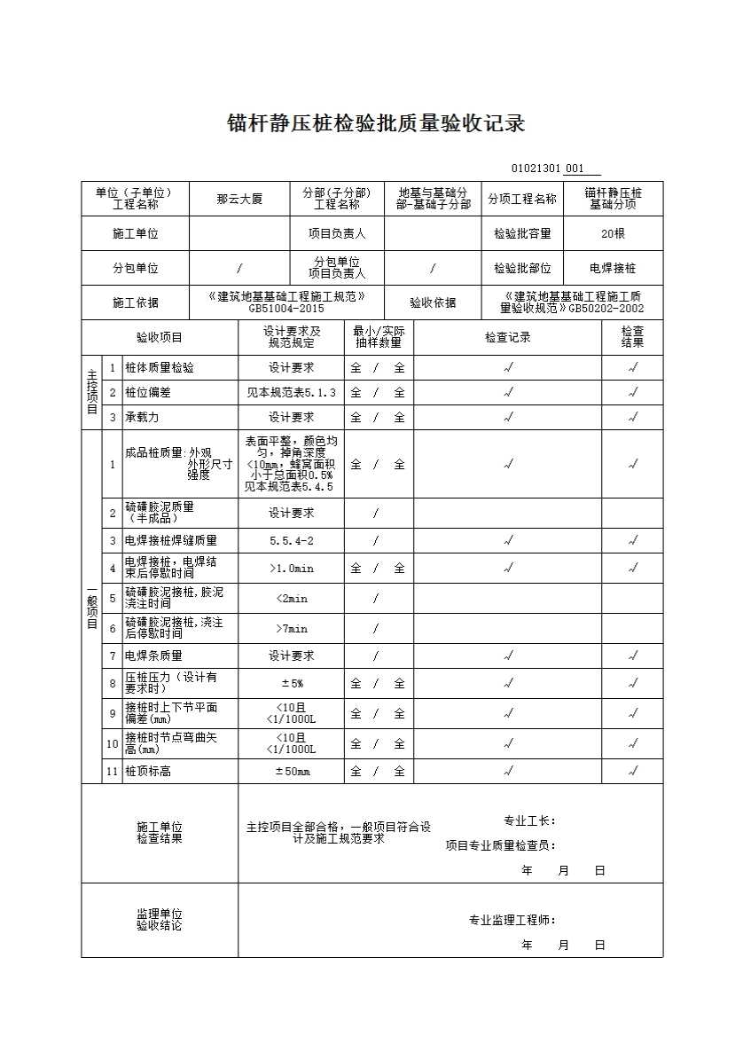
5.2.2 施工前应对成品桩(锚杆静压成品桩一般均由工厂制造,运至现场堆放)做外观及强度检验,接桩用焊条或半成品硫磺胶泥应有产品合格证书,或送有关部门检验,压桩用压力表、锚杆规格及质量也应进行检查。硫磺胶泥半成品应每100kg做一组试件(3件)。
5.2.3 压桩过程中应检查压力、桩垂直度、接桩间歇时间、桩的连接质量及压入深度。重要工程应对电焊接桩的接头做10%的探伤检查。对承受反力的结构应加强观测。
5.2.4 施工结束后,应做桩的承载力及桩体质量检验。
5.2.5 锚杆静压桩质量检验标准应符合表5.2.5的规定。
表5.2.5静力压桩质量检验标准
|
项 |
序 |
检查项目 |
允许偏差或允许值 |
检查方法 |
||||
|
单位 |
数值 |
|||||||
|
主 控 项 目 |
1 |
桩体质量检验 |
按基桩检测技术规范 |
按基桩检测技术规范 |
||||
|
2 |
桩位偏差 |
见本规范表7.1.3 |
用钢尺量 |
|||||
|
3 |
承载力 |
按基桩检测技术规范 |
按基桩检测技术规范 |
|||||
|
一 般 项 目
|
1 |
成品桩质量: 外观 外形尺寸 强度 |
表面平整,颜色均匀,掉角深度<10mm,蜂窝面积小于总面积0.5% 见本规范表7.4.5 满足设计要求 |
直观 见本规范表7.4.5查产品合格证书或钻芯试压 |
||||
|
2 |
硫磺胶泥质量(半成品) |
设计要求 |
查产品合格证书或抽样送检 |
|||||
|
3 |
接桩 |
电焊接桩:焊缝质量 电焊结束后 停歇时间
|
见本规范表7.5.4-2 |
见本规范表7.5.4-2 |
||||
|
min |
>1.0 |
秒表测定 |
||||||
|
秒表测定 秒表测定 |
||||||||
|
硫磺胶泥接桩:胶泥浇注时间 浇注后停歇时间 |
min min |
<2 >7 |
||||||
|
4 |
电焊条质量 |
设计要求 |
查产品合格证书 |
|||||
|
5 |
压桩压力(设计有要求时) |
% |
±5 |
查压力表读数 |
||||
|
6 |
接桩时上下节平面偏差接桩时节点弯曲矢高 |
mm |
<10 <1/1000l |
用钢尺量 用钢尺量 |
||||
|
7 |
桩顶标高 |
mm |
±50 |
水准仪 |
||||