上级...

表4.8 土工织物铺设单元工程施工质量验收评定表

填写规范


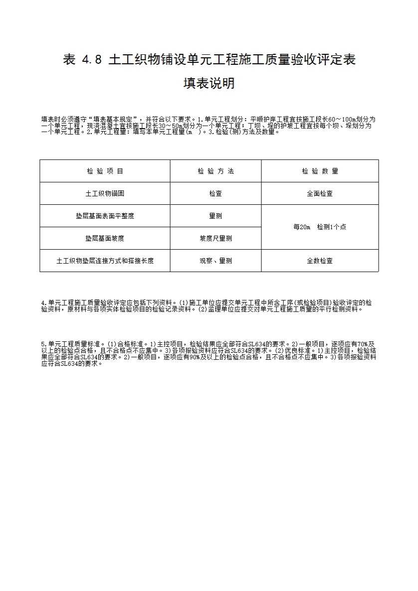
4.8 土工织物铺设单元工程施工质量验收评定表

填表说明

填表时必须遵守“填表基本规定”,并符合以下要求。1.单元工程划分:平顺护岸工程宜按施工段长60~100m划分为一个单元工程,现浇混凝土宜按施工段长30~50m划分为一个单元工程;丁坝、垛的护坡工程宜按每个坝、垛划分为一个单元工程。2.单元工程量:填写本单元工程量()。3.检验(测)方法及数量。

检 验 项 目

检 验 方 法

检 验 数 量

土工织物锚固

检查

全面检查

垫层基面表面平整度

量测

每20检测1个点

垫层基面坡度

坡度尺量测

土工织物垫层连接方式和搭接长度

观察、量测

全数检查

4.单元工程施工质量验收评定应包括下列资料。(1)施工单位应提交单元工程中所含工序(或检验项目)验收评定的检验资料,原材料与各项实体检验项目的检验记录资料。(2)监理单位应提交对单元工程施工质量的平行检测资料。

5.单元工程质量标准。(1)合格标准。1)主控项目,检验结果应全部符合SL634的要求。2)一般项目,逐项应有70%及以上的检验点合格,且不合格点不应集中。3)各项报验资料应符合SL634的要求。(2)优良标准。1)主控项目,检验结果应全部符合SL634的要求。2)一般项目,逐项应有90%及以上的检验点合格,且不合格点不应集中。3)各项报验资料应符合SL634的要求。