表 2.3.3 钢筋制作及安装工序施工质量验收评定表
填表说明
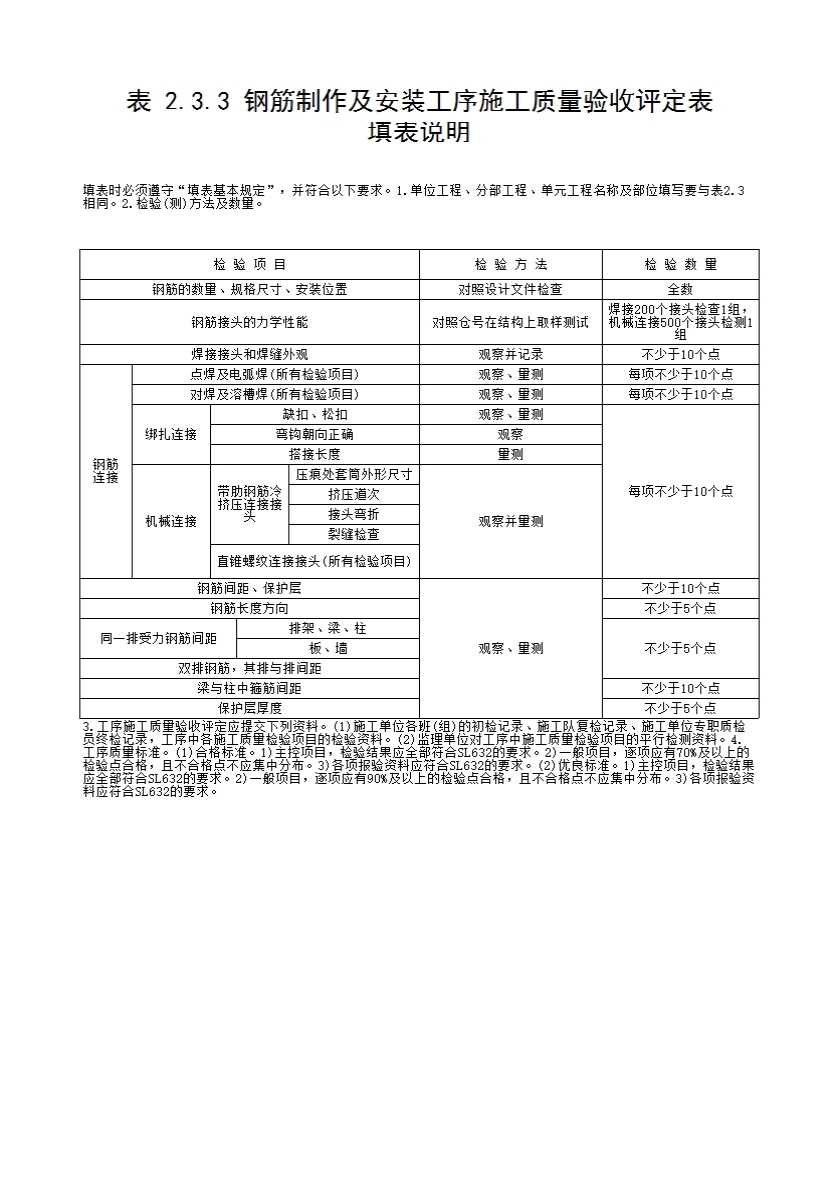
填表时必须遵守“填表基本规定”,并符合以下要求。1.单位工程、分部工程、单元工程名称及部位填写要与表2.3相同。2.检验(测)方法及数量。
|
检 验 项 目 |
检 验 方 法 |
检 验 数 量 |
||||
|
钢筋的数量、规格尺寸、安装位置 |
对照设计文件检查 |
全数 |
||||
|
钢筋接头的力学性能 |
对照仓号在结构上取样测试 |
焊接200个接头检查1组,机械连接500个接头检测1组 |
||||
|
焊接接头和焊缝外观 |
观察并记录 |
不少于10个点 |
||||
|
钢筋 连接 |
点焊及电弧焊(所有检验项目) |
观察、量测 |
每项不少于10个点 |
|||
|
对焊及溶槽焊(所有检验项目) |
观察、量测 |
每项不少于10个点 |
||||
|
绑扎连接 |
缺扣、松扣 |
观察、量测 |
每项不少于10个点 |
|||
|
弯钩朝向正确 |
观察 |
|||||
|
搭接长度 |
量测 |
|||||
|
机械连接 |
带肋钢筋冷挤压连接接头 |
压痕处套筒外形尺寸 |
观察并量测 |
|||
|
挤压道次 |
||||||
|
接头弯折 |
||||||
|
裂缝检查 |
||||||
|
直锥螺纹连接接头(所有检验项目) |
||||||
|
钢筋间距、保护层 |
观察、量测 |
不少于10个点 |
||||
|
钢筋长度方向 |
不少于5个点 |
|||||
|
同一排受力钢筋间距 |
排架、梁、柱 |
不少于5个点 |
||||
|
板、墙 |
||||||
|
双排钢筋,其排与排间距 |
||||||
|
梁与柱中箍筋间距 |
不少于10个点 |
|||||
|
保护层厚度 |
不少于5个点 |
|||||
3.工序施工质量验收评定应提交下列资料。(1)施工单位各班(组)的初检记录、施工队复检记录、施工单位专职质检员终检记录,工序中各施工质量检验项目的检验资料。(2)监理单位对工序中施工质量检验项目的平行检测资料。4.工序质量标准。(1)合格标准。1)主控项目,检验结果应全部符合SL632的要求。2)一般项目,逐项应有70%及以上的检验点合格,且不合格点不应集中分布。3)各项报验资料应符合SL632的要求。(2)优良标准。1)主控项目,检验结果应全部符合SL632的要求。2)一般项目,逐项应有90%及以上的检验点合格,且不合格点不应集中分布。3)各项报验资料应符合SL632的要求。