上级...

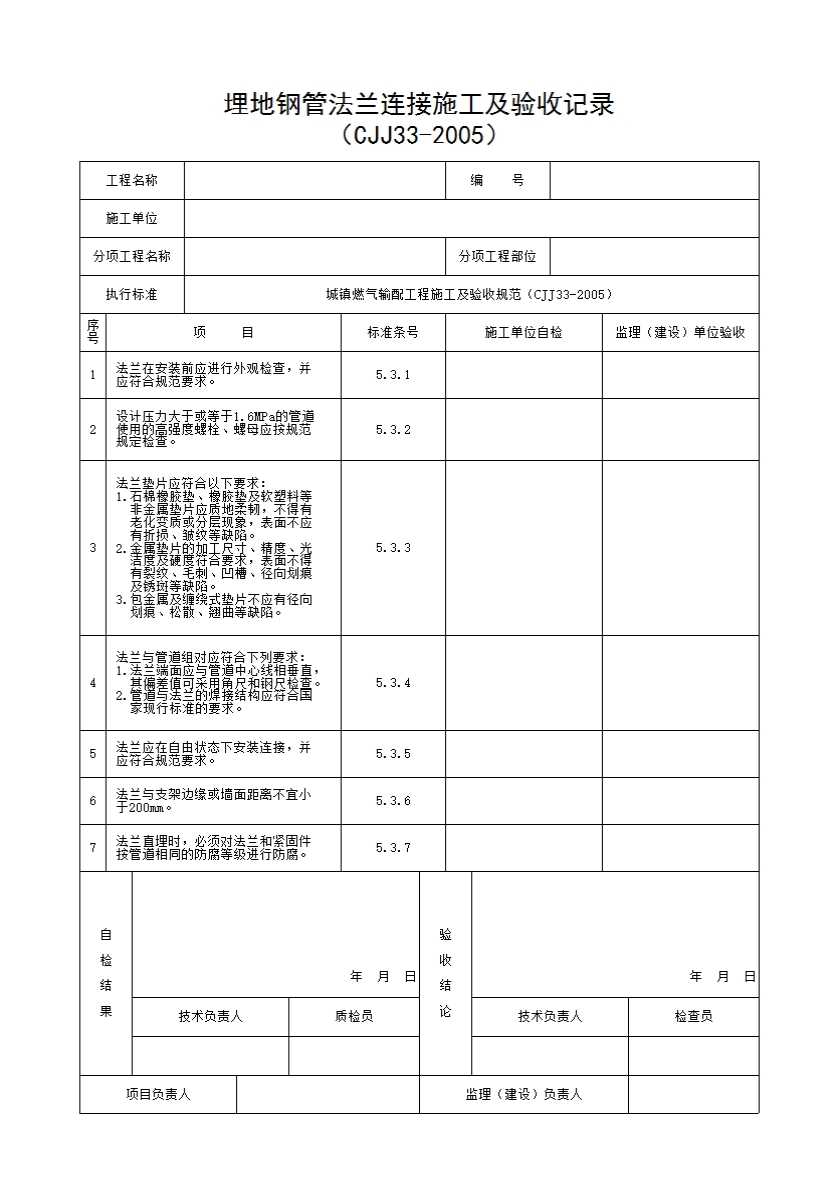
8 埋地钢管法兰连接施工及验收记录

填写规范


5.3法兰连接

5.3.1法兰在安装前应进行外观检查,并应符合下列要求:

1法兰的公称压力应符合 设计要求。

2法兰密封面应平整光洁,不得有毛刺及径向沟槽。法兰螺纹部分应完整,无损伤。凹凸面法兰应能自然嵌合,凸面的高度不得低于凹槽的深度。

3螺栓及螺母的螺纹应完整,不得有伤痕、毛刺等缺陷;螺栓与螺母应配合良好,不得有松动或卡涩现象。

5.3.2设计压力大于 或等于1.6MPa的管道使用的高强度螺栓螺母应按以下规定进行检查:

1螺栓、螺母应每批各取2个进行硬度检查,若有不合格,需加倍检查,如仍有不合格则应逐个检查,不合格者不得使用。

2硬度不合格 的螺栓应取该批中硬度值最高、最低的螺栓各1只,校验其机械性能,若不合格,再取其硬度最接近的螺栓加倍校验,如仍不合格,则该批螺栓不得使用。

5.3.3法兰垫片 应符合下列要求:

1石棉橡胶垫、 橡胶垫及软塑料等非金属垫片应质地柔韧,不得有老化变质或分层现象,表面不应有折损、皱纹等缺陷。

2金属垫片的加工尺寸、精度、光洁度及硬度应符合要求,表面不得有裂纹、毛刺、凹槽、径向划痕及锈斑等缺陷。

3包金属及缠绕式垫片不应有径向划痕、松散、翘曲等缺陷。

5.3.4法兰与管道组对应符合下列要求:

1法兰端面应与管道中心线相垂直,其偏差值可采用角尺和钢尺检查,当管道公称直径小于或等于300mm时,允许偏差值为1mm;当管道公称直径大于300mn时,允许偏差值为2mm。

2管道 与法兰的焊接结构应符合国家现行标准《管路法兰及垫片》JB/T 74中附录C的要求。

5.3.5法兰应在自由状态下安装连接,并应符合下列要求:

1法兰连接时应保持平行,其偏差不得大于法兰外径的1.5%o,且不得大于2mm,不得采用紧螺栓的方法消除偏斜。

2法兰连接应保持同一轴线, 其螺孔中心偏差不宜超过孔径的5%,并应保证螺栓自由穿人。

3法兰垫片应符合标准,不得使用斜垫片或双层垫片。采用软垫片时,周边应整齐,垫片尺寸应与法兰密封面相符。

4螺栓与螺孔的直径应配套, 并使用同一规格螺栓,安装方向致,紫固螺栓应对称均匀,紧固适度,紧固后螺栓外露长度不应大于1倍螺距,且不得低于螺母。

5螺栓紧固后应与法兰紧贴,不得有楔缝。需要加垫片时,每个螺栓所加垫片每侧不应超过1个。.

5.3.6法兰 与支架边缘或墙面距离不宜小于200mm。

5.3.7法兰直埋时, 必须对法兰和紧固件按管道相同的防腐等级进行防腐。