上级...

表 C.0.69 钢材化学成分检验报告

填写规范


4.8.31 钢筋焊接检验报告的基本要求和内容应符合下列规定:

1 凡采用焊接的受力钢筋均应有力学性能检验报告,其被焊接母材质量检验结果必须符合设计及有关标准规定。

2 在工程开工正式焊接之前,参与该项施焊的焊工应进行现场条件下的焊接工艺试验,并经试验合格后,方可正式生产。

3 不同的钢筋接头其力性能检验应从外观检查合格的成品接头或制品中按批随机抽取试件分别作拉伸、弯曲或抗剪等检验,并提供检验报告(见附录 C 质控(市政)表 C.0.69C.0.70),批量应符合下列要求:

1)凡钢筋牌号、直径及尺寸相同的焊接网和焊接骨架为同一验收批,且每 300 件为一批,一周内不足 300 件亦按一批;

2)闪光对焊以同一台班,同一焊工完成的 300 个同牌号、同直径的钢筋焊接接头作为一批,当同一台班内焊接的接头数量较少时,可在一周内累计,若累计仍不足 300 个接头亦按一批;

3)钢筋电弧焊在现浇混凝土结构中,以 300 个同牌号钢筋、同型式接头作为一批;在房屋结构中,应在不超过二楼层中 300 个同牌号钢筋、同型式接头作为一批,不足 300 个仍按一批;

4)钢筋电渣压力焊和钢筋气压焊在现浇混凝土结构中,以 300 个同牌号钢筋、同型式接头作为一批;在房屋结构中,应在不超过二楼层中 300 个同牌号钢筋、同型式接头作为一批,不足 300个仍按一批;

5)预埋件钢筋电弧压力焊 T 型接头以 300 件同类型预埋件为一批。一周内连续焊接时,可以累计,不足 300 件时亦按一批。

4 钢筋焊接检验报告应注明每个试件检验结果数据及结论,并说明破坏部位及破坏状态;焊接接头弯曲检验应注明弯心直径、弯曲角度及每根试件弯曲后在焊缝处是否发生断裂,并判断该组试件的拉伸及弯曲检验结果是否合格。

5 钢筋焊接接头、焊接制品力学性能各项目的检验结果判定应符合现行行业标准《钢筋焊接及验收规程》JGJ18 的要求。

6 凡施焊用的各种钢筋及型钢均应有质量证明书;焊条、焊剂应有产品合格证,焊条的规格、型号必须与设计要求一致。当设计未作规定时,钢筋电弧焊焊条牌号应按现行行业标准《钢筋焊接及验收规程》JGJ18 的规定选用。进行电渣压力焊和埋弧焊若设计对焊剂的牌号未作规定时可采用 431 焊剂或其它性能相似的焊剂。

7 对焊条质量有怀疑时应按批抽样检验,并提供焊条检验报告。

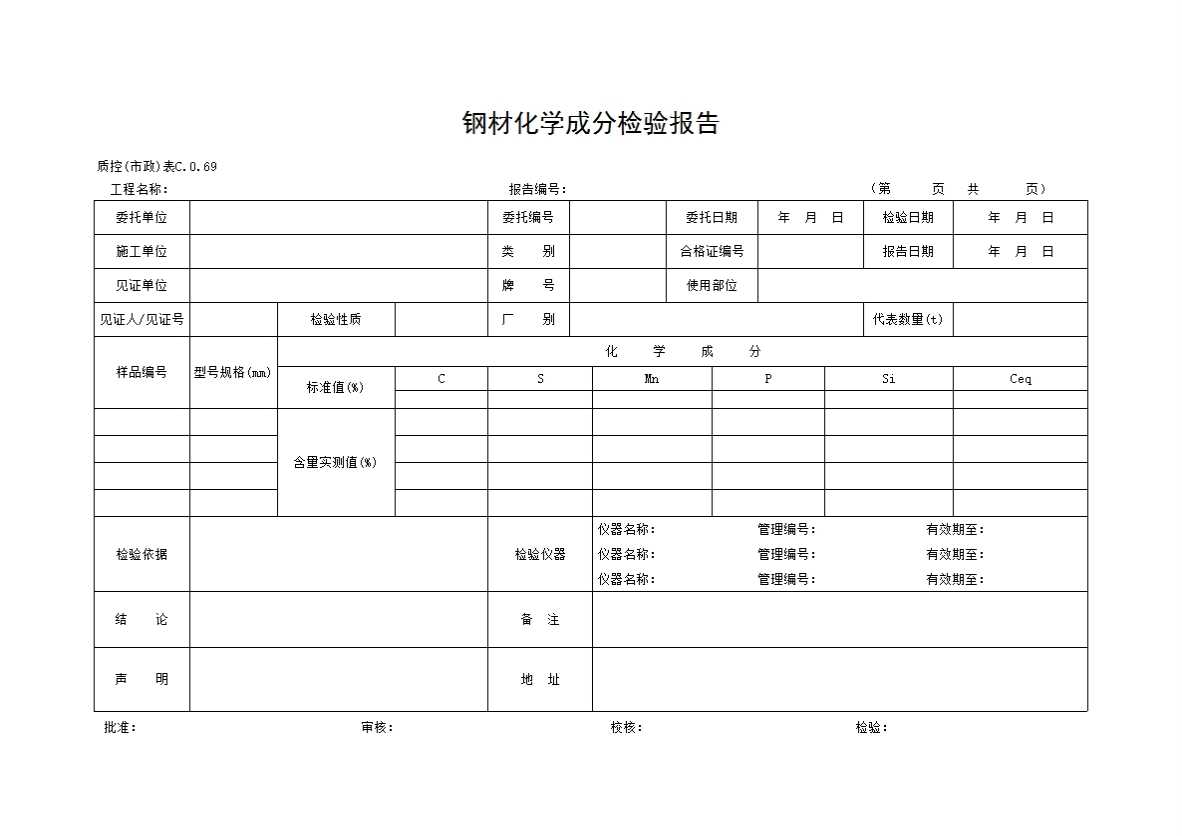
8 进口钢筋在力学性能符合要求的情况下,焊接前应先进行化学成分检验和焊接工艺检验,提供检验报告(见附录 C 质控(市政)表 C.0.18)。当碳、硫、磷、锰、硅含量、碳当量及可焊性检验符合要求后,方可用于工程焊接。

4.8.32 钢筋焊接检验报告应按下列办法进行核查:

1 核查检验报告中检验项目、内容是否按规定填写完整,试件取样数量是否符合要求,检验结果及结论是否正确。

2 对照钢筋隐蔽验收记录,核查钢材焊接是否按规定逐批抽样检验,批量总和是否和用量一致。

3 采用电弧焊和埋弧焊、电渣压力焊的接头等,应分别核查焊条、焊剂、连接件等的出厂合格证或检验报告是否符合要求。

4 核查进口钢材应提供的资料是否齐全,化学成分检验及可焊性检验是否符合有关规定。

5 对照施工技术资料,核查接头是否先隐蔽后提供检验报告。

6 核查焊接操作人员资格是否符合要求。

4.8.33 钢筋焊接检验报告凡出现下列情况之一,应核定为“不符合要求”。

1 不按规定提供检验报告或应见证而未实施见证的;

2 钢材接头力学性能检验报告中,缺少主要项目或任一指标不符合检验标准,又未按规定进行复验,且无鉴定处理意见。

3 焊接检验报告所代表的批量之和少于实际接头数量。

4 电弧焊、电渣压力焊、接头所使用的焊条、焊剂、连接件无合格证及检验报告。

5 进口钢材焊接前没做化学成分检验或化学检验报告中的碳、硫、磷、锰、硅、及碳当量不符合有关规定,且未做可焊性检验。