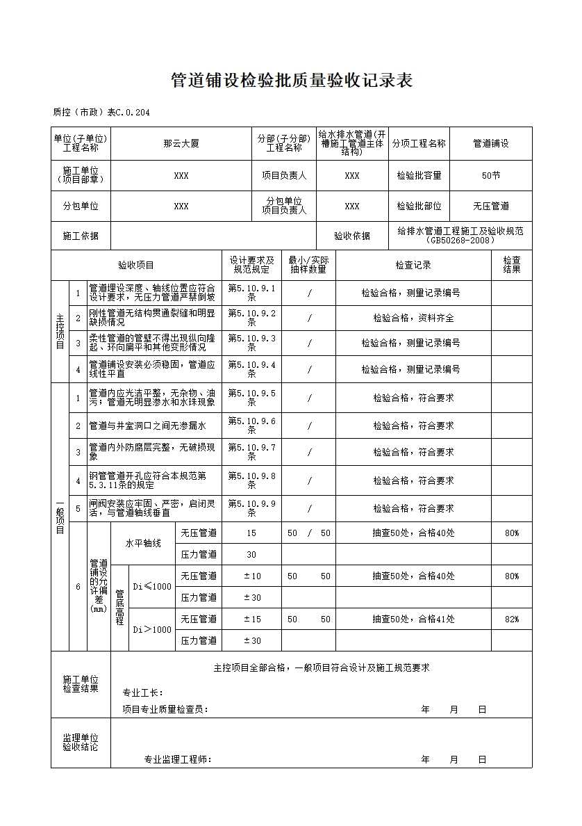
管道铺设施工质量验收标准
5.10.9 管道铺设应符合下列规定:
主控项目
1 管道埋设深度、轴线位置应符合设计要求,无压力管道严禁倒坡;
检查方法:检查施工记录、测量记录。
2 刚性管道无结构贯通裂缝和明显缺损情况;
检查方法:观察,检查技术资料。
3 柔性管道的管壁不得出现纵向隆起、环向扁平和其他变形情况;
检查方法:观察,检查施工记录、测量记录。
4 管道铺设安装必须稳固,管道安装后应线形平直;
检查方法:观察,检查测量记录。
一般项目
5 管道内应光洁平整,无杂物、油污;管道无明显渗水和水珠现象;
检查方法:观察,渗漏水程度检查按本规范附录F第F.0.3条执行。
6 管道与井室洞口之间无渗漏水;
检查方法:逐井观察,检查施工记录。
7 管道内外防腐层完整,无破损现象;
检查方法:观察,检查施工记录。
8 钢管管道开孔应符合本规范第5.3.11条的规定;
检查方法:逐个观察,检查施工记录。
9 闸阀安装应牢固、严密,启闭灵活,与管道轴线垂直;
检查方法:观察检查,检查施工记录。
10 管道铺设的允许偏差应符合表5.10.9的规定。
表5.10.9 管道铺设的允许偏差(mm)
|
检查项目 |
允许偏差 |
检查数量 |
检查方法 |
||||
|
范围 |
点数 |
||||||
|
1 |
水平轴线 |
无压管道 |
15 |
每节管 |
1点 |
经纬仪测量或挂中心用钢尺量测 |
|
|
压力管道 |
30 |
||||||
|
2 |
管底高程 |
Di≤1000 |
无压管道 |
±10 |
水准仪测量 |
||
|
压力管道 |
±30 |
||||||
|
Di>1000 |
无压管道 |
±15 |
|||||
|
压力管道 |
±30 |
||||||