|
云上资料软件
登录
/
注册
免费注册
登录
首页
软件下载
购买
首页
资料软件
(下载)
云上资料软件
(下载)
在线表格
求职招聘
服务平台
那云知道
当前位置:
表格库
>
福建
>
市政
>
市政工程质量验收资料
>
城镇道路
>
基层工程
>
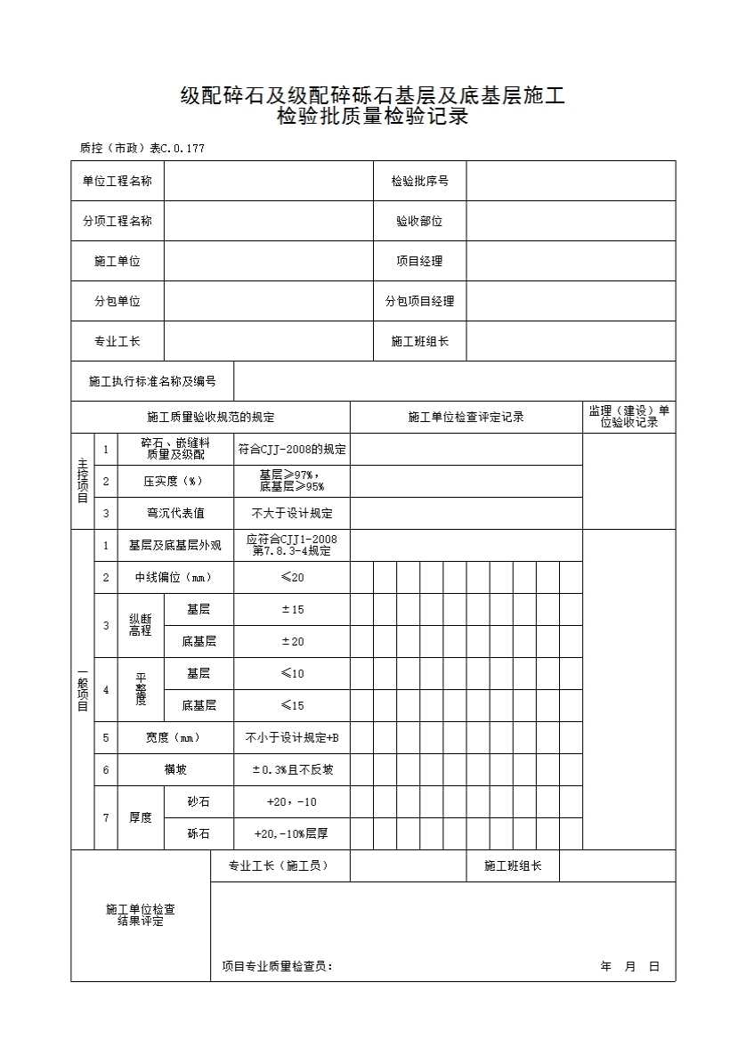
级配碎石及级配碎砾石基层及底基层施工
上级...
级配碎石及级配碎砾石基层及底基层施工
表格
下载表格
点击领取首张表格excel
点击查看大图
点击查看大图
下载表格
点击领取首张表格excel
×
下载表格
表格名称:级配碎石及级配碎砾石基层及底基层施工
所需N币:
N币
(我有
)N币)
您的N币不足,请先充值。
充值N币
充值N币
下载
取消
×
分享页面
QQ分享
空间分享
微信分享
微博分享