水性涂料涂饰检验批质量验收记录
验收依据:《建筑装饰装修工程质量验收标准》GB 50210-2018
检验批划分:
1 室外涂饰工程每一栋楼的同类涂料涂饰的墙面每1000m2应划分为一个检验批,不足1000m2 也应划分为一个检验批;
2 室内涂饰工程同类涂料涂饰墙面每50 间应划分为一个检验批,不足50 间也应划分为一个检验批,大面积房间和走廊可按涂饰面积每30m2 计为1 间。
检查数量:
1 室外涂饰工程每100m2 应至少检查一处,每处不得小于l0m2;
2 室内涂饰工程每个检验批应至少抽查10% ,并不得少于3 间;不足3 间时应全数检查。
主控项目:
12. 2. 1 水性涂料涂饰工程所用涂料的品种、型号和性能应符合设计要求及国家现行标准的有关规定。
检验方法:检查产品合格证书、性能检验报告、有害物质限量检验报告和进场验收记录。
12. 2. 2 水性涂料涂饰工程的颜色、光泽、图案应符合设计要求。
检验方法:观察。
12.2.3 水性涂料涂饰工程应涂饰均匀、粘结牢固,不得漏涂、透底、开裂、起皮和掉粉。
检验方法:观察;手摸检查。
12. 2. 4 水性涂料涂饰工程的基层处理应符合本标准第12. 1. 5条的规定。
检验方法:观察;手摸检查;检查施工记录。
一般项目:
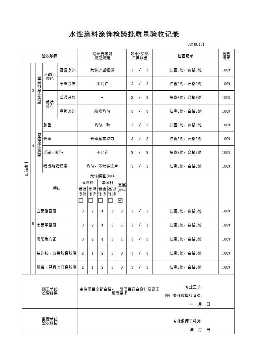
12. 2. 5 薄涂料的涂饰质量和检验方法应符合表12. 2. 5 的规定。
12.2.8 涂层与其他装修材料和设备衔接处应吻合,界面应清晰。
检验方法:观察。
12.2.9 墙面水性涂料涂饰工程的允许偏差和检验方法应符合表12.2.9 的规定。
