上级...

03090201_金属幕墙安装检验批质量验收记录

填写规范


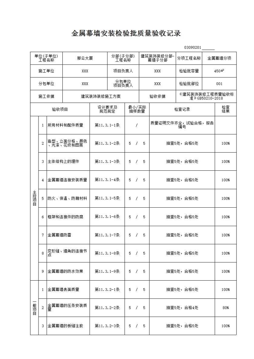
金属幕墙安装检验批质量验收记录

验收依据:《建筑装饰装修工程质量验收标准》GB 50210-2018

检验批划分:

1 相同设计、材料、工艺和施工条件的幕墙工程每1000m2应划分为一个检验批,不足l000m2 也应划分为一个检验批;

2 同一单位工程不连续的幕墙工程应单独划分检验批;

3 对于异形或有特殊要求的幕墙,检验批的划分应根据幕墙的结构、工艺特点及幕墙工程规模,由监理单位(或建设单位)和施工单位协商确定。

检查数量:

每100㎡应至少抽查一处,每处不得小于10㎡。

主控项目:

1 金属幕墙工程所用材料和配件质量;

2 金属幕墙的造型、立面分格、颜色、光泽、花纹和图案;

3 金属幕墙主体结构上的埋件;

4 金属幕墙连接安装质量;

5 金属幕墙的防火、保温、防潮材料的设置;

6 金属框架和连接件的防腐处理;

7 金属幕墙防雷;

8 变形缝、墙角的连接节点;

9 金属幕墙防水效果。

一般项目:

1 金属幕墙表面质量;

2 金属幕墙的压条安装质量;

3 金属幕墙板缝注胶;

4 金属幕墙流水坡向和滴水线;

5 金属板表面质量;

6 金属幕墙安装偏差。

示例