上级...

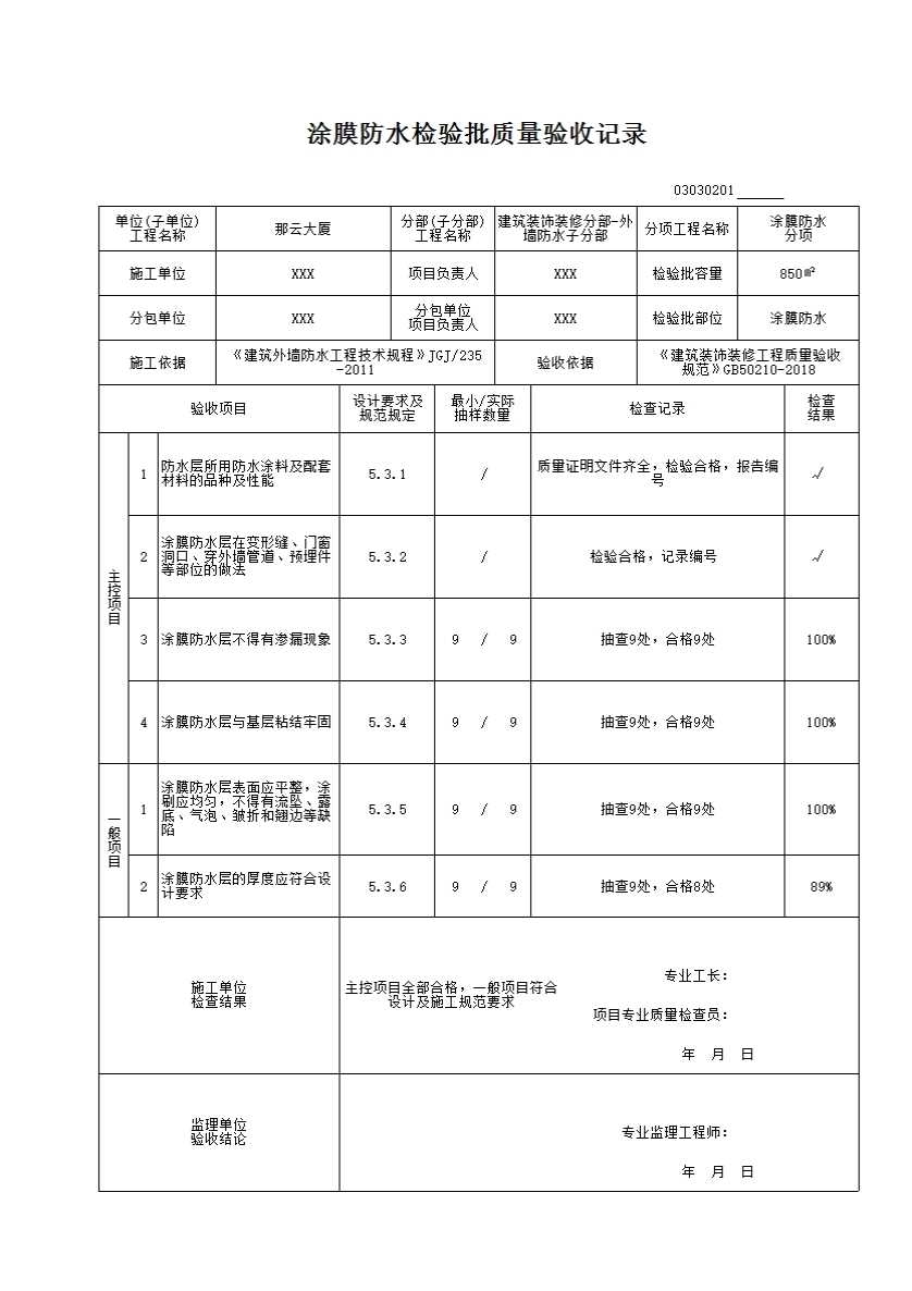
03030201_外墙涂膜防水检验批质量验收记录

填写规范


涂膜防水检验批质量验收记录

验收依据:《建筑装饰装修工程质量验收标准》GB 50210-2018

检验批划分:

相同材料、工艺和施工条件的外墙防水工程每1000m2 应划分为一个检验批,不足1000m2 时也应划分为一个检验批。

检查数量:

每个检验批每100m2 应至少抽查一处,每处检查不得小于10m2 ,节点构造应全数进行检查。

主控项目:

5. 3. 1 涂膜防水层所用防水涂料及配套材料的品种及性能应符合设计要求及国家现行标准的有关规定。

检验方法:检查产品出厂合格证书、性能检验报告、进场验收记录和复验报告。

5.3.2 涂膜防水层在变形缝、门窗洞口、穿外墙管道、预埋件等部位的做法应符合设计要求。

检验方法:观察;检查隐蔽工程验收记录。

5.3.3 涂膜防水层不得有渗漏现象。

检验方法:检查雨后或现场淋水检验记录。

5.3.4 涂膜防水层与基层之间应粘结牢固。

检验方法:观察。

一般项目:

5.3.5 涂膜防水层表面应平整,涂刷应均匀,不得有流坠、露底、气泡、皱折和翘边等缺陷。

检验方法:观察。

5.3.6 涂膜防水层的厚度应符合设计要求。

检验方法:针测法或割取20mm × 20mm 实样用卡尺测量。

示例