上级...

07050301 导管敷设检验批质量验收记录

填写规范


导管敷设检验批质量验收记录

一、检验批划分:按施工段、变形缝划分;对于工程量较少的分项工程可统一划分为一个验收批。

12.1 主控项目

12.1.1 金属导管应与保护导体可靠连接,并应符合下列规定:

1 镀锌钢导管、可弯曲金属导管和金属柔性导管不得熔焊连接;

2 当非镀锌钢导管采用螺纹连接时,连接处的两端应熔焊焊接保护联结导体;

3 镀锌钢导管、可弯曲金属导管和金属柔性导管连接处的两端宜采用专用接地卡固定保护联结导体;

4 机械连接的金属导管,管与管、管与盒(箱)体的连接配件应选用配套部件,其连接应符合产品技术文件要求,当连接处的接触电阻值符合现行国家标准《电气安装用导管系统 第1部分:通用要求》GB/T 20041.1的相关要求时,连接处可不设置保护联结导体,但导管不应作为保护导体的接续导体;

5  金属导管与金属梯架、托盘连接时,镀锌材质的连接端宜用专用接地卡固定保护联结导体,非镀锌材质的连接处应熔焊焊接保护联结导体;

6 以专用接地卡固定的保护联结导体应为铜芯软导线,截面积不应小于4m㎡;以熔焊焊接的保护联结导体宜为圆钢,直径不应小于6 mm,其搭接长度应为圆钢直径的6倍。

检查数量:按每个检验批的导管连接头总数抽查10%,且各不得少于1处,并应能覆盖不同的检查内容。

检查方法:施工时观察检查并查阅隐蔽工程检查记录。

12.1.2 钢导管不得采用对口熔焊连接;镀锌钢导管或壁厚小于或等于2mm的钢导管,不得采用套管熔焊连接。

检查数量:按每个检验批的钢导管连接头总数抽查20%,并应能覆盖不同的连接方式,且各不得少于1处。

检查方法:施工时观察检查。

11.2.3 当塑料导管在砌体上剔槽埋设时,应采用强度等级不小于M10的水泥砂浆抹面保护,保护层厚度不应小于15mm。

检查数量:按每个检验批的配管回路数量抽查20%,且不得少于1个回路。

检查方法:观察检查并用尺量检查,查阅隐蔽工程检查记录。

12.1.4 导管穿越密闭或防护密闭隔墙时,应设置预埋套管,预埋套管的制作和安装应符合设计要求,套管两瑞伸出墙面的长度宜为30mm~50mm,导管穿越密闭穿墙套管的两侧应设置过线盒,并应做好封堵。

检查数量:按套管数量抽查20%,且不得少于1个。

检查方法:观察检查,查阅隐蔽工程检查记录。

12.2 一般项目

12.2.1 导管的弯曲半径应符合下列规定:

1 明配导管的弯曲半径不宜小于管外径的6倍,当两个接线盒间只有一个弯曲时,其弯曲半径不宜小于管外径的4倍;

2 埋设于混凝土内的导管的弯曲半径不宜小于管外径的6倍,当直埋于地下时,其弯曲半径不宜小于管外径的10倍;

3 电缆导管的弯曲半径不应小于电缆最小允许弯曲半径,电缆最小允许弯曲半径应符合本规范表11. 1. 2的规定。

检查数量:按每个检验批的导管弯头总数抽查10%,且各不得少于1个弯头,并应覆盖不同规格和不同敷设方式的导管。

检查方法:观察检查并用尺量检查,查阅隐蔽工程检查记录。

12.2.2 导管支架安装应符合下列规定:

1 除设计要求外,承力建筑钢结构构件上不得熔焊导管支架,且不得热加工开孔;

2 当导管采用金属吊架固定时,圆钢直径不得小于 8mm,并应设置防晃支架,在距离盒(箱)、分支处或端部0.3~0.5m处应设置固定支架;

3 金属支架应进行防腐,位于室外及潮湿场所的,按设计要求做处理;

4 导管支架应安装牢固、无明显扭曲。

检查数量:第1款全数检查,第2款~第4款按每个检验批的支吊架总数抽查10%,且各不得少于1处。

检查方法:观察检查并用尺量检查。

12.2.3 除设计要求外,对于暗配的导管,导管表面埋设深度与建筑物、构筑物表面的距离不应小于15mm。

检查数量:按每个检验批的配管回路数量抽查10%,且不得少于1个回路。

检查方法:观察检查并用尺量检查。

12.2.4 进人配电(控制)柜、台、箱内的导管管口,当箱底无封板时,管口应高出柜、台、箱、盘的基础面50mm~80mm 。

检查数量:按每个检验批的落地式柜、台、箱、盘总数抽查10%,且不得少于1台。

检查方法:观察检查并用尺量检查,查阅隐蔽工程检查记录。

12.2.5 室外导管敷设应符合下列规定:

1 对于埋地敷设的钢导管,埋设深度应符合设计要求,钢导管的壁厚应大于2mm;

2 导管的管口不应敞口垂直向上,导管管口应在盒、箱内或导管端部设置防水弯;

3 由箱式变电所或落地式配电箱引向建筑物的导管,建筑物一侧的导管管口应设在建筑物内;

4 导管的管口在穿人绝缘导线、电缆后应做密封处理。

检查数量:按每个检验批各种敷设形式的总数抽查20%,且各不得少于1处。

检查方法:观察检查并用尺量检查,查阅隐蔽工程检查记录。

12.2.6 明配的电气导管应符合下列规定:

1 导管应排列整齐、固定点间距均匀、安装牢固;

2 在距终端、弯头中点或柜、台、箱、盘等边缘150mm ~ 500mm范围内应设有固定管卡,中间直线段固定管卡间的最大距 离应符合表12. 2. 6的规定;

3 明配管采用的接线或过渡盒(箱)应选用明装盒(箱)。

检查数量:按每个检验批的导管固定点或盒(箱)的总数各抽查20%,且各不得少于1处。

检查方法:观察检查并用尺量检查。

12. 2. 6管卡间的最大距离

敷设方式

导管种类

导管直径(mm)

15~20

25~32

40~50

65以上

管卡间最大距离(m)

支架或沿墙明敷

壁厚>2mm刚性钢导管

1.5

2.0

2.5

3.5

壁厚≤2mm刚性钢导管

1.0

1.5

2.0

刚性塑料导管

1.0

1.5

2.0

2.0

12.2.7 塑料导管敷设应符合下列规定:

1 管口应平整光滑,管与管、管与盒(箱)等器件采用插人法连接时,连接处结合面应涂专用胶合剂,接口应牢固密封;

2 直埋于地下或楼板内的刚性塑料导管,在穿出地面或楼板易受机械损伤的一段应采取保护措施;

3 当设计无要求时,埋设在墙内或混凝土内的塑料导管应采用中型及以上的导管;

4 沿建筑物、构筑物表面和在支架上敷设的刚性塑料导管,应按设计要求装设温度补偿装置。

检查数量:第2款、第4款全数检查,其余按每个检验批的接头或导管数量各抽查10%,且各不得少于1处。

检查方法:观察检查和手感检查,查阅隐蔽工程检查记录,核查材料合格证明文件和材料进场验收记录。

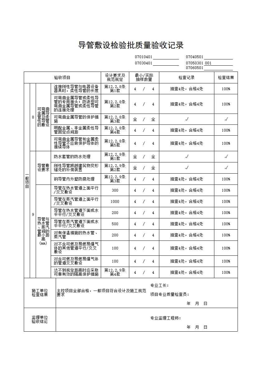
12.2.8 可弯由金属导管及柔性导管敷设应符合下列规定:

1 刚性导管经柔性导管与电气设备、器具连接时,柔性导管的长度在动力工程中不宜大于0. 8m,在照明工程中不宜大于1. 2m。

2 可弯曲金属导管或柔性导管与刚性导管或电气设备、器具间的连接应采用专用接头;防液型可弯曲金属导管或柔性导管的连接处应密封良好,防液覆盖层应完整无损。

3 当可弯曲金属导管有可能受重物压力或明显机械撞击时,应采取保护措施。

4 明配的全属、非金属柔性导管固定点间距应均匀,不应大于lm,管卡与设备、器具、弯头中点、管端等边缘的距离应小于0. 3m。

5 可弯曲全属导管和金属柔性导管不应做保护导体的接续导体。

检查数量:第1款、第2款、第5款按每个检验批的导管连接点或导管总数抽查10%,且各不得少于1处;第3款全数检查;第4款按每个检验批的导管固定点总数抽查10%,且各不得少于1处并应能覆盖不同的导管和不同的固定部位。

检查方法:观察检查并用尺量检查,查阅隐蔽工程检查记录。

12.2.9 导管敷设应符合下列规定:

1 导管穿越外墙时应设置防水套管,且应做好防水处理;

2 钢导管或刚性塑料导管跨越建筑物变形缝处应设置补偿装置;

3 除埋设于混凝土内的钢导管内壁应防腐处理,外壁可不防腐处理外,其余场所敷设的钢导管内、外壁均应做防腐处理;

4 导管与热水管、蒸气管平行敷设时,宜敷设在热水管、蒸气 管的下面,当有困难时,可敷设在其上面;相互间的最小距离宜符合本规范附录G的规定。

检查数量:第1款、第2款全数检查,第3款、第4款按每个检验批的导管总数抽查10%,且各不得少于1根(处),并应覆盖不同的敷设场所及不同规格的导管。

检查方法:观察检查并查阅隐蔽工程检查记录。

示例