上级...

06050801_空气处理设备安装检验批质量验收记录(Ⅱ)(空调系统)

填写规范


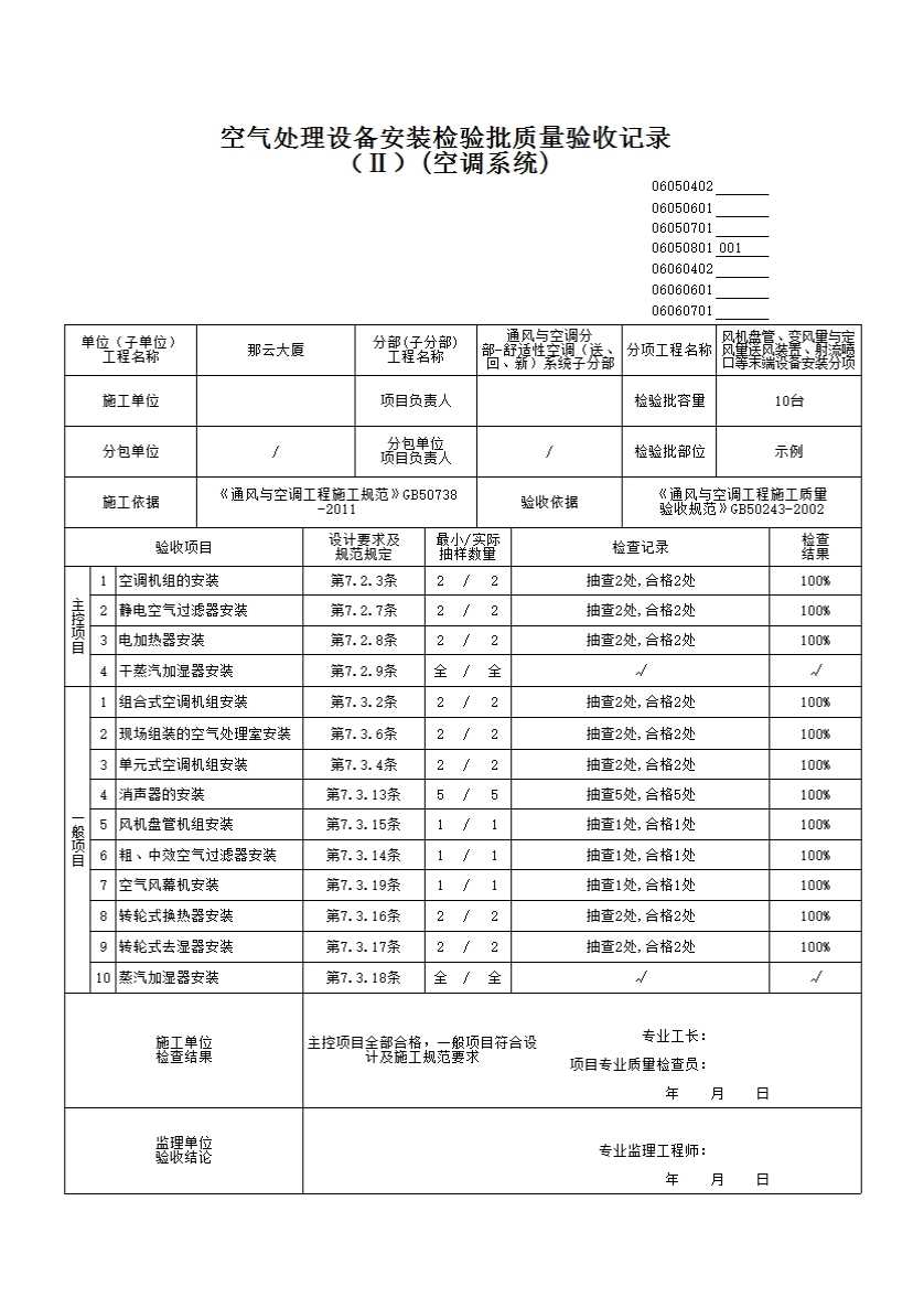
空气设备处理安装检验批质量验收记录(空调系统)

本表适用于工作压力不大于5KPa的风机设备安装质量的检验与验收

一、检验批划分

应按一个设计系统或设备组别划分为一个检验批。

二、主控项目

7.2.3 空调机组的安装应符合下列规定:

1 型号、规格、方向和技术参数应符合设计要求;

2 现场组装的组合式空气调节机组应做漏风量的检测,其漏风量必须符合现行国家标准《组合式空调机组》GB/T14294的规定。

检查数量:按总数抽检20%,不得少于1台。净化空调系统的机组,1~5 全数检查,6~9级抽查50%。

检查方法:依据设计图核对,检查测试记录。

7.2.7 静电空气过滤器金属外壳接地必须良好。

检查数量:按总数抽查20%,不得少于1台。

检查方法:核对材料、观察检查或电阻测定。

7.2.8 电加热器的安装必须符合下列规定:

1 电加热器与钢构架间的绝热层必须为不燃材料;接线柱外露的应加设安全防护罩;

2 电加热器的金属外壳接地必须良好;

3 连接电加热器的风管的法兰垫片,应采用耐热不燃材料。

检查数量:按总数抽查20%,不得少于1台。

检查方法:核对材料、观察检查或电阻测定。

7.2.9 干蒸汽加湿器的安装,蒸汽喷管不应朝下。

检查数量:全数检查。

检查方法:观察检查。

三、一般项目

7.3.2 组合式空调机组及柜式空调机组的安装应符合下列规定:

1 组合式空调机组各功能段的组装,应符合设计规定的顺序和要求;各功能段之间的连接应严密,整体应平直;

2 机组与供回水管的连接应正确,机组下部冷凝水排放管的水封高度应符合设计要求;

3 机组应清扫干净,箱体内应无杂物、垃圾和积尘;

4 机组内空气过滤器(网)和空气热交换器翅片应清洁、完好。

检查数量:按总数抽查20%,不得少于1台。

检查方法:观察检查。

7.3.4 单元式空调机组的安装应符合下列规定:

1 分体式空调机组的室外机和风冷整体式空调机组的安装,固定应牢固、可靠;除应满足冷却风循环空间的要求外,还应符合环境卫生保护有关法规的规定;

2 分体式空调机组的室内机的位置应正确、并保持水平,冷凝水排放应畅通。管道穿墙处必须密封,不得有雨水渗入;

3 整体式空调机组管道的连接应严密、无渗漏,四周应留有相应的维修空间。

检查数量:按总数抽查20%,不得少于1台。检查方法:观察检查。

7.3.6 现场组装的静电除尘器的安装,还应符合设备技术文件及下列规定:

1 阳极板组合后的阳极排平面度允许偏差为5mm,其对角线允许偏差为10mm;

2 阴极小框架组合后主平面的平面度允许偏差为5mm,其对角线允许偏差为10mm;

3 阴极大框架的整体平面度允许偏差为15mm,整体对角线允许偏差为10mm;

4 阳极板高度小于或等于7m 的电除尘器,阴、阳极间距允许偏差为5mm。阳极板高度大于7m的电除尘器,阴、阳极间距允许偏差为10mm;

5 振打锤装置的固定,应可靠;振打锤的转动,应灵活。锤头方向应正确;振打锤头与振打砧之间应保持良好的线接触状态,接触长度应大于锤头厚度的0.7倍。

检查数量:按总数抽查20%,不得少于1组。

检查方法:尺量、观察检查及检查施工记录。

7.3.13 消声器的安装应符合下列规定:

1 消声器安装前应保持干净,做到无油污和浮尘;

2 消声器安装的位置、方向应正确,与风管的连接应严密,不得有损坏与受潮。两组同类型消声器不宜直接串联;

3 现场安装的组合式消声器,消声组件的排列、方向和位置应符合设计要求。单个消声器组件的固定应牢固;

4 消声器、消声弯管均应设独立支、吊架。

检查数量:整体安装的消声器,按总数抽查10%,且不得少于5 台。现场组装的消声器全数检查。

检查方法:手扳和观察检查、核对安装记录。

7.3.14 空气过滤器的安装应符合下列规定:

1 安装平整、牢固,方向正确。过滤器与框架、框架与围护结构之间应严密无穿透缝;

2 框架式或粗效、中效袋式空气过滤器的安装,过滤器四周与框架应均匀压紧,无可见缝隙,并应便于拆卸和更换滤料;

3 卷绕式过滤器的安装,框架应平整、展开的滤料,应松紧适度、上下筒体应平行。

检查数量:按总数抽查10%,且不得少于1台。

检查方法:观察检查。

7.3.15 风机盘管机组的安装应符合下列规定:

1 机组安装前宜进行单机三速试运转及水压检漏试验。试验压力为系统工作压力的1.5 倍,试验观察时间为2min,不渗漏为合格;

2 机组应设独立支、吊架,安装的位置、高度及坡度应正确、固定牢固;

3 机组与风管、回风箱或风口的连接,应严密、可靠。

检查数量:按总数抽查10%,且不得少于1台。

检查方法:观察检查、查阅检查试验记录。

7.3.16 转轮式换热器安装的位置、转轮旋转方向及接管应正确,运转应平稳。

检查数量:按总数抽查20%,且不得少于1台。

检查方法:观察检查。

7.3.17 转轮去湿机安装应牢固,转轮及传动部件应灵活、可靠,方向正确;处理空气与再生空气接管应正确;排风水平管须保持一定的坡度,并坡向排出方向。

检查数量:按总数抽查20%,且不得少于1台。

检查方法:观察检查。

7.3.18 蒸汽加湿器的安装应设置独立支架,并固定牢固;接管尺寸正确、无渗漏。

检查数量:全数检查。

检查方法:观察检查。

7.3.19 空气风幕机的安装,位置方向应正确、牢固可靠,纵向垂直度与横向水平度的偏差均不应大于2/1000。

检查数量:按总数10%的比例抽查,且不得少于1台。

检查方法:观察检查。

示例