上级...

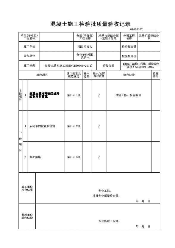
01020107_混凝土施工检验批质量验收记录

填写规范


混凝土施工检验批质量验收记录

一、检验批划分

各分项工程可根据与生产和施工方式相一致且便于控制施工质量的原则,按进场批次、工作班、楼层、结构缝或施工段划分为若干检验批。

二、主控项目

7.4.1 混凝土的强度等级必须符合设计要求。用于检验混凝土强度的试件应在浇筑地点随机抽取。

检查数量:对同一配合比混凝土,取样与试件留置应符合下列规定:
1)每拌制100盘且不超过100m时,取样不得少于一次;
2)每工作班拌制不足100盘时,取样不得少于一次;
3)连续浇筑超过1000m时,每200m3取样不得少于一次;
4)每一楼层取样不得少于一次;
5)每次取样应至少留置一组试件。

检验方法:检查施工记录及混凝土强度试验报告。

三、一般项目

7.4.2 后浇带的留设位置应符合设计要求,后浇带和施工缝的留设及处理方法应符合施工方案要求。

检查数量:全数检查。

检验方法:观察。

7.4.3 混凝土浇筑完毕后应及时进行养护,养护时间以及养护方法应符合施工方案要求。

检查数量:全数检查。

检验方法:观察、检查混凝土养护记录。