上级...

质控(通)表C.0.126 蓄能空调系统调试记录

填写规范


6.6.1  通风、空调系统调试记录的基本要求和内容应符合下列要求:

1 通风、空调系统调试记录应包括设备单机试运转及调试和系统非设计满负荷条件下的联合试运转及调试;

2 设备单机试运转及调试应符合下列规定:                                                           

1通风机、空气处理机组中的风机以及冷却塔中的风机,叶轮旋转方向应正确、运转平稳、无异常振动与声响,电机运行功率应符合规定;连续运转 2h 后,滑动轴承外壳最高温度不得超过70℃,滚动轴承最高温度不得超过 80℃;运行时产生的噪声不应超过产品性能说明书的规定值。

2)水泵叶轮旋转方向应正确,无异常振动和声响,壳体密封处不得渗漏,紧固连接部位无松动,电机运行功率应符合规定,连续运转 2h 后,滑动轴承外壳最高温度不得超过 70℃;滚动轴承最高温度不得超过 75℃;无特殊要求时,普通填料泄漏量不应大于 60mL/h,机械密封的不应大于 5mL/h;

3)冷却塔本体应稳固、无异常振动,水流量应符合设计要求,噪声应符合规定,试运行不应少于2h,应无异常情况;

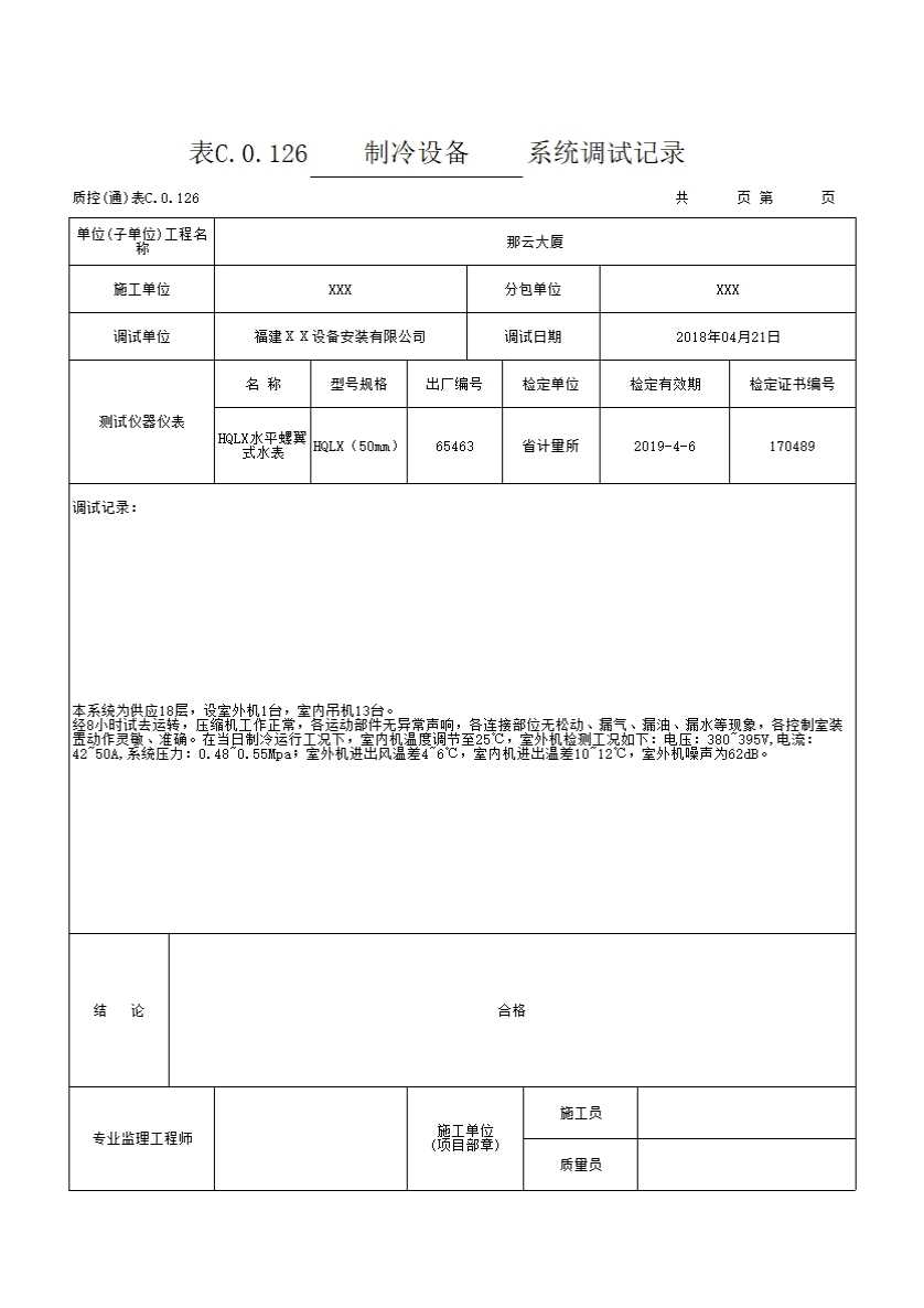
4)多联式空调(热泵)机组系统试运行时,系统应能正常输出冷风或热风,在常温条件下可进行冷热的切换与调控;室内机试运转应无异常振动和声响,百叶板动作正常,无漏水现象,运行噪声符合设备技术文件要求;室外机运转应平稳、无异常振动与声响,各连接和密封部位无松动、漏气、漏油等现象;

5)变风量末端装置试运行时,控制单元单体供电测试信号及反馈应正确,无故障显示;启动送风系统,按控制模式进行模拟测试,装置的一次风阀动作应灵敏、可靠;带风机的变风量末端装置,风机应能根据信号要求运转,叶轮旋转方向正确且无异响;

6)以上设备的单机试运转情况应按本规程附录 C  C.0.127 的要求填写;

7)风机盘管机组安装前,应进行风机三速试运转及盘管水压试验,水压试验压力为盘管工作压力

1.5 倍,试验观察时间为 2min,不渗漏为合格;风机盘管机组试运行记录应按附录 C 表 C.0.128 的要求填写;

8现场组装的组合式空调机组应作漏风量检测,其漏风量必须符合现行国家标准《组合式空调机组》GB/T 14294 的规定;现场组装的除尘器壳体应作漏风量检测,在设计工作压力下允许漏风率为 5%,其中离心式除尘器为 3%;漏风量检测结果应按本规程附录 C 表 C.0.129 的要求填写。

3 系统非设计满负荷条件下的联合试运转及调试应符合下列规定:

1)系统正常运转不应少于 8h,除尘系统不应少于 2h;

2)通风与空调系统总风量调试结果与设计风量允许偏差为-5%~+10%,各风口或吸风罩的风量与设计风量的允许偏差不应大于 15%,调试结果应按本规程附录 C 表 C.0.130 的要求填写;

3)空调冷(热)水、冷却水总流量测试结果与设计流量偏差不应大于 10%;定流量系统各空气处理机组的水流量与设计流量的允许偏差不应大于 15%,变流量系统各空气处理机组的水流量与设计流量的允许偏差不应大于 10%;多台制冷机或冷却塔并联运行时,各台制冷机组及冷却塔的水流量与设计流量的偏差不应大于 10%;调试结果应按本规程附录 C 表 C.0.131 的要求填写;

4)舒适空调房间室内的温度、相对湿度应符合或优于设计要求,当测试季节满足不了测试要求时,应注明情况;恒温、恒湿房间室内空气温度、相对湿度及波动范围应符合或优于设计规定;空调房间室内的噪声应符合设计规定;调试结果应按本规程附录 C 表 C.0.132 的要求填写;

防排烟系统联合试运行与调试的结果(风量及正压)必须符合设计与消防的规定,调试结果应按本规程附录 C 表 C.0.126 的要求填写。

4  地源(水源)热泵换热系统的换热器的水温与流量应符合设计要求,调试结果应按本规程附 C 表 C.0.126 的要求填写。

5  蓄能空调系统的联合试运转及调试应符合下列规定: 

1)系统中载冷剂的种类及浓度应符合设计要求,系统各项保护措施反应应灵敏、动作可靠;

2)在各种运行模式下系统运行应正常、平稳;运行模式转换时动作应灵敏、正确;

3)单体设备及主要部件联动应符合设计要求,动作协调、正确、无异常;

4)系统运行的充冷时间、蓄冷量、冷水温度、放冷时间等,应满足相应工况的设计要求;系统运行过程中管路不应产生凝结水等现象;

5)各自控计量检测元件及执行机构应工作正常。对系统各项参数的反馈及动作应正确、及时。                                                                        

6)蓄能空调系统调试结果应按本规程附录 C  C.0.126 的要求填写。

7  净化空调系统调试应符合下列规定:

1)净化空调系统运行前应在回风、新风的吸入口处和粗、中效过滤器前设置临时用过滤器,实行对系统的保护,净化空调系统的检测和调整,应在系统进行全面清扫,且已运行 24h 及以上达到稳定后进行;

2)单向流洁净室系统的系统总风量调试结果与设计风量的允许偏差为 0~+10%,室内各风口风量与设计风量的允许偏差为 0~+15%;

3)单向流洁净室系统的室内截面平均风速的允许偏差为 0~+10%,且截面风速不均匀度不应 大于 0.25;

4)相邻不同级别洁净室之间和洁净室与非洁净室之间的静压差不应小于 5Pa,洁净室与室外的静压差不应小于 10Pa;

5)室内空气洁净度等级必须符合设计规定的等级或在商定验收状态下的等级要求。各类通风、化学实验柜、生物安全柜必须保证或优于设计规定的负压下运行;

6)净化空调系统调试情况应按本规程附录 C  C.0.133 的要求填写。

6.6.2  通风、空调系统调试记录应按下列办法进行核查:

1 对照设计施工图纸,核对各项设备是否都有单机试运转记录,核查系统调试的项目、内容是否齐全,各项调试的方法与结果是否符合设计要求和施工规范的规定;

2 核查风管系统风量及风口风量是否有经过测定和调整达到平衡,其实测值与设计值是否符合规范规定;

3 核查空调房间的温度、相对湿度、噪声是否符合设计要求;

4 核查冷热水、冷却水系统总流量与设计流量的偏差以及各空调机组的水流量与设计流量的偏差是否符合规范要求;

5 核查净化空调系统测试结果是否符合设计及规范要求;

6 核查测试记录中数据是否真实,签证是否齐全;

7 核查测试仪器是否具有检定证书,检定日期是否在其检定有效期内。

6.6.3  通风、空调系统调试记录凡出现下列情况之一,应核定为“不符合要求”:

1 未按要求进行单机试运转及系统调试,单机或系统调试不齐全,内容不完整;

2 试验方法、程序不正确,各项试验数据不符合设计要求、施工规范或设备技术文件的规定,又未进行处理及复试;

3 试验数据不真实,签证不齐全;

4 测试用的仪表无检定证书,或测试时仪表已超过检定有效期。

 

示例