6.3.5 风管强度及严密性试验记录的基本要求和内容应符合下列要求:
1 风管批量制作前,对风管的制作工艺应进行强度验证试验,风管强度试验压力应符合以下规定:微压和低压风管为 1.5 倍的工作压力,中压风管应为 1.2 倍的工作压力,且不低于 750Pa,高压风管应为 1.2 倍工作压力,在试验压力下持续 5min 及以上,风管接缝处应无开裂,整体结构无永久性的变形和损伤的为强度试验合格;风管强度试验记录应按本规程附录 C 表 C.0.122 的要求填写;
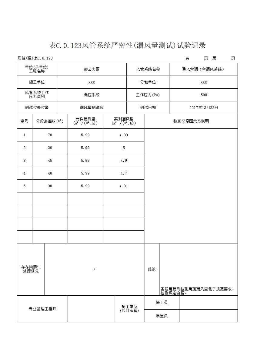
2 风管系统安装完毕后,应进行严密性检验,严密性检验应采用漏风量进行测试,以总管和干管为主进行,微压系统风管可不进行漏风量测试;
3 风管系统的严密性检验应符合下列规定:
1)矩形金属风管的严密性检验,在工作压力下的允许漏风量应符合表 6.3.5 规定:

注:Ql,—低压风管允许漏风量;Qm—中压风管允许漏风量;,Qh— 高压风管允许漏风量;P—系统风管工作压力 (Pa)
2)低压、中压圆形金属与复合材料风管,以及采用非法兰形式的非金属风管的允许漏风量,应为矩形金属风管规定值的 50%;
3)砖、混凝土风道的允许漏风量不应大于矩形金属低压风管规定值的 1.5 倍;
4)排烟、除尘、低温风管送风及变风量空调系统风管的严密性能应符合中压风管的规定;N1~N5级净化空调系统的风管严密性能应符合高压风管的规定;
5)风管系统工作压力绝对值不大于 125Pa 的风管在外观和制造工艺检验合格的基础上,可以不进行漏风量测试;
6)对于输送剧毒类化学气体及病毒实验室通风与空调风管的严密性能,应符合设计的要求;
7)风管严密性检验数量应符合现行国家标准《通风与空调工程施工质量验收规范》GB50243 的规定。
4 风管系统严密性试验记录应按本规程附录 C 表 C.0.123 的要求填写。
6.3.6 风管强度及严密性试验记录应按下列方法进行核查:
1 核查风管强度及严密性试验是否符合设计和现行施工质量验收规范规定,若不符合要求,有无进行返修处理,处理结果是否符合规定;
2 核查测定所使用的仪器仪表是否有检定证书,其精度是否符合要求,各项记录的测定日期是否在其检定有效期内;
3 对照施工图纸,核对试验项目中系统是否齐全,试验数据是否准确、真实,签证是否齐全。
6.3.7 风管强度及严密性试验记录凡出现下列情况之一,应核定为“不符合要求”:
1 未按要求进行严密性试验,试验系统不齐全,内容不完整;
2 试验方法、程序不正确,各项试验数据不符合设计要求和施工质量规范的规定,又未进行处理及复试;
3 试验数据不真实,签证不齐全;
4 测试用的仪表无检定证书,或测试时仪表已超过检定有效期。