金属幕墙安装检验批质量验收记录
一、检验批划分
1 相同设计、材料、工艺和施工条件的幕墙工程每500~1000㎡应划分为一个检验批,不足500㎡也应划分一个检验批。
2 同一单位工程的不连续的幕墙工程应单独划分检验批。3.对于异型或有特殊要求的幕墙,检验批的划分应根据幕墙的结构、工艺特点及幕墙工程规模,由监理单位(或建设单位)和施工单位协商确定。
二、主控项目
9.3.2 金属幕墙工程所使用的各种材料和配件,应符合设计要求及国家现行产品标准和工程技术规范的规定。
检验方法:检查产品合格证书、性能检测报告、材料进场验收记录和复验报告。
9.3.3 金属幕墙的造型和立面分格应符合设计要求。检验方法:观察;尺量检查。
9.3.4 金属面板的品种、规格、颜色、光泽及安装方向应符合设计要求。检验方法:观察;检查进场验收记录。
9.3.5 金属幕墙主体结构上的预埋件、后置埋件的数量、位置及后置埋件的拉拔力必须符合设计要求。
检验方法:检查拉拔力检测报告和隐蔽工程验收记录。
9.3.6 金属幕墙的金属框架立柱与主体结构预埋件的连接、立柱与横梁的连接、金属面板的安装必须符合设计要求,安装必须牢固。检验方法:手扳检查;检查隐蔽工程验收记录。
9.3.7 金属幕墙的防火、保温、防潮材料的设置应符合设计要求,并应密实、均匀、厚度一致。
检验方法:检查隐蔽工程验收记录。
9.3.8 金属框架及连接件的防腐处理应符合设计要求。检验方法:检查隐蔽工程验收记录和施工记录。
9.3.9 金属幕墙的防雷装置必须与主体结构的防雷装置可靠连接。检验方法:检查隐蔽工程验收记录。
9.3.10 各种变形缝、墙角的连接节点应符合设计要求和技术标准的规定。检验方法:观察;检查隐蔽工程验收记录。
9.3.11 金属幕墙的板缝注胶应饱满、密实、连续、均匀、无气泡,宽度和厚度应符合设计要求和技术标准的规定。
检验方法:观察;尺量检查;检查施工记录。
9.3.12 金属幕墙应无渗漏。检验方法:在易渗漏部位进行淋水检查。
三、一般项目
9.3.13 金属板表面应平整、洁净、色泽一致。检验方法:观察。
9.3.14 金属幕墙的压条应平直、洁净、接口严密、安装牢固。检验方法:观察;手扳检查。
9.3.15 金属幕墙的密封胶缝应横增竖直、深浅一致、宽窄均匀、光滑顺直。检验方法:观察。
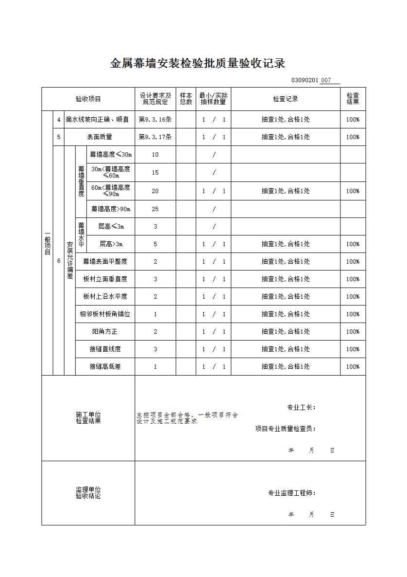
9.3.16 金属幕墙上的滴水线、流水坡向应正确、顺直。检验方法:观察;用水平尺检查。
9.3.17 每平方米金属板的表面质量和检验方法应符合表9.3.17的规定。
表9.3.17每平方米金属板的表面质量和检验方法
|
项次 |
项目 |
质量要求 |
检验方法 |
|
1 |
明显划伤和长度>100mm的轻微划伤 |
不允许 |
观察 |
|
2 |
长度≤100mm的轻微划伤 |
≤8条 |
用钢尺检查 |
|
3 |
擦伤总面积 |
≤500mm2 |
用钢尺检查 |
9.3.18 金属幕墙安装的允许偏差和检验方法应符合表9.3.18的规定。
表9.3.18金属幕墙安装的允许偏差和检验方法
|
项次 |
项目 |
允许偏差(mm) |
检验方法 |
|
|
1 |
幕墙垂直度 |
幕墙高度≤30m |
10 |
用经纬仪检查 |
|
30m<幕墙高度≤60m |
15 |
|||
|
60m<幕墙高度≤90m |
20 |
|||
|
幕墙高度>90m |
25 |
|||
|
2 |
幕墙水平度 |
层高≤3m |
3 |
用水平仪检查 |
|
层高>3m |
5 |
|||
|
3 |
幕墙表面平整度 |
2 |
用2 m靠尺和塞尺检查 |
|
|
4 |
板材立面垂直度 |
3 |
用垂直检测尺检查 |
|
|
5 |
板材上沿水平度 |
2 |
用1m水平尺和钢直尺检查 |
|
|
6 |
相邻板材板角错位 |
1 |
用钢直尺检查 |
|
|
7 |
阳角方正 |
2 |
用直角检测尺检查 |
|
|
8 |
接缝直线度 |
3 |
拉5m线,不足5m拉通线,用钢直尺检查 |
|
|
9 |
接缝高低差 |
1 |
用钢直尺和塞尺检查 |
|
|
10 |
接缝宽度 |
1 |
用钢直尺检查 |
|