钢管内钢筋骨架检验批质量验收记录表
一、检验批划分
应与各分项工程检验批一致。
二、主控项目
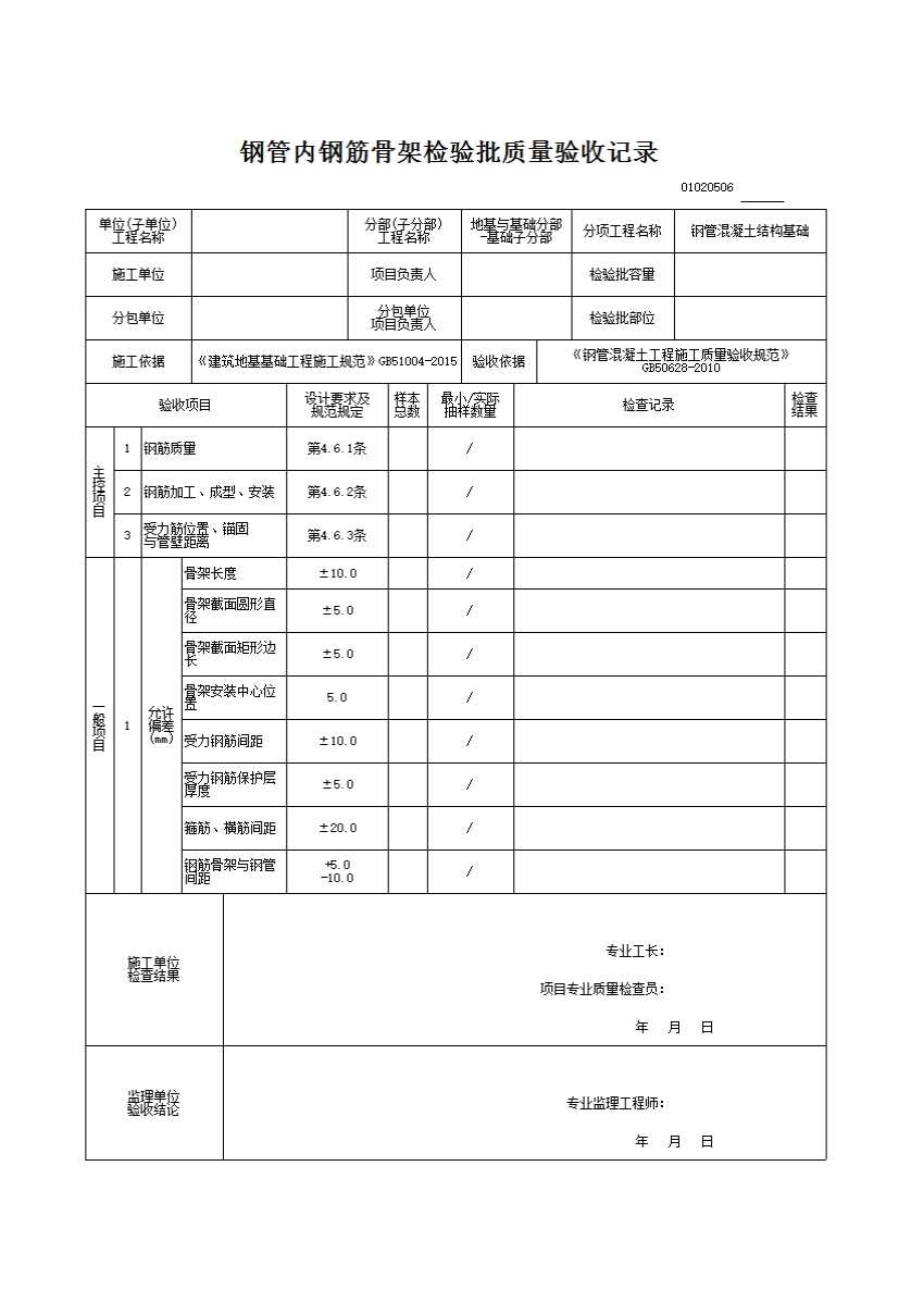
4.6.1 钢管内钢筋骨架的钢筋品种、规格、数量应符合设计要求。
检查数量:全数检查。
检验方法:观察检查、卡尺测量、检查产品出厂合格证和检查进场复测报告。
4.6.2 钢筋加工、钢筋骨架成形和安装质量应符合《混凝土结构工程施工质量验收规范》GB50204的规定。
检查数量:按每一工作班同一类加工形式的钢筋抽查不少于3件。
检验方法:观察检查、尺量检查。
4.6.3 受力钢筋的位置、锚固长度及管壁之间的间距应符合设计要求。
检查数量:全数检查。
检验方法:观察检查、尺量检查。
三、一般项目
4.6.4 钢筋骨架尺寸和安装允许偏差应符合表4.6.4的规定。
检查数量:同批构件抽查10%,且不少于3件。
检验方法:见表4.6.4。
表4.6.4 钢筋骨架尺寸和安装允许偏差
|
项次 |
检验项目 |
允许偏差 |
检验方法 |
||
|
1 |
钢筋骨架 |
长度 |
±10 |
尺量检查 |
|
|
截面 |
圆形直径 |
±5 |
尺量检查 |
||
|
矩形边长 |
±5 |
尺量检查 |
|||
|
钢筋骨架安装中心位置 |
5 |
尺量检查 |
|||
|
2 |
受力钢筋 |
间距 |
±10 |
尺量检查,测量两端、 中间各一点,取最大值 |
|
|
保护层厚度 |
±5 |
尺量检查 |
|||
|
3 |
箍筋、横筋间距 |
±20 |
尺量检查,连续三档,取最大值 |
||
|
4 |
钢筋骨架与钢管间距 |
+5,-10 |
尺量检测 |
||