上级...

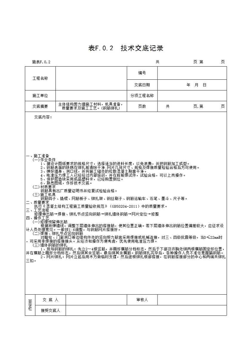
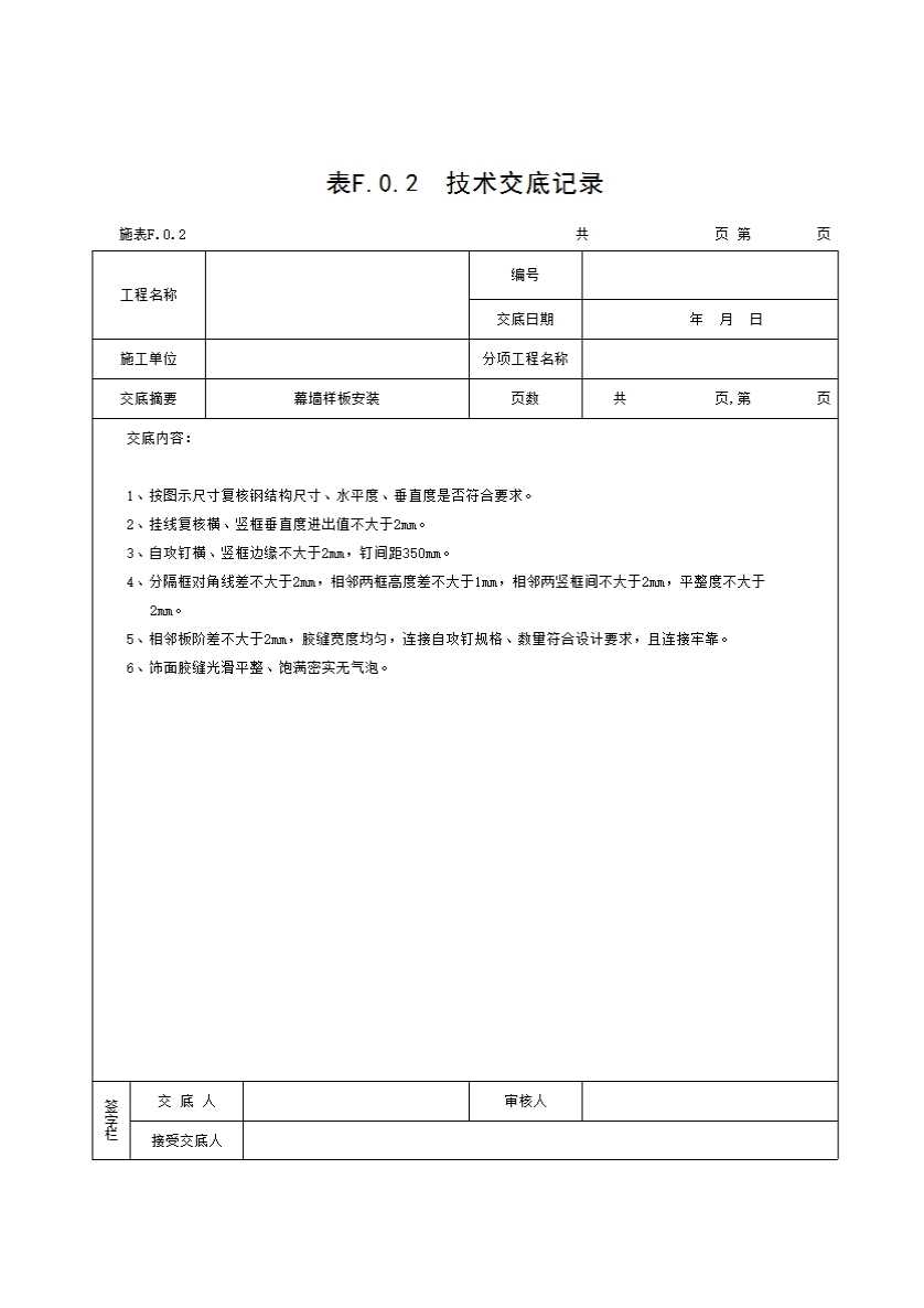
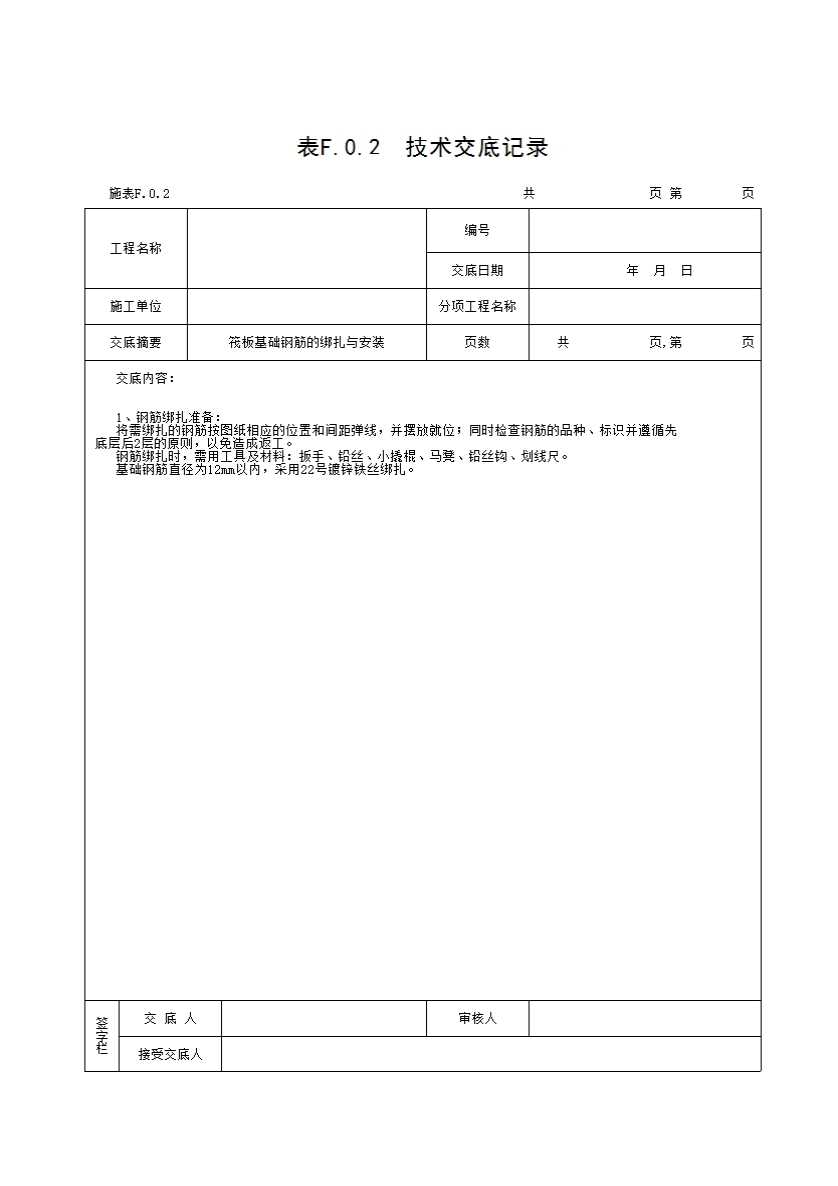
施表F.0.2技术交底记录

填写规范


17.3.1  技术交底的基本要求和内容应符合下列规定:

1  技术交底包括设计交底、单位工程技术交底和主要分项工程技术交底,其内容应符合下列要求

1)设计交底应包括介绍设计意图和要点,强调施工中应注意的事项,回答施工单位提供的疑问等。

2)单位工程技术交底应包括施工组织设计及施工方案的交底,包括施工部署、主要施工方法、施工进度计划、资源计划、总平面布置、主要施工管理计划、分项施工方法等。

3)分项工程技术交底应包括工程的特点和实际情况,介绍分项工程的工艺规程操作方法、质量标准、检查验收要求等内容。如作业条件、施工准备、操作工艺规程、技术要求和质量标准、安全措施、成品保护和文明施工措施等。

2  设计交底应在工程施工前进行,单位工程技术交底应在工程开工时进行,分项工程技术交底应在分项工程施工前进行,并应为施工留出一定的准备时间。技术交底不得后补。

3  技术交底记录应符合附录F施表F.0.2的规定,交底结束后,交底人和被交底人应履行签字手续。

4  技术交底记录应由总包单位的项目技术负责人负责汇集整理,并对分包单位的技术交底工作进行督促检查。各分包单位的项目技术负责人应将技术交底记录及时整理,并适时向总包单位项目技术负责人移交。

5  应按下列适用条件采用相应的技术交底形式:

1)会议交底,适用于设计交底、单位工程技术交底和分项工程技术交底;

2)书面交底,适用于对施工班组长和工人的技术交底;

3) 施工样板交底,适用于施工工艺的交底;

4) 岗位技术交底,适用于岗位工艺操作的交底。

6  技术交底程序应符合下列要求:

1) 应由建设单位组织设计、监理、施工等单位有关人员参加,设计人员进行设计交底;

2) 在施工组织设计或施工方案经审批后,应由施工单位项目经理组织,项目部施工技术管理人员及参与施工的各专业分包单位施工技术负责人参加,项目经理或项目技术负责人进行单位工程技术交底;

3) 应由施工单位及分包单位项目经理组织,专业施工员、工长与施工班组长参加,施工单位及分包单位项目技术负责人进行分项工程技术交底;

4) 对施工班组具体操作人员的交底,应由专业施工员或工长、班组长组织进行。

17.3.2  技术交底应按下列方法进行核查:

1  核查技术交底程序是否正确,各方人员是否按规定要求到位,相关的人员签字是否完整;

2  核查技术交底的内容是否具有针对性。

17.3.3  技术交底凡出现下列情况之一,应核定为“不符合要求

1 技术交底签字不完整或由不具备相应资格的人员签字;

2 技术交底内容没有针对性。

示例