|
云上资料软件
登录
/
注册
免费注册
登录
首页
软件下载
购买
首页
资料软件
(下载)
云上资料软件
(下载)
在线表格
求职招聘
服务平台
那云知道
当前位置:
表格库
>
福建
>
电力电网
>
电力建设土建工程施工、试验及验收标准表式
>
电力建设土建工程施工、试验及验收标准表式 第3部分 验收
>
5 通用工程质量验收
>
5.27 通风与空调工程
>
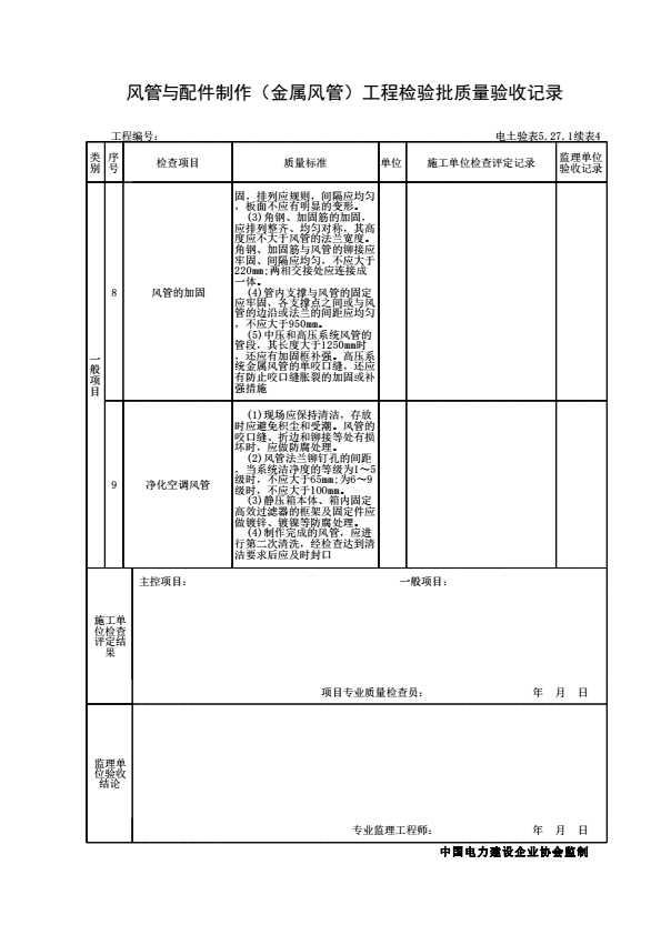
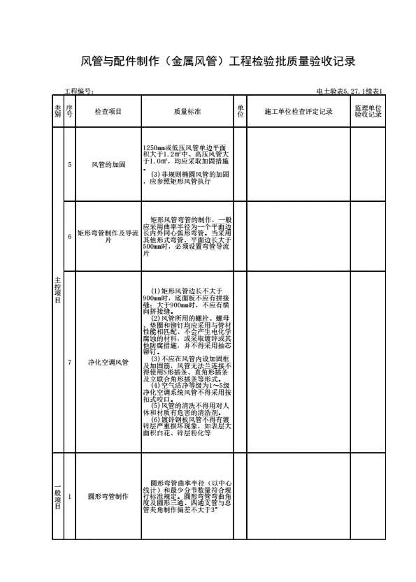
电土验表5.27.1 风管与配件制作(金属风管)工程检验批质量验收记录
上级...
电土验表5.27.1 风管与配件制作(金属风管)工程检验批质量验收记录
表格
下载表格
点击领取首张表格excel
点击查看大图
点击查看大图
点击查看大图
点击查看大图
点击查看大图
下载表格
点击领取首张表格excel
×
下载表格
表格名称:电土验表5.27.1 风管与配件制作(金属风管)工程检验批质量验收记录
所需N币:
N币
(我有
)N币)
您的N币不足,请先充值。
充值N币
充值N币
下载
取消
×
分享页面
QQ分享
空间分享
微信分享
微博分享