|
云上资料软件
登录
/
注册
免费注册
登录
首页
软件下载
购买
首页
资料软件
(下载)
云上资料软件
(下载)
在线表格
求职招聘
服务平台
那云知道
当前位置:
表格库
>
福建
>
电力电网
>
Q、GDW 1183—2012 变电(换流)站土建工程施工质量验收规范(新)
>
变电站
>
站用电系统建、构筑物
>
站用变压器基础及构支架
>
地基与基础
>
事故油池
>
油池混凝土
>
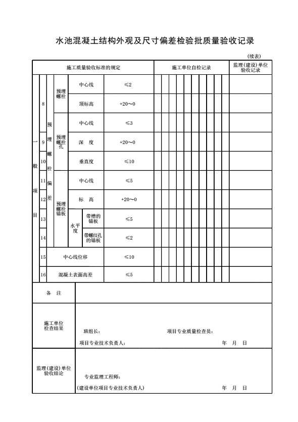
水池混凝土结构外观及尺寸偏差检验批质量验收记录
上级...
水池混凝土结构外观及尺寸偏差检验批质量验收记录
表格
下载表格
点击领取首张表格excel
点击查看大图
点击查看大图
下载表格
点击领取首张表格excel
×
下载表格
表格名称:水池混凝土结构外观及尺寸偏差检验批质量验收记录
所需N币:
N币
(我有
)N币)
您的N币不足,请先充值。
充值N币
充值N币
下载
取消
×
分享页面
QQ分享
空间分享
微信分享
微博分享