上级...

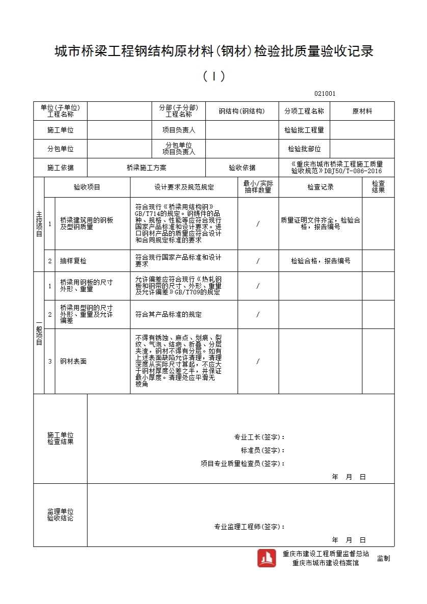
021001 城市桥梁工程钢结构原材料(钢材)检验批质量验收记录(Ⅰ)

填写规范


城市桥梁工程钢结构原材料(钢材)检验批质量验收记录

一、检验批划分

1、分项工程可按主要工种、材料、施工工艺、设备类别进行划分。

2、分项工程可由一个或若千个检验批组成。检验批可根据施工条件、质量控制和专业验收及施工需要按桩、墩、跨、浇筑段等划分。

二、主控项目

13.2.1桥梁建筑用 的钢板及型钢,其质量应符合现行《桥梁用结构钢》GB/T 714的规定。钢铸件的品种、规格、性能等应符合现行国家产品标准和设计要求。进口钢材产品的质量应符合设计和合同规定标准的要求。

检验数量:全部。

检验方法:检查质量合格证明文件及检验报告等。

13.2.2下列情况应对钢材进行抽样复验,其结果应符合现行国家产品标准和设计要求。

1国外进口钢材

2钢材混批

3板厚等于或大于40mm,且设计有Z向性能要求的厚板

4主梁、主拱等主要受力构件所采用的钢材

5设计有复验要求的钢材;

6对质量有疑义的钢材。

检验数量:全部。

检验方法:检查复验报告。

三、一般项目

13.2.3桥梁用钢板的尺寸 、外形、重量及允许偏差应符合现行《热轧钢板和钢带的尺寸、外形、重量及允许偏差》GB/T 709的规定。

检验数量:每一品种或每一-炉批号、规格的钢板抽查5处。

检验方法:用尺和游标卡尺量测。

13.2.4桥梁用型钢的尺寸、外形、重量及允许偏差应符合其产品标准的规定。

检验数量:每一品种、规格的型钢抽查5处。

检验方法:用尺和游标卡尺量测。

13.2.5钢材表 面不得有锈蚀、麻点、划痕、裂纹、气泡、结疤、折叠、分层、夹渣,钢材不得有分层。如有上述表面缺陷允许清理,清理深度从实际尺寸算起,不应大于钢材厚度公差之半,并保证最小厚度。清理处应平滑无棱角。

检验数量:全部。

检验方法:观察。