上级...

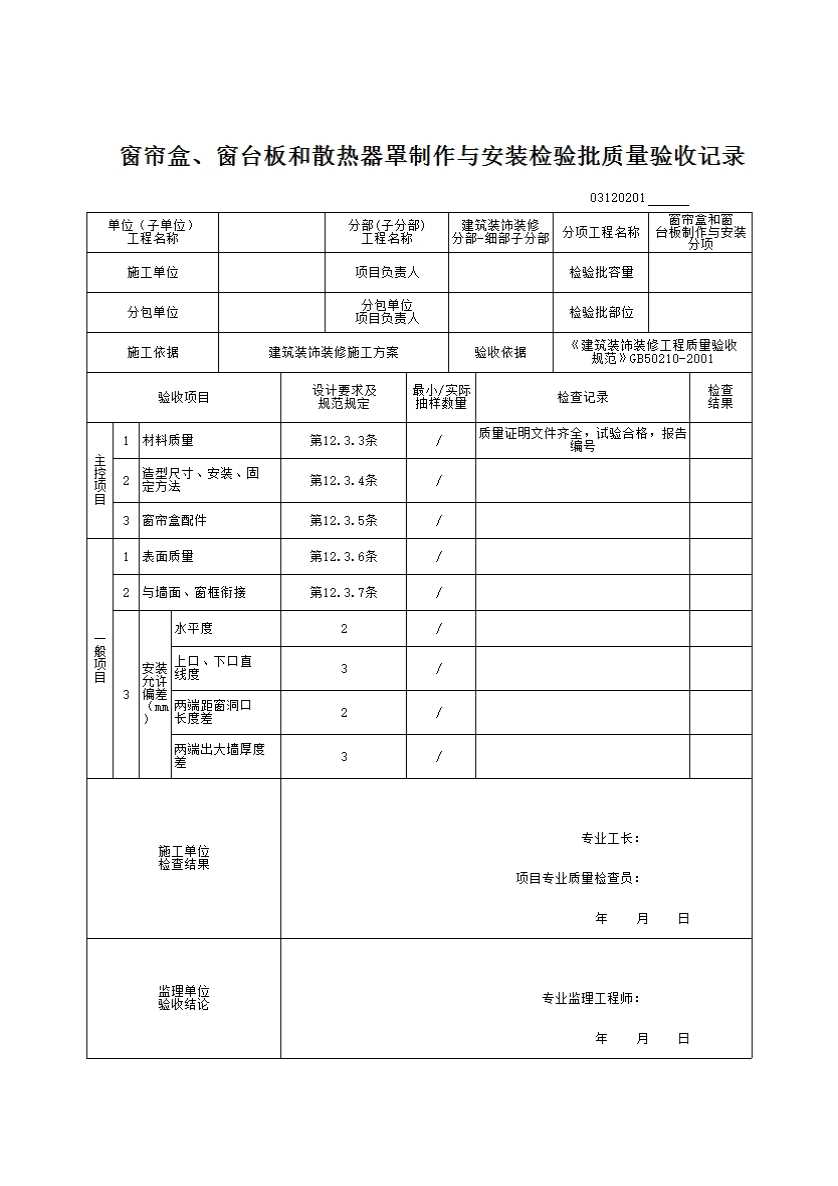
03120201_窗帘盒、窗台板和散热器罩制作与安装检验批质量验收记录

填写规范


窗帘盒、窗台板和散热器罩制作与安装检验批质量验收记录

本节适用于窗帘盒、窗台板和散热器罩制作与安装工程的质量验收。

一、检验批划分

1 同类制品每50间(处)应划分为一个检验批,不足50间(处)也应划分为一个检验批。

2 每部楼梯应划分为一个检验批。

二、主控项目

12.3.3 窗帘盒、窗台板和散热器罩制作与安装所使用材料的材质的规格、木材的燃烧性能等级和含水率、花岗石的放射性及人造木板的甲醛含量应符合设计要求及国家现行标准的有关规定。

检验方法:观察;检查产品合格证书、进场验收记录、性能检测报告和复验报告。

12.3.4 窗帘盒、窗台板和散热器罩的造型、规格、尺寸、安装位置和固定方法必须符合设计要求。窗帘盒、窗台板和散热器罩的安装必须牢固。检验方法:观察;尺量检查;手扳检查。

12.3.5 窗帘盒配件的品种、规格应符合设计要求,安装应牢固。检验方法:手扳检查;检查进场验收记录。

三、一般项目

12.3.6 窗帘盒、窗台板和散热器罩表面应平整、洁净、线条顺直、接缝严密、色泽一致,不得有裂缝、翘曲及损坏。检验方法:观察。

12.3.7 窗帘盒、窗台板和散热器罩与墙、窗框的衔接应严密,密封胶缝应顺直、光滑。检验方法:观察。

12.3.8 窗帘盒、窗台板和散热器罩安装的允许偏差和检验方法应符合表12.3.8的规定。

12.3.8窗帘盒、窗台板和散热器罩安装的允许偏差和检验方法

项次

项目

允许偏差(mm)

检验方法

1

水平度

2

用1m水平尺和塞尺检查

2

上口、下口直线度

3

拉5m线,不足5m拉通线,用钢直尺检查

3

两端距窗洞口长度差

2

用钢直尺检查

4

两端出墙厚度差

3

用钢直尺检查

示例