上级...

090701 通风与空气调节节能检验批质量验收记录(一)、(二)

填写规范


通风与空调设备节能检验批质量验收记录

本表适用于通风与空调系统节能工程施工质量的验收。

一、检验批划分:可按系统、楼层等进行划分。

10.2 主控项目

10.2.1 通风与空调系统节能工程所使用的设备、管道、阀门、仪表、绝热材料等产品进场时,应按设计要求对其类型、材质、规格及外观等进行验收,并应对下列产品的技术性能参数进行核查。验收与核查的结果应经监理工程师(建设单位代表)检查认可,并应形成相应的验收、核查记录。各种产品和设备的质量证明文件和相关技术资料应齐全,并应符合有关国家现行标准和规定。

1 组合式空调机组、柜式空调机组、新风机组、单元式空调机组、热回收装置等设备的冷量、热量、风量、风压、功率及额定热回收效率;

2 风机的风量、风压、功率及其单位风量耗功率;

3 成品风管的技术性能参数;

4 自控阀门与仪表的技术性能参数。

检验方法:观察检查;技术资料和性能测报告等质量证明文件与实物核对。

检查数量:全数检查。

10.2.2 风机盘管机组和绝热材料进场时,应对其下列技术性能参数进行复验,复验应为见证取样送检。

1 风机盘管机组的供冷量、供热量、风量、出口静压、噪声及功率;

2 绝热材料的导热系数、密度、吸水率。

检验方法:现场随机抽样送检;核查复验报告。

检查数量:同一厂家的风机盘管机组按数量复验2%,但不得少于2台;同一厂家同材质的绝热材料复验次数不得少于2次。

10.2.3 通风与空调节能工程中的送、排风系统及空调风系统、空调水系统的安装,应符合下列规定:

1 各系统的制式,应符合设计要求;

2 各种设备、自控阀门与仪表应按设计要求安装齐全,不得随意增减和更换;

3 水系统各分支管路水力平衡装置、温控装置与仪表的安装位置、方向应符合设计要求,并便于观察、操作和调试;

4 空调系统应能实现设计要求的分室(区)温度调控功能。对设计要求分栋、分区或分户(室)冷、热计量的建筑物,空调系统应能实现相应的计量功能。

检验方法:观察检查。

检查数量:全数检查。

10.2.4 风管的制作与安装应符合下列规定:

1 风管的材质、断面尺寸及厚度应符合设计要求;

2 风管与部件、风管与土建风道及风管间的连接应严密、牢固;

3 风管的严密性及风管系统的严密性检验和漏风量,应符合设计要求或现行国家标准《通风与空调工程施工质量验收规范》GB50243的有关规定;

4 需要绝热的风管与金属支架的接触处、复合风管及需要绝热的非金属风管的连接和内部支撑加固等处,应有防热桥的措施,并应符合设计要求。

检验方法:观察、尺量检查;核查风管及风管系统严密性检验记录。

检查数量:按数量抽查10%,且不得少于1个系统。

10.2.5 组合式空调机组、柜式空调机组、新风机组、单元式空调机组的安装应符合下列规定:

1 各种空调机组的规格、数量应符合设计要求;

2 安装位置和方向应正确,且与风管、送风静压箱、回风箱的连接应严密可靠;

3 现场组装的组合式空调机组各功能段之间连接应严密,并应做漏风量的检测,其漏风量应符合现行国家标准《组合式空调机组》GB/T 14294的规定;

4 机组内的空气热交换器翅片和空气过滤器应清洁、完好,且安装位置和方向必须正确,并便于维护和清理。当设计未注明过滤器的阻力时,应满足粗效过滤器的初阻力≤50Pa(粒

≥5.0um,效率:80%>E≥20%);中效过滤器的初阻力≤80Pa(粒径≥1.0um,效率:70%>E≥20%)的要求。

检验方法:观察检查;核查漏风量测试记录。

检查数量:按同类产品的数量抽查20%,且不得少于1台。

10.2.6 风机盘管机组的安装应符合下列规定:

1 规格、数量应符合设计要求;

2 位置、高度、方向应正确,并便于维护、保养;

3 机组与风管、回风箱及风口的连接应严密、可靠;

4 空气过滤器的安装应便于拆卸和清理。

检验方法:观察检查。

检查数量:按总数抽查10%,且不得少于5台。

10.2.7 通风与空调系统中风机的安装应符合下列规定:

1 规格、数量应符合设计要求;

2 安装位置及进、出口方向应正确,与风管的连接应严密、可靠。

检验方法:观察检查。

检查数量:全数检查。

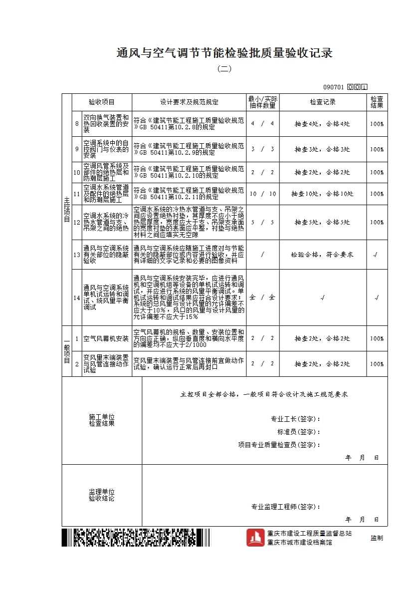
10.2.8 带热回收功能的双向换气装置和集中排风系统中的排风热回收装置的安装应符合下列规定:

1 规格、数量及安装位置应符合设计要求;

2 进、排风管的连接应正确、严密、可靠;

3 室外进、排风口的安装位置、高度及水平距离应符合设计要求。

检验方法:观察检查。

检查数量:按总数抽检20%,且不得少于1台。

10.2.9 空调机组回水管上的电动两通调节阀、风机盘管机组回水管上的电动两通(调节)阀、空调冷热水系统中的水力平衡阀、冷(热)量计量装置等自控阀门与仪表的安装应符合下列规定:

1 规格、数量应符合设计要求;

2 方向应正确,位置应便于操作和观察。

检验方法:观察检查。

检查数量:按类型数量抽查10%,且均不得少于1个。

10.2.10 空调风管系统及部件的绝热层和防潮层施工应符合下列规定:

1 绝热层应采用不燃或难燃材料,其材质、规格及厚度等应符合设计要求;

2 绝热层与风管、部件及设备应紧密贴合,无裂缝、空隙等缺陷,且纵、横向的接缝应错开;

3 绝热层表面应平整,当采用卷材或板材时,其厚度允许偏差为5mm;采用涂抹或其他方式时,其厚度允许偏差为10mm;

4 风管法兰部位绝热层的厚度,不应低于风管绝热层厚度的80%;

5 风管穿楼板和穿墙处的绝热层应连续不间断;

6 防潮层(包括绝热层的端部)应完整,且封闭良好,其搭接缝应顺水;

7 带有防潮层隔汽层绝热材料的拼缝处,应用胶带封严,粘胶带的宽度不应小于50mm;

8 风管系统部件的绝热,不得影响其操作功能。

检验方法:观察检查;用钢针刺入绝热层、尺量检查。

检查数量:管道按轴线长度抽查10%;风管穿楼板和穿墙处及阀门等配件抽查10%,且不得少于2个。

10.2.11 空调水系统管道及配件的绝热层和防潮层施工,应符合下列规定:

1 绝热层应采用不燃或难燃材料,其材质、规格及厚度等应符合设计要求;

2 绝热管壳的粘贴应牢固、铺设应平整;硬质或半硬质的绝热管壳每节至少应用防腐金属丝或难腐织带或专用胶带进行捆扎或粘贴2道,其间距为300~350mm,且捆扎、粘贴应紧密,

无滑动、松弛与断裂现象;

3 硬质或半硬质绝热管壳的拼接缝隙,保温时不应大于5mm、保冷时不应大于2mm,并用粘结材料勾缝填满;纵缝应错开,外层的水平接缝应设在侧下方;

4 松散或软质保温材料应按规定的密度压缩其体积,疏密应均匀;毡类材料在管道上包扎时,搭接处不应有空隙;

5 防潮层与绝热层应结合紧密,封闭良好,不得有虚粘、气泡、褶皱、裂缝等缺陷;

6 防潮层的立管应由管道的低端向高端敷设,环向搭接缝应朝向低端;纵向搭接缝应位于管道的侧面,并顺水;

7 卷材防潮层采用螺旋形缠绕的方式施工时,卷材的搭接宽度宜为30~50mm;

8 空调冷热水管穿楼板和穿墙处的绝热层应连续不间断,且绝热层与穿楼板和穿墙处的套管之间应用不燃材料填实不得有空隙,套管两端应进行密封封堵;

9 管道阀门、过滤器及法兰部位的绝热结构应能单独拆卸,且不得影响其操作功能。

检验方法:观察检查;用钢针刺入绝热层、尺量检查。

检查数量:按数量抽查10%,且绝热层不得少于10段、防潮层不得少于10m、阀门等配件不得少于5个。

10.2.12 空调水系统的冷热水管道与支、吊架之间应设置绝热衬垫,其那度不应小于他热层那度,宽度应大于支、吊架支承面的宽度。衬垫的表面应平整,衬垫与绝热材料之间应填实无空隙。

检验方法:观察、尺量检查。

检查数量:按数量抽检5%,且不得少于5处。

10.2.13 通风与空调系统应随施工进度对与节能有关的隐蔽部位或内容进行验收,并应有详细的文字记录和必要的图像资料。

检验方法:观察检查;核查隐蔽工程验收记录。

检查数量:全数检查。

10.2.14 通风与空调系统安装完毕,应进行通风机和空调机组等设备的单机试运转和调试,并应进行系统的风量平衡调试。单机试运转和调试结果应符合设计要求;系统的总风量与设计风量的允许偏差不应大于10%,风口的风量与设计风量的允许偏差不应大于15%。

检验方法:观察检查;核查试运转和调试记录。

检验数量:全数检查。

10.3 一般项目

10.3.1 空气风幕机的规格、数量、安装位置和方向应正确,纵向垂直度和横向水平度的偏差均不应大于2/1000。

检验方法:观察检查。

检查数量:按总数量抽查10%,且不得少于1台。

10.3.2 变风量末端装置与风管连接前宜做动作试验,确认运行正常后再封口。

检验方法;观察检查。

检查数量:按总数量抽查10%,且不得少于2台。

示例