上级...

090601 采暖节能检验批质量验收记录(一)、(二)、(三)

填写规范


 供暖节能检验批质量验收记录

本表适用于温度不超过95℃室内集中热水采暖系统节能工程施工质量的验收。

一、检验批划分:可按系统、楼层等进行划分。

9.2 项目

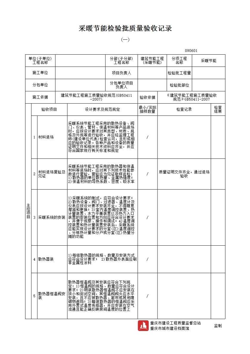
9.2.1 采暖系统节能工程采用的散热设备、阀门、仪表、管材、保温材料等产品进场时,应按设计要求对其类型、材质、规格及外观等进行验收,并应经监理工程师(建设单位代表)检查认可,且应形成相应的验收记录。各种产品和设备的质量证明文件和相关技术资料应齐全,并应符合国家现行有关标准和规定。

检验方法:观察检查;核查质量证明文件和相关技术资料。

检查数量:全数检查。

9.2.2 采暖系统节能工程采用的散热器和保温材料等进场时,应对其下列技术性能参数进行复验,复验应为见证取样送检:

1 散热器的单位散热量、金属热强度;

2 保温材料的导热系数、密度、吸水率。

检验方法:现场随机抽样送检;核查复验报告。

检查数量:同一厂家同一规格的散热器按其数量的1%进行见证取样送检,但不得少于2组;同一厂家同材质的保温材料见证取样送检的次数不得少于2次。

9.2.3 采暖系统的安装应符合下列规定:

1 采暖系统的制式,应符合设计要求;

2 散热设备、阀门、过滤器、温度计及仪表应按设计要求安装齐全,不得随意增成和更换;

3 室内温度调控装置、热计量装置、水力平衡装置以及热力入口装置的安装位置和方向应符合设计要求,并便于观察、操作和调试;

4 温度调控装置和热计量装置安装后,采腰系统应能实现设计要求的分室(区)温度调控、分栋热计量和分户或分室(区)热量分摊的功能。

检验方法:观察检查。

检查数量:全数检查。

9.2.4 散热器及其安装应符合下列规定:

1 每组散热器的规格、数量及安装方式应符合设计要求;

2 散热器外表面应刷非金属性涂料。

检验方法:观察检查。

检查数量:按散热器组数抽查5%,不得少于5组。

9.2.5 散热器恒温阀及其安装应符合下列规定:

1 恒温阀的规格、数量应符合设计要求;

2 明装散热器恒温阀不应安装在狭小和封闭空间,其恒温阀阀头应水平安装,且不应被散热器、窗帘或其他障碍物遮挡;

3 暗装散热器的恒温阀应采用外置式温度传感器,并应安装在空气流通且能正确反映房间温度的位置上。

检验方法:观察检查。

检查数量:按总数抽查5%,不得少于5个。

9.2.6 低温热水地面辐射供暖系统的安装除了应符合本规范第9.2.3条的规定外,尚应符合下列规定:

1 防潮层和绝热层的做法及绝热层的厚度应符合设计要求;

2 室内温控装置的传感器应安装在避开阳光直射和有发热设备且距地1.4m处的内墙面上。

检验方法:防潮层和绝热层隐蔽前观察检查;用钢针刺入绝热层、尺量;观察检查、尺量室内温控装置传感器的安装高度。

检查数量:防潮层和绝热层按检验批抽查5处,每处检查不少于5点;温控装置按每个检验批抽查10个。

9.2.7 采暖系统热力入口装置的安装应符合下列规定:

1 热力入口装置中各种部件的规格、数量,应符合设计要求;

2 热计量装置、过滤器、压力表、温度计的安装位置、方向应正确,并便于观察、维护;

3 水力平衡装置及各类阀门的安装位置、方向应正确,并便于操作和调试。安装完毕后,应根据系统水力平衡要求进行调试并做出标志。

检验方法:观察检查;核查进场验收记录和调试报告。

检查数量:全数检查。

9.2.8 采暖管道保温层和防潮层的施工应符合下列规定:

1 保温层应采用不燃或难燃材料,其材质、规格及厚度等应符合设计要求;

2 保温管壳的粘贴应牢固、铺设应平整;硬质或半硬质的保温管壳每节至少应用防腐金属丝或难腐织带或专用胶带进行捆扎或粘贴2道,其间距为300~350mm,且捆扎、粘贴应紧密,

无滑动、松弛及断裂现象;

3 硬质或半硬质保温管壳的拼接缝隙不应大于5mm,并用粘结材料勾缝填满;纵缝应错开,外层的水平接缝应设在侧下方;

4 松散或软质保温材料应按规定的密度压缩其体积,疏密应均匀;毡类材料在管道上包扎时,搭接处不应有空隙;

5 防潮层应紧密粘贴在保温层上,封闭良好,不得有虚粘、气泡、褶皱、裂缝等缺陷;

6 防潮层的立管应由管道的低端向高端敷设,环向搭接缝应朝向低端;纵向搭接缝应位于管道的侧面,并顺水;

7 卷材防潮层采用螺旋形缠绕的方式施工时,卷材的搭接宽度宜为30~50mm;

8 阀门及法兰部位的保温层结构应严密,且能单独拆卸并不得影响其操作功能。

检验方法:观察检查;用钢针刺入保温层、尺量。

检查数量:按数量抽查10%,且保温层不得少于10段、防潮层不得少于10m、阀门等配件不得少于5个。

9、2.9 暖系统应随施工进度对与节能有关的隐蔽部位或内容进行验收,并应有详细的文字记录和必要的图像资料。

检验方法:观察检查;核查隐蔽工程验收记录。

检查数量:全数检查。

9.2.10 暖系统安装完毕后,应在采暖期内与热源进行联合试运转和调试。联合试运转和调试结果应符合设计要求,果顾房间温度相对于设计计算温度不得低于2℃,且不高于1℃。

检验方法:检查室内采暖系统试运转和调试记录。

检查数量:全数检查。

9.3 一般项目

9.3.1 采暖系统过滤器等配件的保温层应密实、无空隙,且不得影响其操作功能。

检验方法:观察检查。

检查数量:按类别数量抽查10%,且均不得少于2件。

示例