方木和原木结构检验批质量验收记录
一、检验批划分
材料、构配件的质量控制以一幢方木、原木结构房屋为一个检验批;构件制作安装质量控制应以整幢房屋的一楼层或变形缝间的一楼层为一个检验批。
二、主控项目
4.2.1 方木、原木结构的形式、结构布置和构件尺寸,应符合设计文件的规定。
检查数量:检验批全数。
检验方法:实物与施工设计图对照、丈量。
4.2.2 结构用木材应符合设计文件的规定,并应具有产品质量合格证书。
检查数量:检验批全数。
检验方法:实物与设计文件对照,检查质量合格证书、标识。
4.2.3 进场木材均应作弦向静曲强度见证检验,其强度最低值应符合表4.2.3的要求。
表4.2.3 木材静曲强度检验标准
|
木材种类 |
针叶材 |
阔叶材 |
|||||||
|
强度等级 |
TC11 |
TC13 |
TC15 |
TC17 |
TB11 |
TB13 |
TB15 |
TB17 |
TB20 |
|
最低强度(N/mm²) |
44 |
51 |
58 |
72 |
58 |
68 |
78 |
88 |
98 |
检查数量:每一检验批每一树种的木材随机抽取3株(根)。
检验方法:本规范附录A。
附录A 木材强度等级检验方法
A.1 一般规定
A.1.1 本检验方法适用于已列人现行国家标准《木结构设计规范》GB 50005树种的原木、方木和板材的木材强度等级检验。
A.1.2 当检验某一树种的木材强度等级时,应根据其弦向静曲强度的检测结果进行判定。
A.2 取样及检测方法
A.2.1试材应在每检验批每一树种木材中随机抽取3株(根)木料,应在每株(根)试材的髓心外切取3个无疵弦向静曲强度试件为-组,试件尺寸和含水率应符合现行国家标准《木材抗弯强度试验方法》GB/T 1936.1的有关规定。
A.2.2 弦向静曲强度试验和强度实测计算方法,应按现行国家标准《木材抗弯强度试验方法》GB/T 1936.1有关规定进行,并应将试验结果换算至木材含水率为12%时的数值。
A.2.3 各组试件静曲强度试验结果的平均值中的最低值不低于本规范表4.2.3的规定值时,应为合格。
4.2.4 方木、原木及板材的目测材质等级不应低于表4.2.4的规定,不得采用普通商品材的等级标准替代。方木、原木及板材的目测材质等级应按本规范附录B评定。
检查数量:检验批全数。
检验方法:本规范附录B。
表B.O.1 方木材质标准
|
项次 |
缺陷名称 |
木材等级 |
|||
|
Ia |
IIa |
IIIa |
|||
|
1 |
腐朽 |
不允许 |
不允许 |
不允许 |
|
|
2 |
木节 |
在构件任一面任何150mm长度上所有木节尺寸的总和与所在面宽的比值 |
≤1/3 (连接部位≤1/4) |
≤2/5
|
≤1/2
|
|
死节 |
不允许 |
允许,但不包括腐朽节,直径不应大于20mm,且每延米中不得多于1个 |
允许,但不包括腐朽节,直径不应大于50mm,且每延米中不得多于2个 |
||
|
3 |
斜纹 |
斜率 |
≤5% |
≤8% |
≤12% |
|
4 |
裂缝 |
在连接的受剪面上 |
不允许 |
不允许 |
不允许 |
|
在连接部位的受剪面附近,其裂缝深度(有对面裂缝时,用两者之和)不得大于材宽的
|
≤1/4 |
≤1/3 |
不限 |
||
|
5 |
髓心 |
不在受剪面上 |
不限 |
不限 |
|
|
6 |
虫眼 |
不允许 |
允许表层虫眼 |
允许表层虫眼 |
|
B.0.2木节尺寸应按垂 直于构件长度方向测量,并应取沿构件长度方向150mm范围内所有木节尺寸的总和(图B.0.2a)。直径小于10mm的木节应不计,所测面上呈条状的木节应不量(图B.0.2b)。

B.0.3 原木的材质标准应符合表B.0.3的规定
|
项次 |
缺陷名称 |
木材等级 |
||||
|
Ia |
IIa |
IIIa |
||||
|
1 |
腐朽 |
不允许 |
不允许 |
不允许 |
||
|
2 |
木节 |
在构件任一面任何150mm长度上所有木节尺寸的总和,与所测部位原木周长的比值 |
≤1/4 |
≤1/3
|
≤2/5
|
|
|
每个木节的最大尺寸与所测部位原木周长的比值 |
≤1/10(普通部位) ≤1/12(连接部位)
|
≤1/6 |
≤1/6 |
|||
|
死节 |
不允许 |
不允许 |
允许,但直径不大于原木直径的1/5,每2m长度内不多于1个 |
|||
|
3 |
扭纹 |
斜率 |
≤8% |
≤12% |
≤15% |
|
|
4 |
裂缝 |
在连接部位的受剪面上 |
不允许 |
不允许 |
不允许 |
|
|
在连接部位的受剪面附近,其裂缝深度(有对面裂缝时,用两者之和)与原木直径的比值
|
≤1/4 |
≤1/3 |
不限 |
|||
|
5 |
髓心 |
位置 |
不在受剪面上 |
不限 |
不限 |
|
|
6 |
虫眼 |
不允许 |
允许表层虫眼 |
允许表层虫眼 |
||
注:木节尺寸按垂直于构件长度方向测量,直径小于10mm的木节不计
B.0.4 板材材质标准
|
项次 |
缺陷名称 |
木材等级 |
|||
|
Ia |
IIa |
IIIa |
|||
|
1 |
腐朽 |
不允许 |
不允许 |
不允许 |
|
|
2 |
木节 |
在构件任一面任何150mm长度上所有木节尺寸的总和,与所在面宽的比值 |
≤1/4 (连接部位≤1/5) |
≤1/3
|
≤2/5
|
|
死节 |
不允许 |
允许,但不包括腐朽节,直径不应大于20mm,且每延米中不多于1个 |
允许,但不包括腐朽节,直径不应大于50mm,且每延米中不多于2个 |
||
|
3 |
扭纹 |
斜率 |
≤5% |
≤8% |
≤12% |
|
4 |
裂缝 |
连接部位的受剪面及其附近 |
不允许 |
不允许 |
不允许 |
|
5 |
髓心 |
不允许 |
不允许 |
不允许 |
|
表4.2.4 方木、原木结构构件木材的材质等级
|
项次 |
构件名称 |
材质等级 |
|
1 |
受拉或拉弯构件 |
Ia |
|
2 |
受弯或压弯构件 |
IIa |
|
3 |
受压构件及次要受弯构件(如吊顶小龙骨) |
IIIa |
4.2.5 各类构件制作时及构件进场时木材的平均含水率,应符合下列规定:
1 原木或方木不应大于25%。
2 板材及规格材不应大于20%。
3 受拉构件的连接板不应大于18%。
4 处于通风条件不畅环境下的木构件的木材,不应大于20%。
检查数量:每一检验批每一树种每一规格木材随机抽取5根。
检验方法:本规范附录C。
附录C 木材含水率检验方法
C.1 一般规定
C.1.1 本检验方法适用于木材进场后构件加[前的木材和已制作完成的木构件的含水率测定。
C.1.2 原木、方木(含板材)和层板宜采用烘干法(重量法)测定,规格材以及层板胶合木等木构件亦可采用电测法测定。
C.2 取样及测定方法
C.2.1 烘千法测定含水率时,应从每检验批同-树种同一规格材的树种中随机抽取5根木料作试材,每根试材应在距端头200mm处沿截面均匀地截取5个尺寸为20mmX20mmX20mm的试样,应按现行国家标准《木材含水率测定方法》GB/T 1931的有关规定测定每个试件中的含水率。
C2.2 电测法测定含水率时,应从检验批的同-树种,同一规格的规格材,层板胶合木构件或其他木构件随机抽取5根为试材,应从每根试材距两端200mm起,沿长度均勾分布地取三个截面,对于规格材或其他木构件,每一-个截面的四面中部应各测定含水率,对于层板胶合木构件,则应在两侧测定每层层板的含水率。
C.2.3电测仪器应由当地计量行政部门标定认证。测定时应严格按仪表使用要求操作,并应正确选择木材的密度和温度等参数,测定深度不应小于20mm,且应有将其测量值调整至截面平均含水率的可靠方法。
C.3 判定规则
C3.1 烘干法应以每根试材的5个试样平均值为该试材含水率,应以5根试材中的含水率最大值为该批木料的含水率,并不应大于本规范有关木材含水率的规定。
C.3.2 规格材应以每根试材的12个测点的平均值为每根试材的含水率,5根试材的最大值应为检验批该树种该规格的含水率代表值。
C.3.3 层板胶合木构件的三个截面上各层层板含水率的平均值应为该构件含水率,同一层板的6个含水率平均值应作该层层板的含水率代表值。
4.2.6 承重钢构件和连接所用钢材应有产品质量合格证书和化学成分的合格证书。进场钢材应见证检验其抗拉屈服强度、极限强度和延伸率,其值应满足设计文件规定的相应等级钢材的材质标准指标,且不应低于现行国家标准《碳素结构钢》GB 700有关Q23s及以上等级钢材的规定。-30℃以下使用的钢材不宜低于Q235D或相应屈服强度钢材D等级的冲击韧性规定。钢木屋架下弦所用圆钢,除应作抗拉屈服强度、极限强度和延伸率性能检验外,尚应作冷弯检验,并应满足设计文件规定的圆钢材质标准。
检查数量:每检验批每一钢种随机抽取两件。
检验方法:取样方法、试样制备及拉伸试验方法应分别符合现行国家标准《钢材力学及工艺性能试验取样规定》GB 2975、《金属拉伸试验试样》GB 6397和《金属材料室温拉伸试验方法》GB/T 228的有关规定。
4.2.7 焊条应符合现行国家标准《碳钢焊条》GB 5117和《低合金钢焊条》GB 5118的有关规定,型号应与所用钢材匹配,并应有产品质量合格证书 。
检查数量:检验批全数。
检验方法法:实物与产品质量合格证书对照检查。
4.2.8 螺栓、螺帽应有产品质量合格证书,其性能应符合现行国家标准《六角头螺栓》 GB 5782和《六角头螺栓-C级》GB5780的有关规定。
检查数量:检验批全数。
检验方法:实物与产品质量合格证书对照检查。
4.2.9 圆钉应有产品质量合格证书,其性能应符合现行行业标准《一般用途圆钢钉》 YB/T 5002的有关规定。设计文件规定钉子的抗弯屈服强度时,应作钉子抗弯强度见证检验。
检查数量:每检验批每一规格圆钉随机抽取10枚。
检验方法:检查产品质量合格证书、检测报告。强度见证检验方法应符合本规范附录D的规定。
4.2.10 圆钢拉杆应符合下列要求:
1 圆钢拉杆应平直,接头应采用双面绑条焊。绑条直径不应小于拉杆直径的75%,在接头一侧的长度不应小于拉杆直径的4倍。焊脚高度和焊缝长度应符合设计文件的规定。
2 螺帽下垫板应符合设计文件的规定,且不应低于本规范第4.3.3 条第2款的要求。
3 钢木屋架下弦圆钢拉杆、桁架主要受拉腹杆、蹬式节点拉杆及螺栓直径大于20mm时,均应采用双螺帽自锁。受拉螺杆伸出螺帽的长度,不应小于螺杆直径的80%。
检查数量:检验批全数。
检验方法:丈量、检查交接检验报告。
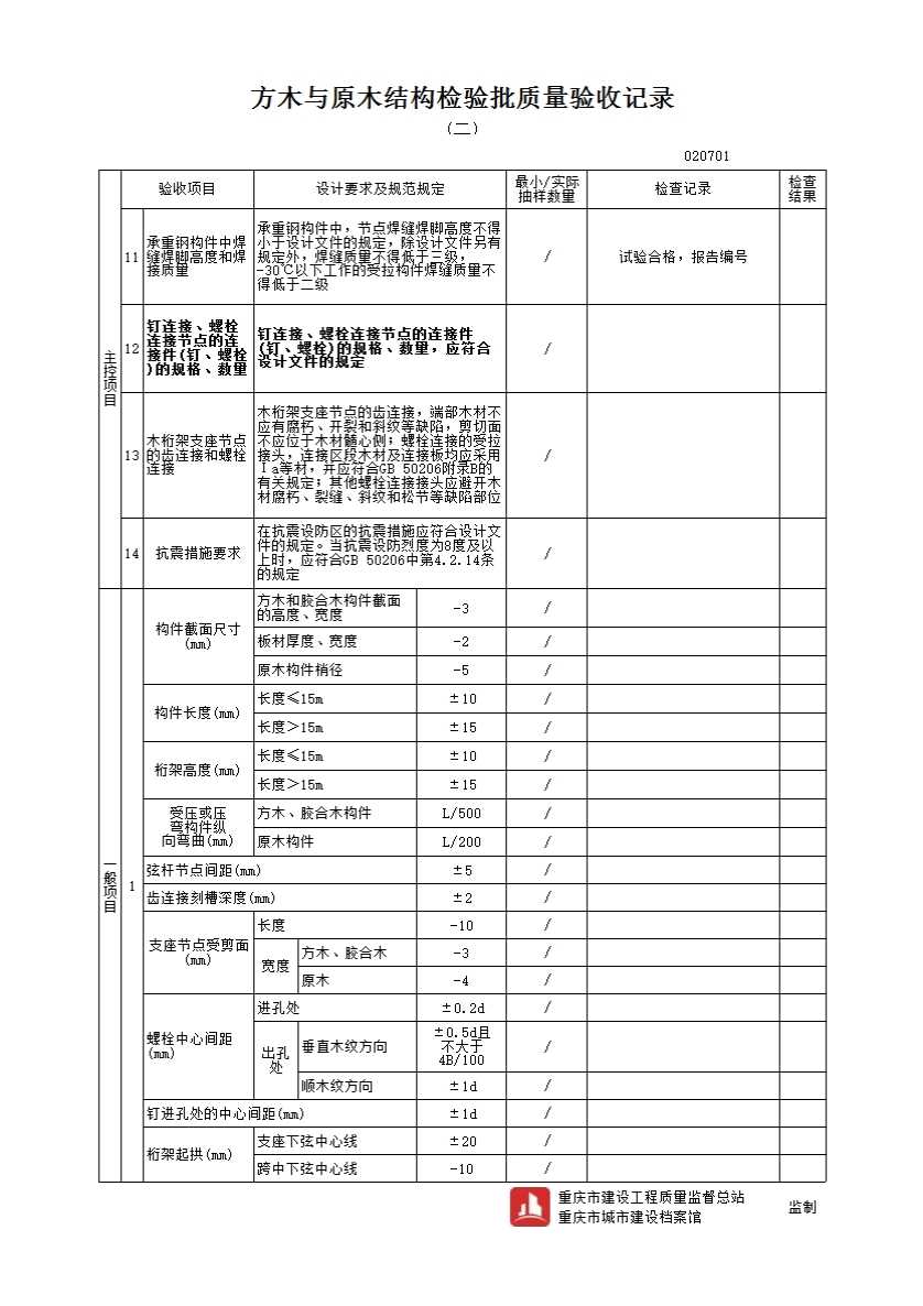
4.2.11 承重钢构件中,节点焊缝焊脚高度不得小于设计文件的规定,除设计文件另有规定外,焊缝质量不得低于三级,-30℃以下工作的受拉构件焊缝质量不得低于二级。
检查数量:检验批全部受力焊缝。
检验方法:按现行行业标准《建筑钢结构焊接技术规范》JGJ 81的有关规定检查,并检查交接检验报告。
4.2.12 钉连接、螺栓连接节点的连接件(钉、螺栓)的规格、数量,应符合设计文件的规定。
检查数量:检验批全数。
检验方法:目测、丈量。
4.2.13 木桁架支座节点的齿连接,端部木材不应有腐朽、开裂和斜纹等缺陷,剪切面不应位于木材髓心侧;螺栓连接的受拉接头,连接区段木材及连接板均应采用Ia等材,并应符合本规范附录B的有关规定;其他螺栓连接接头也应避开木材腐朽、裂缝、斜纹和松节等缺陷部位。
检查数量:检验批全数。
检验方法:目测。
4.2.14 在抗震设防区的抗震措施应符合设计文件的规定。当抗震设防烈度为8度及以上时,应符合下列要求:
1 屋架支座处应有直径不小于20mm的螺栓锚固在墙或混凝土圈梁上。当支承在木柱上时,柱与屋架间应有木夹板式的斜撑,斜撑上段应伸至屋架上弦节点处,并应用螺栓连接(图4.2.14)。柱与屋架下弦应有暗榫,并应用U形铁连接。桁架木腹杆与上弦杆连接处的扒钉应改用螺栓压紧承压面,与下弦连接处则应采用双面扒钉。

2 屋面两侧应对称斜向放檩条,檐口瓦应与挂瓦条扎牢。
3 檩条与屋架上弦应用螺栓连接,双脊檩应互相拉结。
4 柱与基础:间应有预埋的角钢连接,并应用螺栓固定。
5 木屋盖房屋,节点处檩条应固定在山墙及内横墙的卧梁理件上,支承长度不应小于120mm,并应有螺栓可靠锚固。
检查数量:检验批全数。
检验方法:目测、丈量。
三、一般项目
4.3.1 各种原木、方木构件制作的允许偏差不应超出本规范表E.0.1的规定。
检查数量:检验批全数。
检验方法:本规范表E.0.1。
E.0.1 方木、原木结构和胶合木结构桁架、梁和柱的制作误差,应符合表E.0.1的规定。
表E.0.1方木、原木结构和胶合木结构桁架、梁和柱制作允许偏差
|
项次 |
项目 |
允许偏差(mm) |
检验方法 |
||
|
1 |
构件截面 尺寸 |
方木和胶合木构件截面的高度、宽度 |
-3 |
钢尺量 |
|
|
板材厚度、宽度 |
-2 |
||||
|
原木构件梢径 |
-5 |
||||
|
2 |
构件长度 |
长度不大于15m |
±10 |
钢尺量桁架支座节点中心间距,梁、柱全长 |
|
|
长度大于15m |
±15 |
||||
|
3 |
桁架高度 |
长度不大于15m |
±10 |
钢尺量脊节点中心与下弦中心距离 |
|
|
长度大于15m |
±15 |
||||
|
4 |
受压或压弯构件纵向弯曲 |
方木、胶合木构件 |
L/500 |
拉线钢尺量 |
|
|
原木构件 |
L/200 |
||||
|
5 |
弦杆节点间距 |
±5 |
钢尺量 |
||
|
6 |
齿连接刻槽深度 |
±2 |
|||
|
7 |
支座节点受剪面 |
长度 |
-10 |
钢尺量 |
|
|
宽度 |
方木、胶合木 |
-3 |
|||
|
原木 |
-4 |
||||
|
8 |
螺栓中心间距 |
进孔处 |
±0.2d |
||
|
出孔处 |
垂直木纹方向 |
±0.5d 且不大于4B/100 |
|||
|
顺木纹方向 |
±1d |
||||
|
9 |
盯进孔处的中心间距 |
±1d |
- |
||
|
10 |
桁架起拱 |
±20 |
以两支座节点,下弦中心线为准,拉一水平线,用钢尺量 |
||
|
-10 |
两跨中下弦中心线与拉线之间距离 |
||||
注:d为螺栓钉或钉的直径,L为构件长度,B为板的总厚度
4.3.2 齿连接应符合下列要求:
1 除应符合设计文件的规定外,承压面应与压杆的轴线垂直,单齿连接压杆轴线应通过承压面中心;双齿连接,第一齿顶点应位于上、下弦杆上边缘的交点处,第二齿顶点应位于上弦杆轴线与下弦杆上边缘的交点处.第二齿承压面应比第一齿承压面至少深20mm。
2 承压面应平整,局部隙缝不应超过1mm,非承压面应留外口5mm的楔形缝隙。
3 桁架支座处齿连接的保险螺栓应垂直于上弦杆轴线,木腹杆与上、下弦杆间应有扒钉扣紧。
4 桁架端支座垫木的中心线,方木桁架应通过上、下弦杆净截面中心线的交点;原木桁架则应通过上、下弦杆毛截面中心线的交点。
检查数量:检验批全数。
检验方法:目测、丈量,检查交接检验报告。
4.3.3 螺栓连接(含受拉接头)的螺栓数目、排列方式、间距、边距和端距,除应符合设计文件的规定外,尚应符合下列要求:
1 螺栓孔径不应大于螺栓杆直径1mm,也不应小于或等于螺栓杆直径。
2 螺帽下应设钢垫板,其规格除应符合设计文件的规定外,厚度不应小于螺杆直径的30%,方形垫板的边长不应小于螺杆直径的3.5倍,圆形垫板的直径不应小于螺杆直径的4倍,螺帽拧紧后螺栓外露长度不应小于螺杆直径的80%。螺纹段剩留在木构件内的长度不应大于螺杆直径的1.0倍。
3 连接件与被连接件间的接触面应平整,拧紧螺帽后局部可允许有缝隙,但缝宽不应超过1mm。
检查数量:检验批全数。
检验方法:目测、丈量。
4.3.4 钉连接应符合下列规定:
1 圆钉的排列位置应符合设计文件的规定。
2 被连接件间的接触面应平整,钉紧后局部缝隙宽度不应超过1mm,钉帽应与被连接件外表面齐平。
3 钉孔周围不应有木材被胀裂等现象。
检查数量:检验批全数。
检验方法:目测、丈量。
4.3.5 木构件受压接头的位置应符合设计文件的规定,应采用承压面垂直于构件轴线的双盖板连接(平接头),两侧盖板厚度均不应小于对接构件宽度的50%,高度应与对接构件高度一致。承压面应锯平并彼此顶紧,局部缝隙不应超过1mm。螺栓直径、数量,排列应符合设计文件的规定。
检查数量:检验批全数。
检验方法:目测、丈量,检查交接检验报告。
4.3.6 木桁架、梁及柱的安装允许偏差不应超出本规范表E.0.3的规定。
E.0.3方木、原木结构和胶合木结构屋面木构架的安装误差,应符合表E.0.3的规定。
表E.0.3方木、 原木结构和胶合木结构屋面木构架的安装允许偏差
|
项次 |
项目 |
允许偏差(mm) |
检验方法 |
||
|
1 |
檩条、橼条
|
方木和胶合木截面 |
-2 |
钢尺量 |
|
|
原木梢径 |
-5 |
钢尺量,椭圆时取大小径的平均值 |
|||
|
间距 |
-10 |
钢尺量 |
|||
|
方木、胶合木上表面平直 |
4 |
沿坡拉线钢尺量 |
|||
|
原木上表面平直 |
7 |
||||
|
2 |
油毡搭接宽度 |
-10 |
钢尺量 |
||
|
3 |
挂瓦条间距 |
+5 |
|||
|
4 |
封山、封檐板平直 |
下边缘 |
5 |
拉10m线,不足10m拉通线,钢尺量 |
|
|
表面 |
8 |
||||
检查数量:检验批全数。
检验方法:本规范表E.0.2。
E.0.2 方木、原木结构和胶合木结构桁架、梁和柱的安装误差,应符合表E.0.2的规定。
表E.0.2 方木、 原木结构和胶合木结构架、梁和柱的安装误差允许偏差
|
项次 |
项目 |
允许偏差(mm) |
检验方法 |
|
1 |
结构中心线的间距 |
+20 |
钢尺量 |
|
2 |
垂直度 |
H/200且不大于15 |
吊线钢尺量 |
|
3 |
受压或压弯构件纵向弯曲 |
L/300 |
吊(拉)线钢尺量 |
|
4 |
支座轴线对支承面中心位移 |
10 |
钢尺量 |
|
5 |
支座标高 |
+5 |
用水准仪 |
注:H为桁架或柱的高度;L为构件长度
4.3.7 屋面木构架的安装允许偏差不应超出本规范表E.0.3的规定。
检查数量:检验批全数。
检验方法:目测、丈量。
4.3.8 屋盖结构支撑系统的完整性应符合设计文件规定。
检查数量:检验批全数。
检验方法:对照设计文件、丈量实物,检查交接检验报告。