上级...

010602 钢筋(安装)检验批质量验收记录(Ⅳ)

填写规范


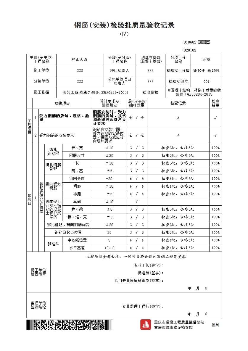
钢筋安装检验批质量验收记录

一、检验批划分

各分项工程可根据与生产和施工方式相一致且便于控制施工质量的原则,按进场批次、工作班、楼层、结构缝或施工段划分为若干检验批。

二、主控项目

5.5.1 钢筋安装时,受力钢筋的品种、级别、规格和数量必须符合设计要求。

检查数量:全数检查。

检验方法:观察,尺量。

5.5.2 钢筋应安装牢固。受力钢筋的安装位置、锚固方式应符合设计要求。

检查数量:全数检查。

检验方法:观察,尺量。

三、一般项目

5.5.3 钢筋安装偏差及检验方法应符合表5.5.3的规定,受力钢筋保护层厚度的合格点率应达到90%及以上,且不得有超过表中数值1.5倍的尺寸偏差。

检查数量:在同一检验批内,对梁、柱和独立基础,应抽查构件数量的10%,且不应少于3件;对墙和板,应按有代表性的自然间抽查10%,且不应少于3间;对大空间结构,墙可按相邻轴线间高度5m左右划分检查面,板可按纵、横轴线划分检查面,抽查10%,且均不应少于3面。

5.5.3 钢筋安装位置的允许偏差和检验方法

项目

允许偏差(mm)

检验方法

绑扎钢筋网

长、宽

±10

尺量

网眼尺寸

±20

尺量连续三档,取最大偏差值

绑扎钢筋骨架

±10

尺量

宽、高

±5

尺量

纵向受力钢筋

锚固长度

-20

尺量

间距

±10

尺量两端、中间各一点,取最大偏差值

排距

±5

纵向受力钢筋、箍筋的混凝土保护层厚度

基础

±10

尺量

柱、梁

±5

尺量

板、墙、壳

±3

尺量

绑扎箍筋、横向钢筋间距

±20

尺量连续三档,取最大偏差值

钢筋弯起点位置

20

尺量

预埋件

中心线位置

5

尺量

水平高差

+3,0

塞尺量测

1 检查中心线位置时,沿纵、横两个方向量测,并取其中偏差的较大值。

示例