上级...

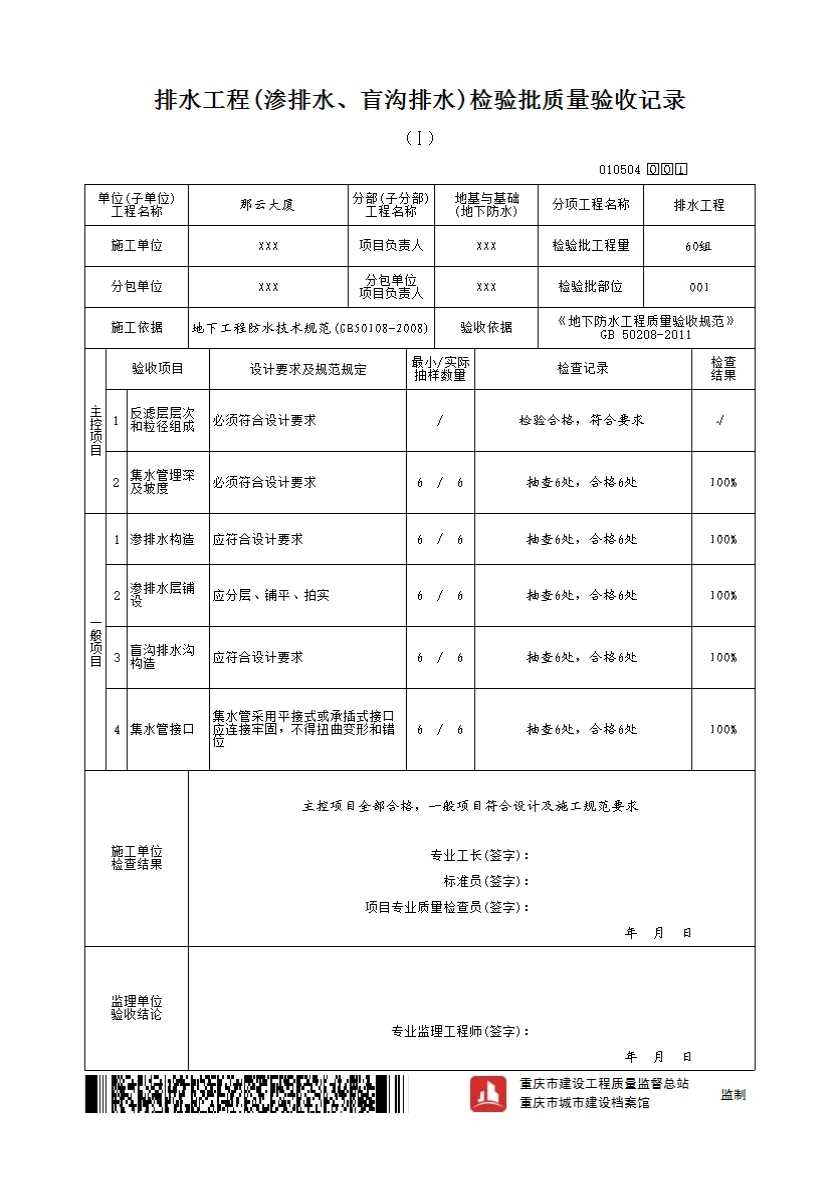
010504 排水工程(渗排水、盲沟排水)检验批质量验收记录(Ⅰ)

填写规范


渗排水、盲沟排水检验批质量验收记录

本表适用于无自流排水条件、防水要求较高且有抗浮要求的地下工程的渗排水、盲沟排水检验批质量验收。

一、检验批划分

排水工程应划为一个验收批。

二、主控项目

7.1.7 盲沟反滤层的层次和粒径组成必须符合设计要求。

检验方法:检查砂、石试验报告和隐蔽工程验收记录。

7.1.8 集水管的埋置深度及坡度必须符合设计要求。

检验方法:观察和尺量检查。

三、一般项目

7.1.9 渗排水构造应符合设计要求。

检验方法:观察检查和检查隐蔽工程验收记录。

7.1.10渗排水层的铺设应分层、铺平、拍实。  

检验方法:观察检查和检查隐蔽工程验收记录。

7.1.11 盲沟排水构造:应符合设计要求。

检验方法:观察检查和检查隐蔽工程验收记录。

7.1.12 集水管采用平接式或承插式接口:应连接牢固,不得扭曲变形和错位。

检验方法:观察检查。

示例